makh Опубликовано 7 апреля, 2017 Опубликовано 7 апреля, 2017 Ключевой элемент - трехходовой клапан. Ну или два обычных. Один NO и второй NC, или два одинаковых и релюха. Но не суть. Обратные клапана на схеме шлюза -- что за они? В смысле жидкость через них самотеком потечет, т.е. они без пружинок?
POLE Опубликовано 7 апреля, 2017 Автор Опубликовано 7 апреля, 2017 Ну или два обычных. те что на воду не пойдут. Проверил - вакуум сильнее открытия. Дождусь пневматики (застрял клапан в Екатеринбурге). Проверю и отпищусь. Обратные клапана на схеме шлюза -- что за они? вот жидкость через них самотеком потечет, т.е. они без пружинок? с пружинками, но они слабые. Клапан открывается уже при 5-10 мм воды над ним. Проверил под вакуумом - работает.Резинки заменил на силикон.
makh Опубликовано 8 апреля, 2017 Опубликовано 8 апреля, 2017 (изменено) на воду не пойдут У мну в шлюзе вроде держали. AR-YCWS1 открывается уже при 5-10 мм воды над ним Класс! Совсем простой и правильный шлюз выходит таким образом. Изменено 8 апреля, 2017 пользователем makh
POLE Опубликовано 8 апреля, 2017 Автор Опубликовано 8 апреля, 2017 AR-YCWS1 Этот на шлюз не ставил. Такой (аналог под трубки АR-YCWS3) у меня на отборе стоит. Вакуум держит.Ставил на шлюз трехходовой AR-YCWS6 . Вакуум держит, стоит на переключении приемных емкостей. На шлюзе не отрывается, когда нужно отрыть атмосферу. Залипает от вакуума.
РоманЫчъ Опубликовано 10 апреля, 2017 Опубликовано 10 апреля, 2017 (изменено) Обратные клапана на схеме шлюза -- что за они? В смысле жидкость через них самотеком потечет, т.е. они без пружинок? Парни рекомендую. Долго у меня лежал, ни мог найти применения. На фото 1/8. Думаю для шлюза отлично встанет по сечению 1/4. Пружину убираешь (тем более не понятно из чего она сделана. Вчера продувал - реально захлапывает и под силой гравитации открывается. Резинки заменил на силикон. а корзину из пластика? POLE писал открывается уже при 5-10 мм воды над ним Класс! Совсем простой и правильный шлюз выходит таким образом. А что правильного чуть сольется и опять прикроется, или хотя..... почти непрерывный слив в атмосферу!!!! Кстати с моим клапаном можно поэксперементировать - регулируя пружину. Дождусь пневматики (застрял клапан в Екатеринбурге) Какие именно дай ссылку, у меня в загашнике тоже один лежит. Если бы выгнал всю бражку из куба, то в отборе крепость была бы 12%об. Я же писал с укреплением получил 45%. На картинке Кректы спирта при высоком и низком давлении при перегонке, по результатам калькулятора Руди. Да весь калькулятор облизал. Только у меня вид другой. Руди сила, Я уже отмечал. Вот если бы Руди в калькулятор ввел показатель привязки абсолютного к относительному давлению, или бы кто тщательно перевел инструкцию к DP101 - на вероятность там в настройках торрировки показаний по давлению за окном........ На картинке Кректы спирта при высоком и низком давлении при перегонке, по результатам калькулятора Руди. И заметь шибко они и не отличаются?!? [member=Андрей751], Как вижу у тебя универсальный куб. Проблема с герметизацией прокладки между крышкой и кубом у меня решилась просто. Резиновая прокладка не цельная - имеет клеевой стык. Берешь бритвочкой аккуратно срезаешь место наплыва клея, по желанию немного свежего силикона, если не аккуратно и все! Рекомендации по надежным герметичным резьбовым стыкам (два способа): 1. Наматываем фум ленту наполовину не отрезая, затем на одну поверхность в тонкого наносим герметик из расчета на 1-1,5 оборота. Затем продолжаем намотку. Получается типа бутерброда. Закручиваем неспеша фитинг. В итоге внутренняя резьба (мама) спокойно движется по фумке и выдавливает излишки герметика. Такое соединение должно отсохнуть с недельку. Плюс этого соединения - при необходимости легко разбираемое и легко очищаемое с поверхности резьб. 2. Наматываем фум ленту, тольно на половину резьбы в части которая удет во внутрь. закручиваем фитинг не доконца закрыв только фумку и плюс еще пару милиметров чистой резьбы. Подключаем насос-задаем вакуум. Будет сифонить и это хорошо. мажем герметик - его активно засасывае, а фумка не дает просочится во внутрь. Поступательным движением "шаг назад и два вперед" закручиваем, следя за полнотой наличия герметика. У меня даже были щелчки от всхлапывания микро воздушных пор. Затянув до конца ждем некоторое время, выключаем насос и убираем излишки. В обоих вариантах получается чистый стык . Изменено 10 апреля, 2017 пользователем РоманЫчъ
POLE Опубликовано 10 апреля, 2017 Автор Опубликовано 10 апреля, 2017 Парни рекомендую. Долго у меня лежал, ни мог найти применения. На фото 1/8. Думаю для шлюза отлично встанет по сечению 1/4. Пружину убираешь (тем более не понятно из чего она сделана. Вчера продувал - реально захлапывает и под силой гравитации открывается. это воздушный клапан. С виду из нержи и пружинка тоже. Если убрать пружинку, то он не будет закрываться. Ты на вакуум его проверял? дай ссылку, у меня в загашнике тоже один лежит. https://ru.aliexpress.com/item/MYLB-3V1-06-125mA-DC-12V-2-Position-3-Way-Pneumatic-Solenoid-Valve/32745808329.html?spm=2114.13010608.0.0.SPjP7Y
РоманЫчъ Опубликовано 10 апреля, 2017 Опубликовано 10 апреля, 2017 (изменено) это воздушный клапан. С виду из нержи и пружинка тоже. Если убрать пружинку, то он не будет закрываться. Ты на вакуум его проверял? Нержавейка Сталь304. Брал как обратный клапан на китайский вакуумный насос, обошелся обычным аквариумным. На вакуум не проверял, если сильно надо могу проверить. Пробовал ртом - убрав пружину. Сам отпускает, т.к. сердечник увесистый. Будет работать если распологать вертикально, в аккурат как нам надо - блокирует вверх при вакууме, при выравнивании давления отпустится вниз. По электроклапану понял. Я такой же закажу только трехходовой, ссылку давал. Они думаю на воду не пойдут, а вот для впуска и выпуска воздуха идеально, на некоторых есть маркировка со стрелками, думаю не спроста в противоположном направлении наверно будут залипать. ИМХО Изменено 10 апреля, 2017 пользователем РоманЫчъ
POLE Опубликовано 10 апреля, 2017 Автор Опубликовано 10 апреля, 2017 [b][member=РоманЫчъ][/b], похоже, что ты не понял как работают обратные клапаны в шлюзе. Дистиллят давит на мембрану (или конус в твоем клапане), сдавливается пружинка и дистиллят течет вниз. [b][member=Андрей751][/b], чего-то наколбасил со схемой. Дистиллят будет холодный, так что можешь смело убирать холодильник доохлодитель в точку после ресивера, чтобы доулавливать при вероятном проскоке паров. Не пойму что за трубка в царге на возврате флегмы, и почему она соединяется с линией дистиллята через тройник между основным конденсатором и доохладительным холодильником? Или это закольцовка чтобы проверить на вакуум?
POLE Опубликовано 11 апреля, 2017 Автор Опубликовано 11 апреля, 2017 цистерны в метале, имееют шанс схлопываться. как это ни странно, цистерны проще схлопнуть чем стеклянную колбу. Я использую стекло, но отожженное и толстостенное. Стекл.банка (особенно 10л) имеет разную толщину стенки. Стекло бытовое. Поверхность горла неровная. Потому и перешел на метал. термосы и прочие емкости. На фото приемные емкости от армейского распылителя (химзащита) и шлюз из стекла (пирекс) со стенкой в 2,0 мм. На втором фото вауумный спиртометр с АСПТ 0-60% и термометром.
POLE Опубликовано 11 апреля, 2017 Автор Опубликовано 11 апреля, 2017 (изменено) у тебя на фото ручной шлюз, это для отбора голов. Пробы я давно не отбираю, тк знаю что и когда идет. По спиртометру переключаю приемные емкости. может подумаем по проще: ты можешь подумать, а я попробовал и остановлюсь на малогабаритном шлюзе с уровнемером на двух поплавках. Кстати в них герконы, а в поплавках магниты. Все остальные типы не пригодны по разным причинам. 2 поплавка дает возможность срабатывать пневмоклапану по двум уровням. На фото исполнение в стекле и в металле. Отбор порций 50-70 мл. Изменено 11 апреля, 2017 пользователем POLE 1
РоманЫчъ Опубликовано 16 апреля, 2017 Опубликовано 16 апреля, 2017 (изменено) А электроклапан буду заказывать двухходовой, ранее прикладывал ссылку с али. В нормально закрытом состоянии будет открыт вакуум - а атмосфера закрыта. При подаче напряжения вакум перекрывается - а атмосфера открывается. Уровень дистилята решил собрать на фотореле и фанарика - типа лазерной указки. На фото реле подсажу конденсатор, для задержки времени по подаче питания на клапан. В стеклянной трубке попловок - не прозрачный. уровень подымается поплавок перекрывает луч - фотореле срабатывает и поехало. Осталось подобрать фотореле на 12 вольт и конденсатор по емкости. Но почему ранее говоришь Не понял? Второй клапан обратный те конструкция аналогичная той что я выкладывал. Ты пишешь, что элмагн.клапан греется. Как часто он у тебя срабатывает? По сечению обратного клапана. Использовал 1/8 на какой расход дистиллята? Да аналог, но у тебя с пружинами, моя проще паренной репы, и материал весь нержа. Электромагнитный Я в шлюз не подключал, просто испытывал его вне системы, греется уже через минуту, пол часа предел, становится горячим. Обозначил проблему, чтобы правилно подбирали, не любит он долгого питания. Использовал 1/8, что было, здесь не в расходе дело, он просто зауживает сечение и получается типа пробки. нужен столб воды небольшой чтобы жидкость протекала, ну это как в шланг приемного дистилята вставить во внутрь тонкий кусочек шланга. И Еще отметил: при подключенном ПГ в вакуум, больше выделяется кислорода - нагрузка на насос. Вопрос: На сколько вреден кислород для продукта? мы ВД избегаем его, даже настойки в вакууме лучше выходят. Может не стоит ПГ подключать к системе? Но опять же при барботере у меня заметно исчезал взрывное кипени, оно было, но ввиде треска. Без барботера аж всю установку сотрясало. [member=POLE], Ты как то скидывал перевод DP-101. В приложении фрагмент. Желтым выделил не понятное для меня, это случайно не функция обнуления под атмосферно за бортом? Если честно ничерта у меня не соответсвует показания DP-101 фактическим температурам кипения, даже с поправками на давление за бортом. Отбирал шлюзом пробы при зафиксированной температуре. Замеряю алкоголь, как надо при 20градС, забиваю в калькулятор Руди - на 10-15 кПа разниться с DP-101?! Изменено 16 апреля, 2017 пользователем РоманЫчъ
POLE Опубликовано 16 апреля, 2017 Автор Опубликовано 16 апреля, 2017 электроклапан буду заказывать двухходовой, ранее прикладывал ссылку с али. В нормально закрытом состоянии будет открыт вакуум - а атмосфера закрыта. При подаче напряжения вакум перекрывается - а атмосфера открывается. ты описываешь 3 ходовой клапан. В моей конструкции шлюза он срабатывает кратковременно на момент выпуска дистиллята из шлюза. Уровень дистилята решил собрать на фотореле и фанарика - типа лазерной указки. На фото реле подсажу конденсатор, для задержки времени по подаче питания на клапан. В стеклянной трубке попловок - не прозрачный. уровень подымается поплавок перекрывает луч - фотореле срабатывает и поехало. Осталось подобрать фотореле на 12 вольт и конденсатор по емкости. есть готовые комплекты на два датчика, но не лазер а ИК. Я купил такой, но не использовал. По мне надежнее поплавковый. (спрашивается, нахера тогда ПК). это к чему? Да аналог, но у тебя с пружинами, моя проще паренной репы, и материал весь нержа. не уверен что проще. Твоя нержа для вакуума может на сработать. Конус должен быть очень притертым. ИМХО силиконовая шайба надежнее и проверена. Пружинка похоже из нержи. А если и нет то на холодном дистилляте и железо будет стоять. Тем более его там мизер. Использовал 1/8, что было, здесь не в расходе дело, он просто зауживает сечение и получается типа пробки. нужен столб воды небольшой чтобы жидкость протекала, ну это как в шланг приемного дистилята вставить во внутрь тонкий кусочек шланга. теперь понятно. Этот клапан нельзя использовать на дистиллят. Когда он нагреется дистиллят в корпусе закипает. Клапан "запаривается".В моей схеме шлюза элмагн 3-ходовй клапан стоит на линии вакуума-воздух. Через него дистиллят не течет. И Еще отметил: при подключенном ПГ в вакуум, больше выделяется кислорода - нагрузка на насос. вот тут ты удивил. Использовать ПГ в ВД это заведомо нагружать вакуумный насос. Грей газом или опусти куб в кастрюлю с горячей водой, чтобы избежать взрывного кипения.
РоманЫчъ Опубликовано 16 апреля, 2017 Опубликовано 16 апреля, 2017 ты описываешь 3 ходовой клапан. В моей конструкции шлюза он срабатывает кратковременно на момент выпуска дистиллята из шлюза. Да все верно. есть готовые комплекты на два датчика, но не лазер а ИК. Я купил такой, но не использовал. По мне надежнее поплавковый. Видел на али, но так и не понял как он считывает уровень жидкости, Геркон - понятно, фотореле - понятно, поплавковый - понятно, а здесь не допонимаю куда его и как крепить. это к чему? Если городить буфер-дефлегматор, тогда уже делать его конкретным и избавлятся от пленочной колонны ХД-4 не уверен что проще. Твоя нержа для вакуума может на сработать. Для этого Я его и испытывал в шлюзе, все работает и держит - удовольствия от проделонного полные штаны. Там клапан конусом и есть резиновое кольцо. РоманЫчъ писал Использовал 1/8, что было, здесь не в расходе дело, он просто зауживает сечение и получается типа пробки. нужен столб воды небольшой чтобы жидкость протекала, ну это как в шланг приемного дистилята вставить во внутрь тонкий кусочек шланга. теперь понятно. Этот клапан нельзя использовать на дистиллят. Когда он нагреется дистиллят в корпусе закипает. Клапан "запаривается". В моей схеме шлюза элмагн 3-ходовй клапан стоит на линии вакуума-воздух. Через него дистиллят не течет. Мы что, то не допонимаем, Я про механический, что на фото, а ты про электрический.
POLE Опубликовано 16 мая, 2017 Автор Опубликовано 16 мая, 2017 Провел натурные стендовые испытания вакуумного шлюза для отбора дистиллята в атмосферу. На - 90кПа и головах работает стабильно! Впереди эксплуатация. Посмотрим как долго будут работать клапаны, в т.ч. электромагнитный. 1
РоманЫчъ Опубликовано 18 мая, 2017 Опубликовано 18 мая, 2017 Олег электроклапан 3-ходовой? и на фото слева от клапана трубка из нержи - это забор вакуума? На схеме царг "спираль для удержания флегмы" - это принципиально?, вроде трубки итак узкие.
POLE Опубликовано 28 июня, 2017 Автор Опубликовано 28 июня, 2017 (изменено) НО ОЧЕНЬ ИНТЕРЕСЕН ШЛЮЗ ------------ПОЭТОМУ И ЗАПРАШИВАЛ ВИДЕО на видео работы шлюза видно как периодически сливается дистиллят и включается выключается клапан (светодиод). Как бы не очень наглядно. В МОЕМ ПРОЕКТЕ 24 ТРУБКИ 12ММ -- 300ММ ДЛИНА--- ПЛЮС ШАМПУРА ------- ДОСТАТОЧНО ЛИ ТРУБОК ДЛЯ УКРЕПЛЕНИЯ на 2кВт достаточно. На 4кВт возможен захлеб внутри трубок. планирую трехходовой электроклапан подключить к уровнемеру с али на электрических зондах. интересно. Есть у меня уровнемер с реле с работой от погружных электродов. Кажется емкостной. На воде нормально отрабатывает, а на спирте что-то глючит. Потому и отказался от него. Взял дуракоустойчивый - поплавковый. Заодно поплавки внутренне пространство заняли, снизив при этом объем до 50 мл. https://youtu.be/mRVMNYHqbYk https://youtu.be/8smKgrOlgTs Изменено 28 июня, 2017 пользователем POLE 2
Mihalych. Опубликовано 29 июня, 2017 Опубликовано 29 июня, 2017 [b][member=POLE][/b], видео впечатляет. О вакууме пока только мечтаю. Олег, по царге нет деталировки с размерами? Надо, наверное потихоньку начинать сборку оборудования. По эскизу сложно мне понять что к чему. Если с этой царгой использовать перистальтический насос вместо шлюза, это не упростит всю конструкцию?
Bogdanov_Alexey Опубликовано 13 июля, 2017 Опубликовано 13 июля, 2017 (изменено) POLE----ПРОСЬБА ПО ТОЧНЕЕ РАСЖЕВАТЬ О ШЛЮЗЕ -------ЧТО ТО ДО МЕНЯ НЕ ДОХОДИТ-----------ПРИНЦИП РАБОТЫ ------- -------ДРУГОЕ------ПЕРЕСТАЛЬТИКА ЗАДУМАНА КАК ПОДШИПНИКОВЫЙ УЗЕЛ НА КУБОВОЙ МЕШАЛКЕ-----------НО ПОКА С КЛАПАННЫМ ШЛЮЗОМ ХОЧУ РАЗОБРАТЬСЯ---------- Изменено 13 июля, 2017 пользователем Bogdanov_Alexey
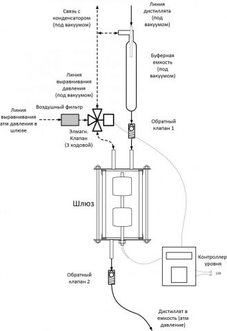
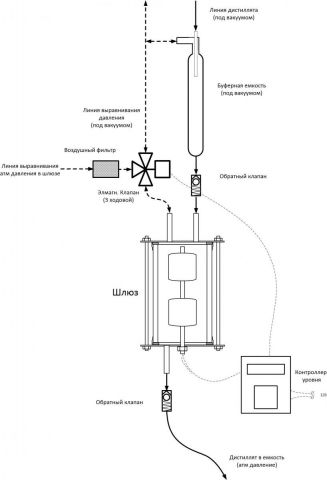
POLE Опубликовано 13 июля, 2017 Автор Опубликовано 13 июля, 2017 (изменено) ПРОСЬБА ПО ТОЧНЕЕ РАСЖЕВАТЬ О ШЛЮЗЕ Шлюз работает периодически, выпуская в атмосферу определенный объем дистиллята. После вакуумирования колбы с датчиками уровня верхний обратный клапан (1) открыт, нижний обратный клапан (2) закрыт, эл.магн.клапан открыт - есть связь с вакуумом, что идет в зону конденсации пара (конденсатор, чуть выше уровня сливаемого дистиллята). При заполнении дистиллятом колбы последовательно всплывают поплавки (нижний и верхний) датчика уровня. При всплытии верхнего поплавка включается эл.магн. клапан - закрывается вакуумная линия и открывается связь с атмосферой. Воздух попадает в колбу, верхний обр.клапан (1) запирается вакуумом из линии дистиллята, а нижний обр.клапан (2) открывается и дистиллят течет в стакан (банку и пр.). Когда опускается нижний поплавок эл.магн.клапан выключается перекрывая связь с атмосферой и открывая связь с вакуумом. При этом нижний обр.клапан (2) запирается, а верхний обр.клапан (1) открывается поскольку вакуум в колбе равен вакууму в линии дистиллята перед клапаном (1). Поскольку в клапане есть пружинка, то он открывается под давлением столбика дистиллята в 1-2 см. Для этого есть небольшая буферная емкость в виде стеклянной трубки. Далее обратно по циклу: заполнение, открытие, слив, вакуумирование, заполнение.... Объем выпускаемого дистиллята зависит от свободного объема колбы. Можно сделать в 50 мл, а можно и более. Полагаю, что 50 мл нормальная доза для дробного отбора голов при заливке браги в кубе 40 литров. Очень простая конструкция, но требует чистоты дистиллята. Не должно быть соринок, чтобы обр.клапаны хорошо работали. ПЕРЕСТАЛЬТИКА ЗАДУМАНА КАК ПОДШИПНИКОВЫЙ УЗЕЛ НА КУБОВОЙ МЕШАЛКЕ тут непонятно. Рисунок можешь показать? Изменено 13 июля, 2017 пользователем POLE 2
Bogdanov_Alexey Опубликовано 15 июля, 2017 Опубликовано 15 июля, 2017 POLE------------------------------------ НЕ ПОЛУЧАЕТСЯ ВСТАВИТЬ РИСУНОК ЧТО БЫ ОТКРЫВАЛСЯ -----ПОДШИПНИКОВЫЙ УЗЕЛ -----РОТОР ПОДШИПНИК СТАКАН САЛЬНИК ПОДШИПНИК ПЛАНШАЙБА ДВИГАТЕЛЬ NEMA23------------РОЛИКИ ПО СОВЕТУ ИЗ НЕЙЛОНА----- ----НА ГОЛОВКЕ СТАКАНЕ ----СЛЕВА ВВЕРХУ ТРУБКА ОТКАЧКИ --НИЖЕ ДАТЧИК ПРОТЕЧКИ ЖИДКОСТИ---------- ---ЕСТЬ ЗАДУМКА СДЕЛАТЬ УЗЕЛ НА КЕРАМИКЕ ------ПОКА ДУМАЮ----
POLE Опубликовано 17 июля, 2017 Автор Опубликовано 17 июля, 2017 [b][member=Bogdanov_Alexey][/b], похоже хочешь повторить опыт 223го. Только у него монстр получился. Не нужен большой насос. Достаточно трубки в 2,5 - 3мм внутренней и стенки в 1 - 1,2 мм. Я тоже думал собрать но нет токарки под рукой и узел с сальником неизвестно сколько прослужит.
bigson Опубликовано 17 июля, 2017 Опубликовано 17 июля, 2017 Олег, узел с сальником лучше исключить... Мотор лучше в один объем с трубкой засунуть... Но, в вакууме может плохо охлаждаться двигатель насоса...
Bogdanov_Alexey Опубликовано 17 июля, 2017 Опубликовано 17 июля, 2017 (изменено) POLE-------------УЗЛЫ ПЕРЕСТАЛЬТИКИ ДОРАБОТАЮ-----ДО ДИАМЕТРА100ММ ПОД ТРУБУ--------------ПО ПОВОДУ ПОДШИПНИКОВАСАЛИНИКОГО УЗЛА ----НА МЕШАЛКАХ ЖЕ РАБОТАЕТ------------ДИАМЕТР СЕЛИКОНОВОЙ ТРУБКИ--9ММ-1.5ММ--------ТОКАРЕЙ В ПРИМОРЬЕ ЕЩЕ ДОСТАТОЧНО---------- -----ПЕРЕСТАЛЬТИКА БУДЕТ ПРИМЕНЯТЬСЯ ЕЩЕ ДЛЯ ДРУГИХ ЦЕЛЕЙ--------------------------- Изменено 17 июля, 2017 пользователем Bogdanov_Alexey
POLE Опубликовано 19 июля, 2017 Автор Опубликовано 19 июля, 2017 (изменено) узел с сальником лучше исключить... и я того же мнения) Мотор лучше в один объем с трубкой засунуть... если бесщеточный, то можно. в вакууме может плохо охлаждаться двигатель насоса... факт. Придумывать рубашку охлаждения не благодарная задачка. ДИАМЕТР СЕЛИКОНОВОЙ ТРУБКИ--9ММ-1.5ММ очень много для ВД. ИМХО шлюз лучше. Мой сливает за 50 мл за секунды. Можно и на большую производительность (до 1,5л/час) сделать. Изменено 19 июля, 2017 пользователем POLE
Rudy Опубликовано 20 июля, 2017 Опубликовано 20 июля, 2017 (изменено) Есть готовые BLDS с водяным охлаждением и недорогие - посмотри тут и аналогичные. Да и приделать водяное охлаждение к стандартному мотору не проблема - припаиваешь к корпусу виток медной трубки и все. Только аккуратно, предварительно сняв, чтобы пластик не поплавить. Перистальтика изнутри - более правильное решение. Твой шлюз кратковременно портит вакуум, а это плохо. Изменено 20 июля, 2017 пользователем Rudy
Рекомендуемые сообщения
Для публикации сообщений создайте учётную запись или авторизуйтесь
Вы должны быть пользователем, чтобы оставить комментарий
Создать аккаунт
Зарегистрируйте новый аккаунт в нашем сообществе. Это очень просто!
Регистрация нового пользователяВойти
Уже есть аккаунт? Войти в систему.
Войти