Перейти к содержанию

Доработка сварочного инвертора под импульсный режим сварки


Рекомендуемые сообщения

Опубликовано

Приветствую всех!

Итак в поисках хоть какой то инфы по топологии Dual switch flyback я ее все таки нашел, как таковая данная топология мало где светится...кроме как в научных трактатах и по сути все.

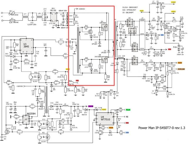
Но я все таки надеялся, что где то, или кто то должен был ее применить..и я ее нашел ..данная топология применяется в компьютерных блоках питания компании  POWER MAN, причем только с мощности 450W, модель компьютерного блока POWER MAN IP-S450T7-0 .Нашел на нее схему, прикладываю оную, силовую часть где данная топология высвечивается обвел красным.

Powerman-IP-S450T-0.thumb.jpg.29fa9bc26632255a6e9c0aaea4b8bfa9.jpg

На авито нарыл продавца с мертвым комп.блоком. Прикупил ёный для детального изучения.

Что интересно, ни где я не нашел описалово по этому блоку...В общем уже легче.,есть где хоть осцилки поснимать, посмотреть на нагрузке...Ура!

Да, и еще нашел инфу, что данная топология по КПД  на уровне LLC  \резонансные блоки питания \ и даже в в некоторых случаях превосходит ее)) особенно на низких мощностях.

Всем удачи

 

 

 

 

  • Спасибо 1
  • + репутация 1
Опубликовано

Тоже пытаюсь собрать конденсаторную импульсную сварку(холодную) только у меня 50шт 10000мкф на 50в. Несколько вопросов по фото:

-марка ключей (не смог разглядеть)? 

-коммутируются  все вместе или отдельно каждый через свой резистор?

 

Опубликовано

Ключи разглядел IRFP260N. Я планирую использовать ключи  IRFP4668

Очень интересует напряжение на конденсаторах(на выходе), как холостого хода так и во время сварки

  • Спасибо 1
Опубликовано
13.04.2023 в 11:08, Vladimir138 сказал:

использовать ключи  IRFP4668

А это будет допустимая замена? У них в два  раза отличается время нарастания и это скажется на тепловом режиме диодов в первичной и вторичной цепи.

Таки замены должны взаимно-связанными по всем цепям.

Опубликовано

Конденсаторная сварка предусматривает  формирование сварочного импульса длительностью 3-10милисекунд   и регулируемым током от 10  до 200А, следующий импульс формируется только при полном заряде конденсаторов,  поэтому время нарастания и спада не так критично.Купил вчера БП POWER MAN IP-S450T7-0 попробую через него заряжать конденсаторы, перемотав вторичную обмотку на 26 вольт.

Опубликовано
15.04.2023 в 12:58, Vladimir138 сказал:

Конденсаторная сварка предусматривает  формирование сварочного импульса длительностью 3-10милисекунд   и регулируемым током от 10  до 200А,

Владимир, как или откуда  удалось разыскать эти данные?  Им можно доверять?

Опубликовано

Приветствую всех!

дел навалилось не меряно...чуть забросил тему..причина: чтоб замутить плату я использую пленочный фоторезист, и чтоб родить негатив необходим струйный принтер...и мой неожиданно Эпсон Р50 решил помереть...

короче, я тут конечно напрягся и нашел интересную для меня тему прямую печать ...народ печатает прямо на фольгированном текстолите пигментом, у меня проблема печать негатива на пленке ...не то чтобы  мой принтак не печатал..мелкие негативы печатает очень даже норм...но большой негатив под плату ибп ролики принтера тупо размазывают полученный результат...доставляя мне не мало проблем...

в общем одна проблема потянула несколько других....

вначале родил прямую печать на canon pixma 1200 вроде даже начало все двигаться, но вот с перемещением стола полная засада...не могу датчик положения листа установить....

прикупил пиксму 4600 сейчас думаю на на ее базе все строить...и пикселей более ну и вроде купленный б\у принтак даже отзывается на мои действия.

фотки пока не выкладываю ...все равно переделывать.

 заодно из Китая пришли адские ферриты на ибп....чет я переборщил с заявкой))) просто огромные!!!

Сам не ожидал....по ходу на них адский сварочник можно замутить.

С уважением

 

13.04.2023 в 11:08, Vladimir138 сказал:

Ключи разглядел IRFP260N. Я планирую использовать ключи  IRFP4668

Очень интересует напряжение на конденсаторах(на выходе), как холостого хода так и во время сварки

дело не в ключах...а в том как быстро надо зарядить емкость 328000мкф за 0.5сек ,!!!до следующего выстрела ХС!!

транзюки это вторичное...у китайцев стоит резик- преобразователь напряжения в ток...резик ...ватт на 10-15 посмотрите на фото -зеленые такие...это они самые...и на них имеет место адское рассеивание мощности...отсюда и поиски альтернативного решения....

применение обратноходового преобразователя....в граничном режиме...

Пока все что имею в мыслях.

Далее, уже имею ибп POWER MAN IP-S450T7-0 хотя бы для понимания того, с чем придется иметь дело...но пока руки не дошли...дел попутных масса

С уважением

Для публикации сообщений создайте учётную запись или авторизуйтесь

Вы должны быть пользователем, чтобы оставить комментарий

Создать аккаунт

Зарегистрируйте новый аккаунт в нашем сообществе. Это очень просто!

Регистрация нового пользователя

Войти

Уже есть аккаунт? Войти в систему.

Войти
  • Последние посетители   0 пользователей онлайн

    • Ни одного зарегистрированного пользователя не просматривает данную страницу
×
×
  • Создать...