Юнга Опубликовано 23 ноября, 2020 Опубликовано 23 ноября, 2020 (изменено) 22.11.2020 в 17:44, Олег6 сказал: Можно помечтать Поместить насос в вакуум корпус 10х10х10см Пока ты мечтаешь - люди делают. Конечно вызывает сомнение способ уплотнения приводного вала, думаю, долго не проживёт. Изменено 23 ноября, 2020 пользователем Юнга 3
Олег6 Опубликовано 23 ноября, 2020 Опубликовано 23 ноября, 2020 вакуумный ввод вращения - 7т.р. а надежный - в 10 раз дороже. У многих здесь есть мешалки в вакуум, насколько долговечные там "сальники" - особо никто не рапространяется. При такой цене "сальников", казалось, что поместить весь насос вместе с движком в вакуум - дешевле. Водянные радиаторы на движок стоят 200р. Еще фактор в эту сторону: у меня вода 20С после конденсатора сливается в канализацию зря. Могла бы охлаждать движок насоса.
Юнга Опубликовано 23 ноября, 2020 Опубликовано 23 ноября, 2020 26 минут назад, Олег6 сказал: У многих здесь есть мешалки в вакуум, насколько долговечные там "сальники" - особо никто не рапространяется. У меня на перистальтическом насосе керамическое торцовое уплотнение от водяного насоса - третий год исправно служит https://voltar.com.ua/shop/tortsevoe-uplotnenie-ar-14-dlia-poverhnostnyh-elektronasosov-pedrollo.html
den45 Опубликовано 23 ноября, 2020 Опубликовано 23 ноября, 2020 1 час назад, Олег6 сказал: У многих здесь есть мешалки в вакуум, насколько долговечные там "сальники" - особо никто не рапространяется. А что ему будет то обороты не большие давление тоже,в технике такие узлы десятками лет работают. Сальник у меня обычный резиновый если что
Андрей751 Опубликовано 24 ноября, 2020 Опубликовано 24 ноября, 2020 10 часов назад, Юнга сказал: Пока ты мечтаешь - люди делают. Конечно вызывает сомнение способ уплотнения приводного вала, думаю, долго не проживёт. К этой конструкции нужно добавить плотный герметичный металлический колпачек на двигатель. И не ужен вакуумный ввод вращения...
moroz-85 Опубликовано 24 ноября, 2020 Опубликовано 24 ноября, 2020 16 часов назад, POLE сказал: видео месячной давности памяти погибшим попугаям домашним животным посвящается 2
POLE Опубликовано 24 ноября, 2020 Автор Опубликовано 24 ноября, 2020 16 часов назад, Андрей751 сказал: тип и размер трубки ф7х3мм. Мне сказали, что этот умелец сделал перист.насос в вакуумном исполнении на 70 л/час! 20 минут назад, moroz-85 сказал: памяти погибшим попугаям домашним животным посвящается не думаю. Схема с вак.спиртометром и приемной вак емкостью надежная как пирамида. перист.насос хоть и мерседес, но ломается. Аналогично вак. авт. шлюз. Все схемы будут эксплуатироваться долго в равной мере, потому что у всех разные возможности, техника и предпочтения. Как ни крути но применение перист.насоса во многом определяется фактором снижения нагрузки на вак.насос. Если вак.насос надежный и не парит его частое включение, то вполне можно работать с авт.вак. шлюзом. У него широкий диапазон не требующий регулировки производительности дистиллята. Перист. насос требует перенастройки по производительности при переходе с отбора голов на отбор тела. Ну и самое неприятное - износ трубки, что приводит к остановке процесса. Надежных методов определения максимально возможного износа трубки (до момента) прорыва пока нет. Все визуально. Но микродырку в трубке не видно. Менять трубку перед каждым перегоном не выход. Так что вак.спиртомер и вак.приемная емкость пока самое надежное решение. Что касается натечек через трубки и соединения, то это вечная проблема, которая должна решаться не заменой устройств, а заменой самих трубок и их соединений на более надежные.
Юнга Опубликовано 24 ноября, 2020 Опубликовано 24 ноября, 2020 (изменено) 2 часа назад, POLE сказал: Ну и самое неприятное - износ трубки, что приводит к остановке процесса. Надежных методов определения максимально возможного износа трубки (до момента) прорыва пока нет. Все визуально. Но микродырку в трубке не видно. Менять трубку перед каждым перегоном не выход. У меня по разному трубки изнашиваются, да и трубки применяю всё время разные, какие купил на рынке, такие и засунул в насос, а не те которые хотелось бы(нет физической возможности). Но, так или иначе в среднем 30-50л дистиллята откачиваю на одном кусочке 235 мм длиной от вакуумпровода от а/м ВАЗ(8х4мм)-120руб/шт. Из одного вакуумпровода - 3 кусочка такой длины получается. Попадаются, такие трубки, которые и 10литров дистиллята не выдерживают, а бывают что и 60литров ходят. У меня крышка на перистальтической камере прозрачная(оргстекло) и перед тем как образуется прорыв в трубке крышка начинает запотевать - верный признак, что трубку надо менять, я так и делаю, но приходится периодически посматривать. Остановка происходит безболезненно для процесса - просто перекрывается шаровый кран на всасывающем трубопроводе насоса и на подключении вакуума(вся система остаётся под вакуумом), и в течение 5минут меняется трубка - и снова в бой. Изменено 24 ноября, 2020 пользователем Юнга
POLE Опубликовано 24 ноября, 2020 Автор Опубликовано 24 ноября, 2020 51 минуту назад, Юнга сказал: в среднем 30-50л дистиллята откачиваю на одном кусочке маловато. Хотя бы в 10 раз больше увеличить ресурс.
den45 Опубликовано 24 ноября, 2020 Опубликовано 24 ноября, 2020 4 часа назад, POLE сказал: Перист. насос требует перенастройки по производительности при переходе с отбора голов на отбор тела. Я вообще планирую поставить буферную ёмкость с поплавком перед насосом,что бы он не маслал всю дорогу.
POLE Опубликовано 24 ноября, 2020 Автор Опубликовано 24 ноября, 2020 17 минут назад, den45 сказал: планирую поставить буферную ёмкость с поплавком перед насосом,что бы он не маслал всю дорогу. Так Иван из Екатеринбурга сделала. В последних четырех установках (ММЦ+Конденсатор) я сделал автоматическое включение/отключение перист насоса и/или эл.м клапана по срабатыванию поплавка в уровнемере у ММЦ. Отбор голов перист насосом с регулировкой скорости вручную. Отбор тела у на прямотоке тоже с регулировкой. Отбор тела при укреплении на ММЦ по срабатываю поплавка. Можно конечно навесить несколько трубок и тройников, что бавести на попл уровнемер отбор и голов и тела 1 по срабатыванию. Либо ставить отдельную емкость с поплавком на перист.насос. Но маслать ему постоянно точно вредно.
Юнга Опубликовано 24 ноября, 2020 Опубликовано 24 ноября, 2020 (изменено) 2 часа назад, den45 сказал: Я вообще планирую поставить буферную ёмкость с поплавком перед насосом,что бы он не маслал всю дорогу Я так и сделал(поплавковая камера) - всё ОК. 1 час назад, POLE сказал: Но маслать ему постоянно точно вредно. Стоять насосу не менее вредно. При длительном простое насоса ролики постоянно пережимают трубку в одном и том же месте и она быстро после этого рвётся в этих местах(опыт есть). Я при длительном простое(сутки и более) - три ролика демонтирую, чтобы избежать невозвратных деформаций стенок трубки. А маслать насосу всё равно придётся, поскольку задачу по выкачиванию дистиллята из вакуума в атмосферу никто не отменял, просто поплавковая камера позволяет исключить холостой пробег насоса. Я не делал поплавковую камеру большого объёма, чтобы избежать переиспарений временно находящегося там дистиллята, два геркона позволяют изменять объём от 1мл до 200мл - пока остановился на 50мл. В режиме прямотока насос практически всё время работает(обороты подбираю), а в режиме укрепления -периодически, при достижении температуры паров на входе в конденсатор заданной величины. 3 часа назад, POLE сказал: маловато. Хотя бы в 10 раз больше увеличить ресурс. Можно, наверное, но трубка будет стоить как у @moroz-85 -1000руб/метр, т.е если такую трубку засунуть в мой насос, то примерно одна заправка будет стоить:1000мм/235мм=4шт; 1000руб/4шт=250руб/шт(получается в 8раз дороже чем у меня). У меня сейчас стоимость трубки на одну заправку насоса - 120руб/3шт=40руб/шт, а удельные расходы на литр дистиллята приблизительно =40руб/(40-50)л=1-0,8руб/литр. Думаю, что это немного Изменено 24 ноября, 2020 пользователем Юнга
Юнга Опубликовано 24 ноября, 2020 Опубликовано 24 ноября, 2020 (изменено) 21.11.2020 в 21:05, Юнга сказал: Думаю, что в качестве центрального вытеснителя для линейного перистальтического насоса нужно использовать камеру с гибким мембранным вытеснителем. Из куска швеллера №12 и старого бензонасоса ВАЗ2107 соорудил камеру с гибким мембранным вытеснителем. Из бензонасоса демонтировал впускной клапан, механизм толкателя и механизм для ручной подкачки топлива, камеру прикрутил к куску швеллера. В швеллере профрезеровал отверстие диаметром 49мм, плоскости под прилегание мембраны отшлифовал, просверлил отверстия нарезал резьбу, собрал до кучи и опрессовал. Определил ход штока(мембраны) бензонасоса - 3мм, зазор приемлемый для создания электромагнита. Завтра буду определять фактические усилия для растягивания мембраны под вакуумом и объём вытесняемой жидкости за один цикл. Расчётные усилия по растягиванию мембраны под вакуумом составили 19кг=190Н. Изменено 24 ноября, 2020 пользователем Юнга
Юнга Опубликовано 25 ноября, 2020 Опубликовано 25 ноября, 2020 (изменено) 24.11.2020 в 19:45, Юнга сказал: Завтра буду определять фактические усилия для растягивания мембраны под вакуумом и объём вытесняемой жидкости за один цикл. Расчётные усилия по растягиванию мембраны под вакуумом составили 19кг=190Н. Сегодня собрал небольшой стенд для определения усилий для растягивания мембраны под вакуумом(видео). Абсолютное давление внутри камеры во время проведения опыта: 98,8-93,5=5,5кПа. Фактическое усилие на растягивание мембраны при давлении в камере 5,5кПа составило 15кг=150Н. Определил объём камеры бензонасоса - 20мл, за один цикл растяжения мембраны из камеры вытесняется Vц = 5мл жидкости. Таким образом, прикладывая усилие 150Н к мембране мы можем вытеснить 5мл жидкости, если сравнить результаты с предыдущим моим опытом по определению усилий при пережимании трубки вытеснителем прямоугольного сечении, то аналогичные усилия нужно было приложить к вытеснителю длиной 60мм, но при этом из трубки было бы вытеснено за цикл 0,75мл жидкости, что в разы меньше чем из камеры с гибкой мембраной 5/0,75=6,6раза. Если предположить, что время цикла мембранного вытеснителя tц =1с, то производительность такого насоса может составить Q=Vц *tц *3600=18000мл/час. По моему это неплохая производительность, но чтобы её достичь нужно решить вопрос с приводом мембраны и синхронизацией работы клапанов. Наиболее простой вариант привода мембраны это электромагнит, вариант более дорогой и сложный - это мотор редуктор с регулировкой оборотов. Думаю попробовать использовать в качестве привода мембраны втягивающую катушку бендикса от стартера автомобиля. Ожидаемые усилия 130-140Н. Буду завтра пытаться. Изменено 25 ноября, 2020 пользователем Юнга
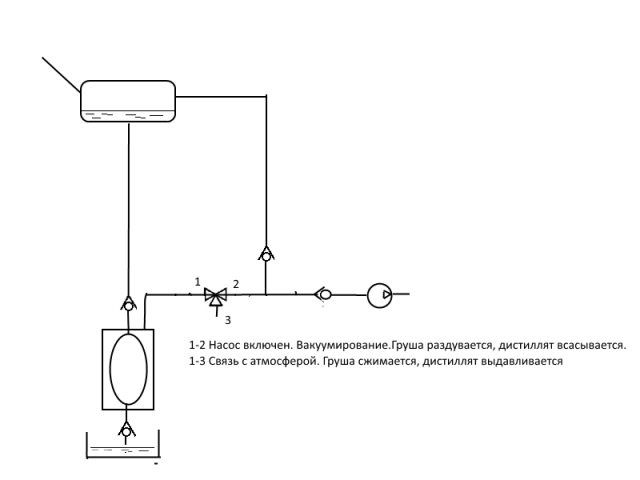
serv Опубликовано 25 ноября, 2020 Опубликовано 25 ноября, 2020 @Юнга у меня с мембранным вытеснителем другие ассоциации.. Примерно такая схема: 19.11.2020 в 23:18, asmel сказал: Удивляюсь на ваши дорогостоящие извращения.
Юнга Опубликовано 25 ноября, 2020 Опубликовано 25 ноября, 2020 7 минут назад, serv сказал: меня с мембранным вытеснителем другие ассоциации.. Ты хочешь в качестве привода гибкой мембраны использовать вакуумный насос поддерживающий разрежение в системе? Можно, спору нет, но тогда давление в системе будет скакать, а мы всё время стремимся его стабилизировать в диапазоне +/- 0,1 кПа, кроме того вакуумный насос будет практически всё время работать. Ну и о вытесняемом объёме жидкости за цикл хотелось бы узнать поподробней. Чтобы не скакало давление я бы отказался от трёхходового электроклапана и заменил бы его несколькими полнопроходными, расставив их на схеме таким образом, чтобы на время откачки воздуха из области расположенной снаружи груши и выдавливания жидкости из неё, вся система была бы изолирована и давление не колебалось бы в это время. Что хотелось бы ещё отметить, что груша в качестве приёмной ёмкости не совсем то, что надо, поскольку не имеет формы при равных давлениях по обе стороны стенки - ведь после выдавливания из неё жидкости она практически слипнется и что то должно её заставить расправится для приёма дистиллята, иначе после уравнивания давлений снаружи и изнутри она так и не расправится.
EVlzh69 Опубликовано 26 ноября, 2020 Опубликовано 26 ноября, 2020 (изменено) 9 часов назад, Юнга сказал: но тогда давление в системе будет скакать, там клапана на схеме. От заполнения атмосферн. давлением "шлюзового объёма" давление в кубе не зависит. @serv Текущее предложение неработоспособно. Ппроблема в груше. Вернее в её невозможности сжиматься до нулевого внутреннего объёма. Пока она наполнится дистиллятом и начнёт нормально раблотать закончится погон ) . Надо думать над усовершенствованием. . Изменено 26 ноября, 2020 пользователем EVlzh69
Юнга Опубликовано 26 ноября, 2020 Опубликовано 26 ноября, 2020 31 минуту назад, EVlzh69 сказал: От заполнения атмосферн. давлением "шлюзового объёма" давление в кубе не зависит. 33 минуты назад, EVlzh69 сказал: там клапана на схеме. К сожалению, клапана на схеме не пронумерованы, поэтому мы можем по разному трактовать своё видение схемы, но если говорить о клапанах как об изделиях,а не об идеальных элементах схемы, то у них есть время срабатывания и оно может быть разным, поэтому для синхронизации срабатываний лучше иметь электрически управляемые клапана. Кроме того клапан расположенный над грушей должен быть полнопроходным. А вообще то, схема при точном соблюдении соблюдении расположения сосудов по вертикали, будет работать и без груши -это просто будет обыкновенный шлюз, ничего выдавливать не надо, жидкость вытечет из него самотёком. 1 час назад, EVlzh69 сказал: проблема в груше. Вернее в её невозможности сжиматься до нулевого внутреннего объёма. Согласен, жёсткий сосуд с одной деформируемой стенкой в виде мембраны лучше - из него удалиться только какая то часть жидкости, но форму он при этом не теряет.
serv Опубликовано 26 ноября, 2020 Опубликовано 26 ноября, 2020 10 часов назад, Юнга сказал: груша в качестве приёмной ёмкости не совсем то, что надо, поскольку не имеет формы при равных давлениях по обе стороны стенки Груша имеет форму при равных давлениях по обе стороны стенки). А именно, форму груши)). И имеет упругость стенок, на этом и основана работа в отнулевом цикле. Иначе атмосферное давление не даст вытеснить жидкость через нижний клапан. Так что никакого самотека при приемлемой высоте столба жидкости)) Поскольку ресурс у нас- вакуумный насос, то он и применен для откачивания дистиллята. Был бы компрессор, то отнулевой цикл можно основать на сжатии груши, никаких переделок. Если переключаться между насосом и компрессором (сжатие-растяжение груши), то тогда да, упругость стенок не имеет значения. И выжимаемый объем будет больше, если есть такая цель. 8 минут назад, Юнга сказал: клапан расположенный над грушей должен быть полнопроходным Я чето думаю, что по барабану, давление столба жидкости откроет его в любом случае, под ним же давление ниже, но лучше, да, быстрее груша наполнится. 1 час назад, EVlzh69 сказал: Проблема в груше. Вернее в её невозможности сжиматься до нулевого внутреннего объёма А зачем до нулевого? 22 минуты назад, Юнга сказал: клапана на схеме не пронумерованы, поэтому мы можем по разному трактовать своё видение схемы Вроде обычное обозначение обратного клапана...
EVlzh69 Опубликовано 26 ноября, 2020 Опубликовано 26 ноября, 2020 2 минуты назад, serv сказал: А зачем до нулевого? 1 час назад, EVlzh69 сказал: Пока она наполнится дистиллятом и начнёт нормально раблотать закончится погон ) я конечно утрирую, но 200 -300 мл. вполне возможно будет зависать. Это я о стандартном расширительном бачке для воды на 24 литра.
serv Опубликовано 26 ноября, 2020 Опубликовано 26 ноября, 2020 1 минуту назад, EVlzh69 сказал: на 24 литра. Я такое даже в своих фантазиях не представлял)) 0,5 л банка, ну до литра... И ~100 мл выжимаегого дистиллята за цикл. А 24л бачок или больше с мембраной можно применить для вакуумирования системы, если насос чувствителен к проскоку паров..Так же, циклично
EVlzh69 Опубликовано 26 ноября, 2020 Опубликовано 26 ноября, 2020 2 минуты назад, serv сказал: 0,5 л банка, ну до литра... И ~100 мл выжимаегого дистиллята за цикл и где ты такой расширительный бачёк найдёшь ?
POLE Опубликовано 26 ноября, 2020 Автор Опубликовано 26 ноября, 2020 52 минуты назад, Юнга сказал: просто будет обыкновенный шлюз, ничего выдавливать не надо, жидкость вытечет из него самотёком. 33 минуты назад, serv сказал: тмосферное давление не даст вытеснить жидкость через нижний клапан. Так что никакого самотека при приемлемой высоте столба жидкости)) Интересный шлюз. В качестве материала груши можно использовать тонкостенный силиконовый шланг большого диаметра или любое другое изделие из медицинского силикона (типа шарика, плоского под атмосферным давлением). В вакууме он расправится и заполнится под давлением столба жидкости, когда откроется верхний клапан на линии дистиллята. Износа практически никакого. Вопрос в работе клапанов. Лучше обойтись без эл.механики. Опыт автомат. вак шлюзов показывает, что при фильтрации дистиллята обратные клапаны работают безотказно.
serv Опубликовано 26 ноября, 2020 Опубликовано 26 ноября, 2020 21 минуту назад, POLE сказал: В качестве материала груши можно использовать тонкостенный силиконовый шланг большого диаметра У меня есть примерно такое изделие, называется "чудо-шланг", он хоть и раздувается до небольшого диаметра (ограничен оболочкой), зато хорошо удлинняется. Привезу из сада, испытаю. Ну или спринцовку пластизолевую, только хз, как она со спиртом взаимодействует. 33 минуты назад, POLE сказал: Лучше обойтись без эл.механики По крайней мере, на 1 этапе не планировал. Недоступный ресурс. Есть двухпроходной сантехнический кран, его и хочу использовать для переключения вакуум-атмосфера. Вот если автоматизировать, тогда да, надо подумать. 1 час назад, EVlzh69 сказал: 1 час назад, serv сказал: 0,5 л банка, ну до литра... И ~100 мл выжимаегого дистиллята за цикл и где ты такой расширительный бачёк найдёшь ? У меня банок пол-литровых и литровых море, они еще и освобождаются) И крышка сухопарника с двумя штуцерами есть, незадействованная. Банку перевернуть, клапана подключить через один штуцер и тройник, через второй штуцер вакуум. Как то так..
Юнга Опубликовано 26 ноября, 2020 Опубликовано 26 ноября, 2020 (изменено) 4 часа назад, serv сказал: Поскольку ресурс у нас- вакуумный насос, то он и применен для откачивания дистиллята. Моторесурс вакуумного насоса не безграничен, поэтому лично я стремлюсь его экономить, добиваясь как можно меньшего времени его работы при перегоне, потому и хочу задействовать для выжимания жидкости моторесурс втягивающей катушки бендикса с якорем и пружиной(цена на разборке 300руб) и ресурс бензонасоса ВАЗ(250руб на разборке). 4 часа назад, serv сказал: Я чето думаю, что по барабану, давление столба жидкости откроет его в любом случае, под ним же давление ниже, но лучше, да, быстрее груша наполнится. Зря ты так думаешь, года три назад(ещё до создания перистальтического насоса) я пытался осуществить отбор дистиллята через электрически управляемый клапан 1/4"(или 3/8" - не помню. а мерить идти в гараж не охота), давление по обе стороны клапана было одинаковое и столб дистиллята над ним 500мм, но скорость протекания жидкости через него была мизерной - его запирало или процесс шёл покапельно и в результате я отказался от его использования, сделал насос. Изменено 26 ноября, 2020 пользователем Юнга
Рекомендуемые сообщения
Для публикации сообщений создайте учётную запись или авторизуйтесь
Вы должны быть пользователем, чтобы оставить комментарий
Создать аккаунт
Зарегистрируйте новый аккаунт в нашем сообществе. Это очень просто!
Регистрация нового пользователяВойти
Уже есть аккаунт? Войти в систему.
Войти