ванечка Опубликовано 5 февраля, 2016 Опубликовано 5 февраля, 2016 (изменено) тема создана для обсуждения собственных конструкций непрерывных колонн и вариантов узлов . Изменено 6 февраля, 2016 пользователем ванечка 1
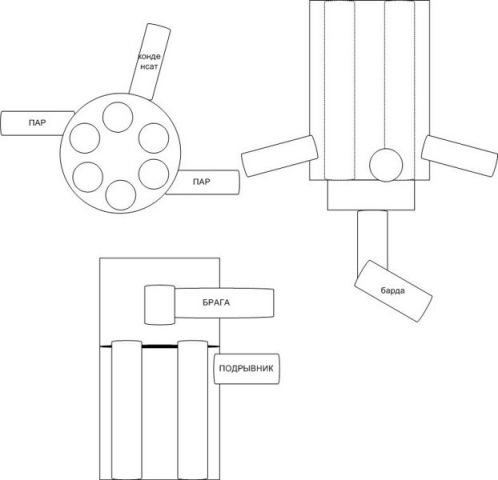
ванечка Опубликовано 6 февраля, 2016 Автор Опубликовано 6 февраля, 2016 (изменено) итак коллеги, небольшой отчет практически в хронологическом порядке о том как экспериментировали с непрерывной колонной работающей по принципу пленочного кипения (выпаривания) браги на стенках вертикального многотрубника. мой корявый эскиз для Алексея какие примерно железки нужно найти на складе чтоб собрать колонну что нам может понадобиться (вариант когда пар еще хотели вверх вводить) не менее шедевральный эскиз выложенный парторгом в теме. ответ на вопрос "а что там внутри колонны?" верх колонны нижняя часть рассказывает alexeyT29 Окт 2015г.да с Ванечкой решили НБК доделать... валяется третий год... Коля ругается!доделал доску. Ф39.8 мм, 4 отв х ф15. практически ювелирка.... 05 Ноя 2015г.1. непрерывный пароген в виде тепловой гравитационной трубки. РАБОТАЕТ !2. НБК с нагревом глухим паром. РАБОТАЕТ.3. НБК в виде КТ. РАБОТАЕТ. но нужно подбирать трубки, режимы и т.д.4. установка шампуров ухудшила отжим5. даже при 2.5 квт и подачей 30 л в час никаких происшествий... только отжим не полный 05 Ноя 15 вот, "гениальное" произведение, крышка от НПГ для глухого пАра... 06 Ноя 2015г берем КТ, внешняя труба ф42, внутри 4 х ф15отличие от обычного -вверху 2 трубки для входа пАра, чтобы он лучше распределялсяна верхнюю трубную доску льем брагу.сверху прикручен обычный деф с димротомпар поступает со скороварки.нагревает трубки, конденсируется и стекает обратно в скороварку. НПГ, типапленка браги течет внутри трубок ф15, нагревается, отдает спиртвнизу трубы стоит заглушка с трубкой отвода бардына старте , при начале нагрева, давление в нпг сильно поднимается, если воздух не стравитьманометр3 термометра, перед дефом, на выходе барду и на входе пАра в трубууж и не знаю, что еще писАть...по мне - тривиальнону, кроме НПГ... пароген - как в аптеке, пашетналил 5 л воды - и все, бесконечный цикл...пар-конденсация-слив это был первый вариант Ф42 4 трубки Ф15 с шампурами внутри, и без них (частично разобрав колонну вытащили шампуры) не показал хороших результатов и колонна была разобрана полностью для переделки. доложу о НБК с с АПГвпаял 7 трубок ф10подача пАра снизу не прокатила... не предусмотрел сброс в верхней точке. давление до 300 мм дошло, выключилподача сверхупри 1 квт, примерно, эта хрень отжимает 6-7 литров до 0.5 в бардедумаю, трубок многовато воткнул3я итерация - 5 трубок воткнуна 2 квт и подаче 14 л недоотжим. ессно...НБК сейчас примерно так выглядит.. кусками показал, низ-верх самая нижняя трубка, где минимальный диаметр, для слива конденсата водывыше, сантима на 3-4, тангенциально и под углом вверх 2 трубки , диаметрально.наверху - трубка сброса пАра 15 Ноя 2015г.переделал на подачу пАра снизуэто ПЦ....61% в струе, сс 9%отжим до 0.5-0.8%дошел до 20 л в час.... 2.5 кило, ТП не считал, скороварка не утеплена. думаю, не менее 500 ваттдумаю, для ф42х1 это пределинтересно, на ф100 сколько будет? литров 100-120 ?эх, киловаттов мало...на 2 квт и подаче 20 л в час вышло 45% и в барде 0.36%....я в АКУЕ.... 75 см ф42, 6 трубок, скороварка АНПГ (автономный непрерывный парогенератор) без внешней подпитки, то есть непрерывный, в том понимании, что сколько испарилось столько и вернулось. залил объем воды и он крутится в колонне и парогенераторе (пар-жидкость). работа колонны (это какой то из промежуточных вариантов конструкции, по диаметрам трубок. вроде десятки. точно не помню) https://www.youtube.com/watch?v=r4gSeshX-U0 первый запуск БКП перевернутого в качестве НБК https://www.youtube.com/watch?v=otv4c7SLOgI выводы о работе https://www.youtube.com/watch?v=-U43Vm_xgQQ попробовали водрузить на пленочную НБК модуль Линас для параллельного отбора голов. собственно коментарий Алексея по поводу и видео. сборка НБК Ванечкина, ф42 + голова Никсона + КТ ф42х500, трубки ф6 брага сахарная. ПТН = азеотроп ЭА+вода напомню, в прошлый раз систему колбасило из-за неудачного узла отбора, через рюмку часть флегмы возвращалась на НБК, а она этого не любит... Итак, вначале нагрели и подали воду. все стабилизировалось. как обычно, за 2-3 минуты подали брагу, еще 5 минут на подбор параметров. с УО потекло тело.... ПТН беснуется, а голов - опять НЕТ !! отжали литров 10 браги . Останов. замена ПТН на головы. нагрев , стабилизация... Потекло с КТ....УРААА ??!! - ХЕРв жопу, Т*С над КТ=78.2*с, тело идет 900 мл/час, 45%, а "головы" = 300 мл/час, 92% потери колоссальные.... понятно. что ПТН подбирать надобно, чтобы Т*с над КТ была менее 77.5*с..... оно бы, может , и ХЕР да только подозрения возникли, уж слишком стабильно все работало, невзирая на изменения мощности нагрева и подачи... отбор - практически НЕИЗМЕНЕН, никакого барботажа.. ну, я и отжал барду в кубе, пока Ванечка с О.Н. в нарды рубился... ПЦ... 2.2% АС.... НЕВЗИРАЯ на давление пАра, Т*с пАра и абсолютного спокойствия НБК....(барботажа нет. выстрелов в насос нет. выстрелов барды тоже НЕТ...) короче, ДВОЙНОЙ облом.... Шоу продолжается.... https://www.youtube.com/watch?v=eB00BGMT27Y ну и о неприятном моменте который имел место быть... оказалось, что я и Алексей наглые плагиаторы, мало того, воры. человек пришел в тему Алексея на ХД с таким громким заявлением... комментировать которое не вижу смысла. S66 все идеи спёрты у меняalexeyT, если уж прёшь мои идеи, то хоть бы с Ванечкой ссылки выкладывали. И ещё одно, если уж что-то делаешь, то делай лучше оригинала. Изменено 31 июля, 2016 пользователем ванечка 4
alexeyT Опубликовано 6 февраля, 2016 Опубликовано 6 февраля, 2016 на данный момент есть 2 таких НБК у Ванечки. боевой экземпляр. Тот, что в кино.. 75 см, ф8-10 и у Синичка. 50 см, те же трубки 8-10
ванечка Опубликовано 6 февраля, 2016 Автор Опубликовано 6 февраля, 2016 (изменено) я хотел добавить. мы не смогли создать аварийную ситуацию на этих колоннах. при запредельной для нее подаче (что то около 30-35л) просто идет пролив ни о каком захлебе речи не шло, главное чтоб трубка слива барды справилась при прекращении подачи браги идет рост давления в рубашке и срабатывание подрывника вот и все. колонну очень просто вывести в режим. нет плясок как с тарельчатыми, нужно просто прогреть. в общем я был впечатлен насколько все не сложно. на сильно пенящемся материале (пиво) возможен выброс с пеной вверх в дэф-р если превышен порог количества которое колонна сможет переварить. высокоспиртуозный материал перегнать не получилось, идут потери с бардой. Изменено 6 февраля, 2016 пользователем ванечка 1
alexeyT Опубликовано 6 февраля, 2016 Опубликовано 6 февраля, 2016 [member=ванечка], коль, был захлеб капитальный пока трубки ф6 не убрали...
ванечка Опубликовано 6 февраля, 2016 Автор Опубликовано 6 февраля, 2016 [b][member=alexeyT][/b], не. ну то был БКП. заранее было понятно. просто предел нашли и все
olegmak3 Опубликовано 6 февраля, 2016 Опубликовано 6 февраля, 2016 Очень познавательно. Особенно ПГ. Спасибо.
alexeyT Опубликовано 6 февраля, 2016 Опубликовано 6 февраля, 2016 [member=olegmak3], Привет старослужащим! там один ньюанс, трубка возврата должна ниже уровня жидкости в скороварке быть
ванечка Опубликовано 6 февраля, 2016 Автор Опубликовано 6 февраля, 2016 Особенно ПГ там все просто. сколько испарилось, столько и вернулось.но такой режим работы ПГ только для подобной "замкнутой" системе подходит. хоть неделю на трех литрах воды будет работать (утрирую). трубку возврата в "холодную зону" ПГ до дна. 1 1
olegmak3 Опубликовано 7 февраля, 2016 Опубликовано 7 февраля, 2016 (изменено) Да, я все понял. Идея понравилась. Но колонна уже есть. Тут изготовил вихревой воздухоотводчик. (для дегазациии браги перед подачей в колонну) Испытаю-отпишусь в твоей теме,если не против... Поправил. Изменено 8 февраля, 2016 пользователем olegmak3
ванечка Опубликовано 7 февраля, 2016 Автор Опубликовано 7 февраля, 2016 изготовил вихревой воздухоотводчик не очень понятно, что это покажешь, разберемся. интересно. зы тема не моя, общая. просто веду
синичек Опубликовано 9 февраля, 2016 Опубликовано 9 февраля, 2016 кароче так на кастратеше 50см дела обстаят так перепаял узел подачи браги вижу их всего 2 варианта первый подачу производить через трубку возврата дефа тока делается чуть длинней конец зажимается наглухо засверливаются мелиметровым сверлом отверстия чтобы получить душ разбрызгивает поинтересней при запукске посмотрим второй вариант прям на кт в фитенге засверливается отверстие деаметром той трубке по каторой подача далее делается колцо из из этой трубке так чтобы оно было точно над раструбами также засверливаются отверстия второй конец трубки плющится фотки чуть позже
ванечка Опубликовано 9 февраля, 2016 Автор Опубликовано 9 февраля, 2016 [member=синичек], лучшее враг хорошего. мудрить нет смысла. если нет возможности направить в центр доски просто на стенку лей. вроде этого [attachment=4201:eee.jpg] 1
синичек Опубликовано 10 февраля, 2016 Опубликовано 10 февраля, 2016 [b][member=ванечка][/b], вот именно прсто еше кольцо вокруг стенок с засверленными отверстиями
шинкарь Опубликовано 19 февраля, 2016 Опубликовано 19 февраля, 2016 (изменено) на 2 квт и подаче 20 л в час вышло 45% и в барде 0.36%.... я в АКУЕ.... 75 см ф42, 6 трубок, скороварка АПГ Поясните пожалуйста для гуманитариев: 1. Труба ф42 - диаметр 42 ясно. 2. Длина 75 см. 6. Трубки - 6 шт. А какой диаметр? 7. Скороварка АПГ. Что есть АПГ? Принцип работы понятен. Это более-менее окончательный вариант (ну для квартиры )? если нет возможности направить в центр доски просто на стенку лей. Чтобы заливалось равномерно во все трубки они должны выступать над доской на одинаковую высоту. Литься будет прям по стенкам трубок, как и надо. Сейчас поставил стакан в кастрюлю и начал заливать воду - довольно наглядно. Что думаете? Изменено 19 февраля, 2016 пользователем шинкарь
alexeyT Опубликовано 19 февраля, 2016 Опубликовано 19 февраля, 2016 (изменено) [member=шинкарь], 1. ф42х1, медь 6. трубки 2х диаметров. ф10х1 около 50 см и ф8х1, около25 смс. снизу - ф8 7. ХЗ почему Коля НПГ назвал АПГ... в скороварке - нержовый ТЭН на 1 квт, + индукционка 1550 ватт максимум похоже, что система самостабилизируется. нагретые извне паром трубки выпаривают спирт с браги. Меньше спирта - больше затекает и наоборот для равномерности подачи пАра на трубки сделаны 2 входа - диаметрально и под углом немного(тангенциально). под ними - трубка слива конденсата обратно в скороварку Изменено 19 февраля, 2016 пользователем alexeyT 1
ванечка Опубликовано 19 февраля, 2016 Автор Опубликовано 19 февраля, 2016 (изменено) 7. ХЗ почему Коля НПГ назвал АПГ... потому, что он не "непрерывный" в обычном понимании... вроде как "АВТОНОМНЫЙ" (без внешней подпитки) то есть непрерывный, в том понимании, что сколько испарилось столько и вернулось. залил объем воды и он крутится в парогенераторе. обсуждали уже.... Чтобы заливалось равномерно во все трубки они должны выступать над доской на одинаковую высоту все верно. примерно на одинаковую высоту. Изменено 19 февраля, 2016 пользователем ванечка 1
alexeyT Опубликовано 20 февраля, 2016 Опубликовано 20 февраля, 2016 [b][member=ванечка][/b], вспомнил... было но тогда уж логичнее - АНПГ
ванечка Опубликовано 20 февраля, 2016 Автор Опубликовано 20 февраля, 2016 [b][member=alexeyT][/b], поправил. 1
sia Опубликовано 20 февраля, 2016 Опубликовано 20 февраля, 2016 Спасибо за тему. Планирую повторить, но в контур парогенератора, на верхнем выходе из КТ, собирался вставить дополнительный конденсатор по кулибинсам, который сейчас у меня у КТ ПТН охлаждает. Именно во избежание избыточного давления в контуре ПГ... или что то не то придумал? Я так понимаю в вашей схеме вся конденсация пара происходит только в КТ. Осторожно! Мысли автора могут не совпадать с его мнением или временно отсутствовать...
alexeyT Опубликовано 20 февраля, 2016 Опубликовано 20 февраля, 2016 не то придумал давление есть. и с его помощью ты поднимаешь Т. иначе отжим будет слабый....
sia Опубликовано 20 февраля, 2016 Опубликовано 20 февраля, 2016 И какие давление - температура? сорри, видео если там про это говорили, посмотреть не могу, интернет слабый. Эффективность отжима не повышая давления, ведь можно компенсировать удлинив КТ? Осторожно! Мысли автора могут не совпадать с его мнением или временно отсутствовать...
ванечка Опубликовано 20 февраля, 2016 Автор Опубликовано 20 февраля, 2016 Именно во избежание избыточного давления в контуре ПГ Алексей в принципе ответил.добавлю, избыточное давление только на прогреве или если брага по какой либо причине не поступает в колонну. на старте для сброса и нужен клапан или в ручную. далее во время работы есть рабочее давление для поддержания t . какие давление у нас было около 50 по тонометру
alexeyT Опубликовано 20 февраля, 2016 Опубликовано 20 февраля, 2016 (изменено) [member=sia], нуда, обсуждение ж в экспериментах осталось.... короче, даже если пар будет 100*с, то через трубочку нагреть бражку дл 100*с не удастся. Аксиома. не нагрел - получи плохой отжим. поэтому мы держали от 50 до 100 мм рт ст. Оно само устанавливалось ВАЖНО ! сверху про трубочку не забудь, давление стравливать... и на старте воздух выпустить Изменено 20 февраля, 2016 пользователем alexeyT 1
slava-61 Опубликовано 20 февраля, 2016 Опубликовано 20 февраля, 2016 колонну очень просто вывести в режим. нет плясок как с тарельчатыми, нужно просто прогреть. в общем я был впечатлен насколько все не сложно. Николай, а какие пляски и сложности с тарельчатой колонной? Я пробовал в закрытой, есть не удобства, в стекле вообще нет проблем, настроил и все 6-8 часов без перерыва с полным отжимом на выходе, что 10 что 25 л в час, было до 30, ну тут уже на пределе. По давлению, не превышаю 20 см и нет захлёба на протяжении всего процесса. - Собери три флуда,два мата,одно оскорбление модератора и получи Золотой Бан по IP.
Рекомендуемые сообщения
Для публикации сообщений создайте учётную запись или авторизуйтесь
Вы должны быть пользователем, чтобы оставить комментарий
Создать аккаунт
Зарегистрируйте новый аккаунт в нашем сообществе. Это очень просто!
Регистрация нового пользователяВойти
Уже есть аккаунт? Войти в систему.
Войти