AlexVv78 Опубликовано 8 октября, 2018 Опубликовано 8 октября, 2018 У меня ну 42 мм трубе, с РПН, 800 чистыми и отбор за 700. Разница сечений 1,44, такая разница в отборе - обидно 800*1,44 = 1152 Вт 700*1,44 = 1008 мл/час Вроде все сходится... Или я ошибаюсь?
Антел Опубликовано 8 октября, 2018 Автор Опубликовано 8 октября, 2018 [b][member=AlexVv78][/b], Я не максимум из трубы выжимаю, ну и подход в расчете может быть ошибочным, не совсем уж линейная зависимость... :pardon:
AlexVv78 Опубликовано 11 октября, 2018 Опубликовано 11 октября, 2018 Что ж эксперимент провел. Результат считаю неудовлетворительным. 18 л СС крепостью 37%. СПН 8 медная, 42 см. Труба 50 мм. Мощность 1350 Вт грязными (1100 чистыми). Отбор 850, 950, 1050 мл/час. Крепость сразу по АСП-3 96, 95,5, 95. 94% смог получить только при отборе 1350 мл\час. Вкуса винограда нет. В прошлом году получилась отличная чача на 60 см СПН 5. Мощность 1250 Вт, отбор под 1800 мл/час. ШИМ устанавливал 90% на своей автоматике.
alexeyT Опубликовано 11 октября, 2018 Опубликовано 11 октября, 2018 [b][member=AlexVv78][/b], эксперимент некорректный. СОВСЕМ нужно было брать исходник единый и сранивать... и КРИТЕРИИ сравнения обозначить....
7721 Опубликовано 11 октября, 2018 Опубликовано 11 октября, 2018 нужно было брать исходник единый и сранивать . 18 л СС крепостью 37%. Лех.так вот он исходник то,но отогнан на разных режимах. В итоге все вырезано и обезличенно,коллега и пишет об этом
alexeyT Опубликовано 11 октября, 2018 Опубликовано 11 октября, 2018 (изменено) [b][member=7721][/b], Дядя.... В прошлом году Изменено 11 октября, 2018 пользователем alexeyT
7721 Опубликовано 11 октября, 2018 Опубликовано 11 октября, 2018 [b][member=AlexVv78][/b], Че то вы меня пугаете ....240л яблобраги бродят,есть идеи но тока практикой опровергну или докажу :good: Если так судить то да не корретно,там и царга другая с наполнителем.
alexeyT Опубликовано 11 октября, 2018 Опубликовано 11 октября, 2018 [b][member=7721][/b], Илья, Алекс писАл, что в прошлом году - ПОЛУЧИЛАСЬ. а в этом - херня.... я про это.... сорт другой. виноград лучше/хуже вызрел и т.д и т.п. низзя сравнивать. не имея точки отсчета... 3
7721 Опубликовано 11 октября, 2018 Опубликовано 11 октября, 2018 (изменено) [member=alexeyT], Леш,понял я все,может она у него еще раскроется во вкусе? Вроде такое бывает при выдержке.... Изменено 11 октября, 2018 пользователем 7721
alexeyT Опубликовано 11 октября, 2018 Опубликовано 11 октября, 2018 (изменено) [member=7721], да всякое бывает... просто НЕ указана спиртуозность прошлогоднего образца... а за критерий выбрано - пахнет/не пахнет виноградом... Изменено 11 октября, 2018 пользователем alexeyT
AlexVv78 Опубликовано 11 октября, 2018 Опубликовано 11 октября, 2018 [b][member=alexeyT][/b], все верно. Виноград разный, дрожжи и т.д. В прошлом году была Лидия, в этом Молдова. Я наверное неправильно выразился, под экспериментом я имел ввиду, вообще, получение ароматного дистиллята на короткой царге. По этой теме. Испытание в работе СПН 8. Да. еще хотел УНО испытать. Тут, вообще, хреново. УНО грибкового типа. Сначала все штатно шло, а через 20 минут начался захлеб. Пришлось снимать. И я не про запах, а про вкус. Запах есть, я после явных голов в несколько баночек отбираю. Потом на следующий день нюхаю, хорошо определяется. Вот вкуса явного, как в прошлом году нет. Ребят угощал, все отмечали, что выпил, а как будто винограда поел. И мягкий при этом.
Антел Опубликовано 11 октября, 2018 Автор Опубликовано 11 октября, 2018 [b][member=AlexVv78][/b], так отсыпать эту СПН-ку... УНО захлебнул, по видимому, насадки много, под отбором. ИМХО.
alexeyT Опубликовано 11 октября, 2018 Опубликовано 11 октября, 2018 [b][member=AlexVv78][/b], тезка.... ну совсем некошерно Лидию и Молдову сравнивать...
AlexVv78 Опубликовано 11 октября, 2018 Опубликовано 11 октября, 2018 Был бы УНО, а бы отбор больше бы сделал. Хоть 1500 мл/час. В итоге 1кВт вдувал и 1 л отбирал. АСП-3 показывает 95,5%. Может надо было насадки убавить? Под УНО 5 см СПН 5 было, думаю, дело в конструкции узла отбора.
Антел Опубликовано 11 октября, 2018 Автор Опубликовано 11 октября, 2018 [b][member=AlexVv78][/b], на 1 квт... Там же два пыжа, наверное, как свернул. Грибок захлебнуть сложно, если уж совсем отверстия под пар не заужены.
alexeyT Опубликовано 11 октября, 2018 Опубликовано 11 октября, 2018 (изменено) [member=AlexVv78], надо было сначала на кошечках... (на сахарном) выйти на 93% а уж потом - виноград .... Эх, Дядя... пысы. чето я расстроился как будто ведро спирта пролил.... Изменено 11 октября, 2018 пользователем alexeyT
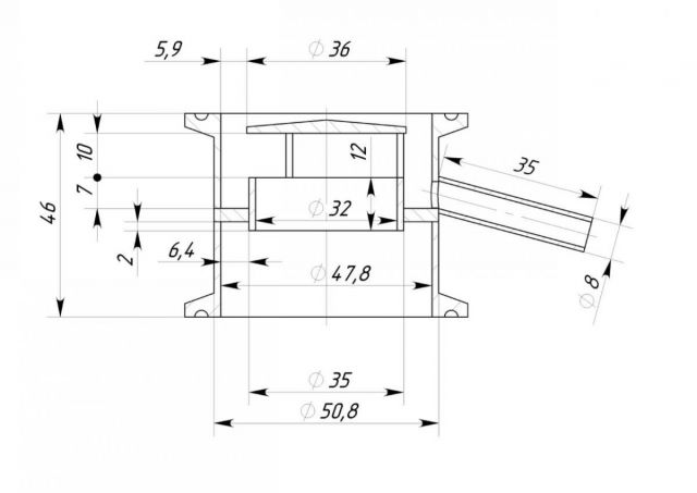
AlexVv78 Опубликовано 11 октября, 2018 Опубликовано 11 октября, 2018 [b][member=alexeyT][/b], я в винограде. вообще не специалист. Но в прошлом году я 2 раза чачу делал, Первую из Лидии, вторую из некондиции (зеленый виноград, наверное узбекский, плюс кишмиш). Причем Лидию слил на вино и отжимки с сахаром сделал, а из зеленого сразу чачу делал. Перегон как писал выше. С Лидии отлично, с зеленого присутствовали невкусности. В итоге, вторую ОтГабриэлил и получил отличную вкусную чачу, правда не такую ароматную, как на Лидии, но по вкусу даже мягче. В УНО у меня нет нижнего пыжа, сеточка нержовая приварена. Сейчас чертеж УНО и фотку сеточки приложу.
alexeyT Опубликовано 11 октября, 2018 Опубликовано 11 октября, 2018 не такую ароматную, как на Лидии, но по вкусу даже мягче. вот и КОРЕНЬ.. мало того, что Лидия. а еще и с отжимок.... (самый вкус)
AlexVv78 Опубликовано 11 октября, 2018 Опубликовано 11 октября, 2018 Что-то торможу, как картинку сюда вставить?
alexeyT Опубликовано 11 октября, 2018 Опубликовано 11 октября, 2018 [b][member=AlexVv78][/b], расширенная форма справа внизу
AlexVv78 Опубликовано 11 октября, 2018 Опубликовано 11 октября, 2018 На изоленту не обращайте внимания, просто торопился
alexeyT Опубликовано 11 октября, 2018 Опубликовано 11 октября, 2018 (изменено) [member=AlexVv78], дядя.... а КТО тебе эту сетку вогнАл ??? или это - сугубо личное ? :laugh: Изменено 11 октября, 2018 пользователем alexeyT
AlexVv78 Опубликовано 11 октября, 2018 Опубликовано 11 октября, 2018 В реальности грибок ниже, нет там 10 мм. Такая сетка у меня во всех царгах стоит.
alexeyT Опубликовано 11 октября, 2018 Опубликовано 11 октября, 2018 Такая сетка у меня во всех царгах стоит. бл..АААА!!
AlexVv78 Опубликовано 11 октября, 2018 Опубликовано 11 октября, 2018 на фото она мелковато выглядит. В реальности не такая
Рекомендуемые сообщения
Для публикации сообщений создайте учётную запись или авторизуйтесь
Вы должны быть пользователем, чтобы оставить комментарий
Создать аккаунт
Зарегистрируйте новый аккаунт в нашем сообществе. Это очень просто!
Регистрация нового пользователяВойти
Уже есть аккаунт? Войти в систему.
Войти