victorchik Опубликовано 12 июня, 2014 Опубликовано 12 июня, 2014 (изменено) С наступлением жары ввёл в строй автономное воздушное охлаждение. Замечательная игрушка, оказалось! Какие цели преследовал лично для себя, делая эту "игрушку": - надоело мыть рубашку холодильника от накипи; - надоело сливать огромное количество горячей воды (добыть проблемы нет, основная проблема - её утилизация); - хотелось использовать всю имеющуюся мощность при перегонке, но исключить брызгоунос. Цели полностью достиг. Характеристики такие: очень удачно жара была, гоняли не один день - воздух +28*С (точно), мощность подаваемая в куб 10 кВт (точно), выход дистиллята в начале перегонки браги после первого часа устойчивой дистилляции (когда спиртуозность повыше и уверены, что куб прогрелся) - 18 литров в час (точно), температура выходящего дистиллята +60*С, но прорыва паров нет, короче я доволен как слон. Если посмотреть на схему, то видно, что имеется одна физическая переливная тарелка. Думали, не сделать ли её барботажной, но потом махнули рукой - и так работает прекрасно. Радует полное отсутствие брызгоуноса при перегонке на любой мощности. При температуре +22*С задували 13 кВт - шикарно, и охлаждение справляется, и льёт струёй, и брызгоунос отсутствует как класс. С учётом габаритов (200*200*500) это и невозможно практически , что и задумывалось. На улице стоит обычный наружный блок кондёра, к которому прикрутили старенький циркуляционник на 65 ватт. Вообщем, коллеги, кому актуально по тем или иным причинам - рекомендую, проверено, делайте. Изменено 3 февраля, 2016 пользователем victorchik 6 Оборудование для пивоварения и винокурения. Обучение.
tixoxod-4x4 Опубликовано 14 июня, 2014 Опубликовано 14 июня, 2014 Витя, я ничего не понял. если ты дуешь воздухом, зачем на наружке циркуляционник? Если водой, куда подаешь? Поясни пожалуйста
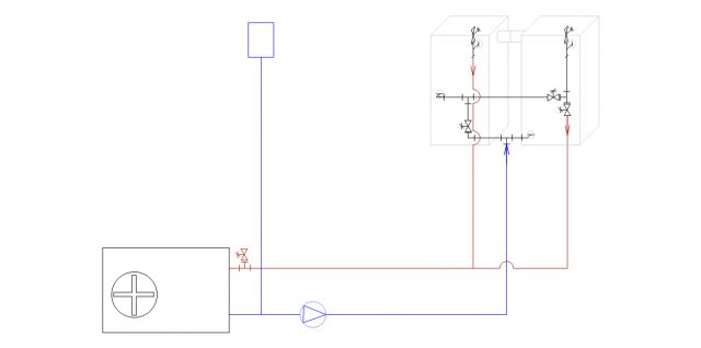
victorchik Опубликовано 15 июня, 2014 Автор Опубликовано 15 июня, 2014 (изменено) Серёж, воздухом дую на радиатор кондёра, внутри которого бегает спирто-водяная смесь 20% об. Этого достаточно, чтобы не замёрзло зимой, когда перегон бывает остановлен. При большой используемой мощности спиртуозность выше подымать нельзя - закипает внутри охлаждающих трубок, в сухопарнике и холодильнике. Схему принципиальную прилагаю. Для простоты восприятия опущены связи между димротами сухопарника и холодильника. Фактически, там четыре варианта: - подача охлаждающей жидкости только в холодильник, димрот сухопарника отключен; - подача через холодильник в сухопарник; - подача только в сухопарник (работа на себя). Кстати, в такой конфигурации сухопарника, как на фото (200*200*500) - останавливает мощнось в 8 кВт, пары дальше не проходят, флегмой сливаются в куб обратно. - подача в сухопарник и холодильник одновременно и независимо друг от друга. Ну почти независимо. Изменено 17 июля, 2014 пользователем victorchik 1 Оборудование для пивоварения и винокурения. Обучение.
Vlad777 Опубликовано 15 июня, 2014 Опубликовано 15 июня, 2014 Своеобразное решение,а что толкнуло сделать именно так а не классический холодильник ,то есть не пустил пар по змеевику а ОЖ по водяной рубашке? И вообще судя по обьемам гонева мы коллеги)) ... гоним чисто для души).У меня постоянно бродит тонна браги и куб на 180 литров.У тебя видимо больше куб - судя по литражу выхода. моя автономка горазбо менее производительна и выдувает без проблемм не более 2 кВт, добавлю ещё пару вентеляторов сдует 4 кВт, мне хватит .
victorchik Опубликовано 16 июня, 2014 Автор Опубликовано 16 июня, 2014 1. Если дефлегматор выполнен в виде "труба в трубе", то избежать минимизировать брызгоунос можно только на маленькой мощности. При попытке увеличить мощность - вылетевшие из куба частицы браги свободно пролетают прямо до приёмной тары. А стекающая навстречу пару флегма - обеспечивает "второй уровень" брызгоуноса, состоящего уже из капель флегмы, подхваченных потоком пара. В варианте "сухопарник огромного поперечного сечения и длины, с димротом, отражателем потока пара и раздельным возвратом флегмы" - брызгоунос блокируется полностью. 2. При увеличении мощности кпд холодильника "труба в трубе" катастрофически падает, потому что по центру трубы пар проскакивает на большой скорости, не взаимодействуя со стенками и не успевая охлаждаться. У меня стоял ранее "тромбон Гагарина", вполне приличных размеров: дефлегматорная часть 28-я труба в 32(длина 45 см) , а холодильник 22-я в 28-ой трубе. При температуре +28 на пределе утилизовал 4 кВт (при использовании воздушной автономки). Про 10-15 кВт и помыслить было нельзя - даже если бы каким-то волшебным образом тромбон справлялся с охлаждением, то брызгоунос был бы неимоверный. 3. Очень важно для зерновиков - система легко "вскрывается" и очень просто моется, с полной прямой физической доступностью каждого закутка. 2 Оборудование для пивоварения и винокурения. Обучение.
Vlad777 Опубликовано 16 июня, 2014 Опубликовано 16 июня, 2014 А от кондиционера какой мощности теплообменник ?
victorchik Опубликовано 16 июня, 2014 Автор Опубликовано 16 июня, 2014 Там шильдик был наклеенный, облез за давностью. Какой-то простенький китайский, достался на халяву, по случаю. Хотя и купить недорого. Утилизует, как писал выше, даже при +28*С 10 кВт. Главное в кондёре - чтобы он был без электронной регулировки оборотов двигателя - иначе без внутреннего блока управления не запустится. Нужен простейший кондёр, так чтобы вентилятор просто в розетку влючался и работал. 1 Оборудование для пивоварения и винокурения. Обучение.
Sklv Опубликовано 17 июня, 2014 Опубликовано 17 июня, 2014 Витя, я ничего не понял.Тоже долго догонял но потом вроде разобрался.Меня смутил только выход воды из правого холодильника в верх спирали левого холодильника.Я бы поменял вход- выход левого холодильника местами. ВСЕГДА ГОТОВ!!!!!!
Vlad777 Опубликовано 18 июня, 2014 Опубликовано 18 июня, 2014 [member=victorchik], Так как раз интересует мощность,может быть семёрка а может 24-й...знать какой искать.Думаю где то в сервисах найду
victorchik Опубликовано 18 июня, 2014 Автор Опубликовано 18 июня, 2014 Вот блин, живу так и не знаю )) Постараюсь заморочиться и вычитать, что же за кондёр. Оборудование для пивоварения и винокурения. Обучение.
victorchik Опубликовано 7 июля, 2014 Автор Опубликовано 7 июля, 2014 Однако добрался до наружки Как говорил выше, главное - чтобы кондёр был простым. Вентилятор должен включаться напрямую в розетку 220В, без премудростей. 1 Оборудование для пивоварения и винокурения. Обучение.
victorchik Опубликовано 15 июля, 2014 Автор Опубликовано 15 июля, 2014 Делал для человека подробную проработанную схему подключения автономки, дай думаю и коллегам на форум выложу. Кому да сгодится. Принцип. схема.pdf схема обвязки.pdf 3 Оборудование для пивоварения и винокурения. Обучение.
polson Опубликовано 3 мая, 2015 Опубликовано 3 мая, 2015 Не понятно как при такой производительности отбирать головы, и как идет возврат флегмы не будет ли передавливать пар.
victorchik Опубликовано 23 ноября, 2015 Автор Опубликовано 23 ноября, 2015 Головы отбираем на пониженной мощности. Слив флегмы внутри куба стандарно идёт через гидрозавтвор - С-образно изогнутую трубку. Оборудование для пивоварения и винокурения. Обучение.
61003 Опубликовано 21 января, 2016 Опубликовано 21 января, 2016 моя автономка горазбо менее производительна и выдувает без проблемм не более 2 кВт, добавлю ещё пару вентеляторов сдует 4 кВт, мне хватит . а что за автономка? фотку?
Pepel_zbei Опубликовано 2 мая, 2016 Опубликовано 2 мая, 2016 квадратное сечение дэфа прекрасно прилегает к стене,за которой видимо не маленький в объеме куб на третьей сверху вниз фотке видимо часть бродильной емкости,всё в "белом" кафеле чисто и красиво! Внимание к мелочам, стремление к идеалу.
Saha409 Опубликовано 20 января, 2017 Опубликовано 20 января, 2017 А какой расход воды если проточную пустить?
alexeyT Опубликовано 21 января, 2017 Опубликовано 21 января, 2017 [member=Saha409], при правильном подходе на 1 квт тратится 20 л воды в час
УжеНепьющий Опубликовано 2 ноября, 2017 Опубликовано 2 ноября, 2017 - подача только в сухопарник (работа на себя). Кстати, в такой конфигурации сухопарника, как на фото (200*200*500) - останавливает мощнось в 8 кВт, пары дальше не проходят, флегмой сливаются в куб обратно. - подача в сухопарник и холодильник одновременно и независимо друг от друга. Ну почти независимо. Виктор,привет., Подавать охлаждающий агент эффективней в верхний ввод Димрота сухопарника?
Рекомендуемые сообщения
Для публикации сообщений создайте учётную запись или авторизуйтесь
Вы должны быть пользователем, чтобы оставить комментарий
Создать аккаунт
Зарегистрируйте новый аккаунт в нашем сообществе. Это очень просто!
Регистрация нового пользователяВойти
Уже есть аккаунт? Войти в систему.
Войти