Перейти к содержанию

Автоматика Smartmodule SSVC0059 - диалог с производителем.


sanderzv
Сообщение добавил sanderzv

Обсуждаем ТТХ, принцип работы и алгоритм автоматики узла отбора SSVC0059.

Тема для обсуждения глобальных тем, связанных с развитием и улучшением проекта.

ssvc0059_750x300.thumb.jpg.e3ec3bfc3221cbe82d1c3ae01ed0dc54.jpg

 

Прежде чем задать вопрос, пожалуйста, проверьте нет ли его в списке наиболее часто задаваемых вопросов в первом сообщении темы.

Актуальная техническая информация на официальном сайте:

Сообщения на тему где купить и сколько стоит, вопросы по использованию задаем в теме "Автоматика отбора SSVC0059. Где купить? Сколько стоит? Вопросы после покупки...".

Вопросы к технической поддержке задаем по контактам, указанным в руководстве к контроллеру.

Имеется две версии контроллера, у второй версии имеются различные версии прошивок.

Настоятельная просьба: в сообщениях указывайте версию контроллера и версию прошивки, к которой относится Ваше сообщение.

Телеграм канал с новостями про SSVC0059: https://t.me/ssvc0059

Телеграм чат пользователей SSVC0059: https://t.me/ssvc0059_chat

Рекомендуемые сообщения

Опубликовано
16 минут назад, Григорий Борисыч сказал:

Пожелания к разработчику приладить к ней хоть какой-то термостат на отключение

В текущей версии такая возможность не проектировалась изначально, придерживаясь идеи, что безопасность должна быть автономной и независимой от других компонентов системы.

Безопасность - ответственный момент, и это не то на чем надо экономить. Поставить отдельный термостат для безопасности не дорого и надежно.

 

  • + репутация 1
  • Ответов 2.9 тыс
  • Создана
  • Последний ответ

Топ авторов темы

  • sanderzv

    592

  • митрик

    309

  • Alex57

    165

  • yridro

    105

Опубликовано (изменено)
53 минуты назад, sanderzv сказал:

Поставить отдельный термостат для безопасности

Правильно. С этим прекрасно справляется простейший W1209 с датчиком на димроте и включенный через 10кОм дифавтомат. Не далее как позавчера забыл воду включить, все отрубил моментально. А провода на китайских датчиках могут быть любого цвета. Однажды пришлось разбирать гильзованый, что бы понять.

 

Изменено пользователем hardvik
  • + репутация 2
Опубликовано
21 час назад, sanderzv сказал:

Точнее пожалуйста, какая маркировка на каком рисунке с чем не соответствует?

На стр.4 в паспорте на контроллер нижний рисунок вводит в заблуждение

IMG_20201113_120249.jpg

Опубликовано (изменено)
55 минут назад, Vladimir61 сказал:

На стр.4 в паспорте на контроллер нижний рисунок вводит в заблуждение

 

Владимир, ранее это замечание уже высказывалось и обсуждалось в этой ветке форума. Эта схема не является габаритным рисунком и схемой расположения элементов на корпусе. 

Не вводит в заблуждение что все вывода на этой схеме нарисованы с одной стороны? ;-)

Замечание уже принято, соответствующие изменения в действующую документацию внесены. В новых тиражах инструкций будут другие рисунки, на официальном сайте рисунки уже заменены.

Прошу прощения, что первая версия рисунка ввела в заблуждение. Мы не совершенны, но благодаря Вашим замечаниям, мы становимся лучше. Надеюсь на понимание.

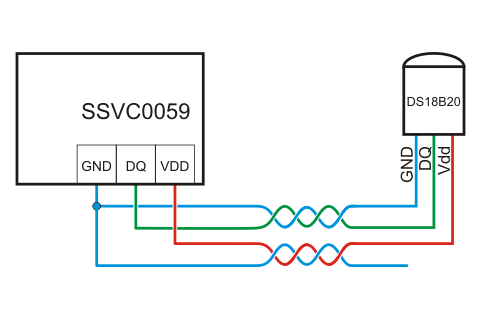
Схема подключения SSVC0059

image.png.2feab058856c8bd22b0513c204049878.png

Двухпроводная схема включения датчика DS18B20 к SSVC0059

image.png.d1ccf31c0bc23e87c1881472dd3c2b2c.png

 

Трехпроводная схема включения датчика DS18B20 к SSVC0059 с использованием двухпарной витой пары

image.png.95fe83ac03c7d91d71b9d2334401d093.png

 

Изменено пользователем sanderzv
  • + репутация 3
Опубликовано

@Григорий Борисыч Не смешивай группу безопасности и управление клапаном отбора. Для себя можешь колхозить что хочешь. А вот когда делаешь по заказу, там всё оговаривается отдельно. И правильно , что производитель не ведётся на такое. Должно быть правильное понимание работы, а не приладить рога к копытам. 

@sanderzv Ну вот и хорошо,что по цветам пришли к согласию. Теперь один контрольный DS будет подходить под все контроллеры.

@hardvik А зачем городить на ДИФ W1209? Ты ещё СТХ посоветуй(на Ютубе есть). Прекрасно с функцией аварийного отключения воды справляется KSD9700!

Опубликовано
43 минуты назад, Alex57 сказал:

по цветам пришли к согласию

С ужасом представил, что теперь если цветной рисунок начнут интерпретировать как руководство к определению какого цвета провод на всяких китайских датчиках определять? 

На всякий случай, если вдруг кто не так понял: на рисунке для подключения витой парой провода раскрашены только для визуального разделения их между собой. Для определения соответствия цвета провода датчика и назначения необходимо руководствоваться документацией к конкретному датчику.

Надеюсь, на этом тема по цветовой маркировке исчерпана. 

Опубликовано
56 минут назад, Alex57 сказал:

Прекрасно с функцией аварийного отключения воды справляется KSD9700!

Зачем ты аварийно отключаешь воду термостатом?

Голову сломал измышляя.

Опубликовано
2 минуты назад, evgeny_ch сказал:

Голову сломал измышляя

Полагаю, ksd на тса стоИт, перегрев пошел- сработало

Почему только воду, правда, тоже не пойму

«Не стыдно чего-нибудь не знать, но стыдно не хотеть учиться»

Опубликовано (изменено)
3 минуты назад, snab сказал:

Почему только воду, правда, тоже не пойму

Нагрев наверное.

1 минуту назад, Alex57 сказал:

Зачем ломать голову, береги её. Просто поставь KSD 45-50гр. на ТСА и чёткость срабатывания гарантирована.

Отключил ты воду по температуре, и что дальше?

Баня? Про гистерезис слыхал?

Изменено пользователем evgeny_ch
Опубликовано

@evgeny_ch Ты наверное не так всё понял. Разговор идёт о Аварийном Отключении Воды. Это уже давно решено либо ДИФ либо запирание симистора на РМке.

Опубликовано
Только что, Alex57 сказал:

Ты наверное не так всё понял.

ОК.

Опубликовано
1 час назад, Alex57 сказал:

А вот когда делаешь по заказу, там всё оговаривается отдельно.

Ну, вот есть у меня РМ-2 на 5квт с" двух магнитов" , SSVC0059  и автономное охлаждение по отдельности.  Давай обговорим какую  группу безопасности на них можно сделать и как ?? можно в личке..

Опубликовано
39 минут назад, Alex57 сказал:

Наверное лучше в личке. Если ещё кому будет интересно как объединить, пишите.

Что то ты темнишь брат , написал тебе в личку так ты сказал напиши в ватсап , зачем ? 

Если что то умеешь и знаешь , пиши тут .

Опубликовано (изменено)
13.11.2020 в 18:22, Alex57 сказал:

А зачем городить на ДИФ W1209? Ты ещё СТХ посоветуй(

Стх работает как и положено на отборе. А W1209 отрубает тен при отсутствии охлаждения. Про KSD не надо мне рассказывать. Я в свое время, работая в сервисе поменял их кучу. Залипают и масляный радиатор раздувает так, что свистит из всех щелей. snab Игорь, все у меня отрубается, если нет воды.

Изменено пользователем hardvik
  • Спасибо 1
Опубликовано (изменено)
1 час назад, hardvik сказал:

 Про KSD не надо мне рассказывать. Я в свое время, работая в сервисе поменял их кучу. Залипают

Блин , я в расстройстве , у меня везде на тса  датчики KSD и что теперь делать ? 

 

Изменено пользователем Самоделкин56
  • - репутация 1
Опубликовано (изменено)
8 минут назад, Самоделкин56 сказал:

что теперь делать ?

Резервируй для надёжности, ставь штуки три. ))

Проверяй сработку по плану раз в месяц.

 

Изменено пользователем evgeny_ch
Опубликовано (изменено)
3 минуты назад, evgeny_ch сказал:

ставь штуки три. ))

Не поставить даже два , сделано все под один .

Иногда проверку делаю , вроде срабатывало всегда , а тут вот про залипание коллега сказал , вот и думаю теперь .

Изменено пользователем Самоделкин56
Опубликовано (изменено)

@Самоделкин56  У мнас были в эксплуатации устройства с автономным (акк) питанием от батарей.

В них был встроено термореле для защиты от превышения температуры в процессе заряда.

Представь, некоторое количество батарей всё равно вдувалось. Никто не мог понять почему. :sarcastic:

Устройство, обеспечивающее надёжность (безопасность) д. б. на порядок надёжней объекта защиты.

Изменено пользователем evgeny_ch
Опубликовано (изменено)
3 минуты назад, evgeny_ch сказал:

Устройство, обеспечивающее надёжность (безопасность) д. б. на порядок надёжней объекта защиты.

@evgeny_ch посоветуй что нибудь , не успокоюсь же ведь теперь .

Не проверять же перед каждым ректом ksd .

Изменено пользователем Самоделкин56
Опубликовано (изменено)
8 минут назад, Самоделкин56 сказал:

Не проверять же перед каждым ректом ksd .

Существуют ПУЭ, написанные из многолетнего опыта, правила эксплуатации установок под давлением, атомных реакторов. Внемли. ))

Зарезервируй ещё по  температуре (давлению) в кубе. Проверку исправности проводи, положено так.

Изменено пользователем evgeny_ch
  • Спасибо 1
Опубликовано

@evgeny_ch Ты ещё и про космические аппараты расскажи. @hardvik  Не надо жутиков нагонять. Работают нормально не один год. Никто ещё не запросил взамен датчик.

@Самоделкин56 Да успокойся! Всё будет нормально. Главное не забывай включать защиту.

@evgeny_ch А куда штуки три ставить? Очень интересно. Нарисуй!

46 минут назад, evgeny_ch сказал:

Резервируй для надёжности, ставь штуки три. ))

Проверяй сработку по плану раз в месяц.

 

И обязательно веди журнал учёта проверок.

Опубликовано

@митрик

1 час назад, митрик сказал:

А когда Донецк вошёл в состав Ростова ? Или парни наладили производство на территории РФ , чтобы не возить через блок-посты ?

Политика запрещена правилами форума.

Гость
Эта тема закрыта для публикации ответов.
  • Последние посетители   0 пользователей онлайн

    • Ни одного зарегистрированного пользователя не просматривает данную страницу
×
×
  • Создать...