Виктрыч Опубликовано 17 мая, 2018 Опубликовано 17 мая, 2018 Я тут прикинул на калькуляторе. Нужна кастрюля в не менее 2 диаметров трубы. Сгородить типа Никсона. Ну чтоб грибок выкинуть и клюшку сбалансировать по ценьоу масс. Ну и кран на полдюйма ддя слива. Все. Из автоматики только будильник. Я тут прикинул на калькуляторе. Нужна кастрюля в не менее 2 диаметров трубы. Сгородить типа Никсона. Ну чтоб грибок выкинуть и клюшку сбалансировать по ценьоу масс. Ну и кран на полдюйма ддя слива. Все. Из автоматики только будильник. Дорога к обеду ложка, К ночи дорог унитаз.
Garik80 Опубликовано 17 мая, 2018 Опубликовано 17 мая, 2018 Сгородить типа Никсона. вот это Чернобыль будет санаторием. Кто же тебе слова такие разрешил говорить?)))) "Когда уходят герои, на арену выходят клоуны". (Генрих Гейне)
alexeyT Опубликовано 18 мая, 2018 Автор Опубликовано 18 мая, 2018 Ну что, Эму- Дракон взлетел, на 2х крыльях из 4. просто на 2х дефах разных запустил, клюшка и положительный. Трубы ф51 2 метра, диогенка 3.5 Нагрев 4 кВт грязными, 65 ртути, перелив 95 см от упо Отбор 4л в час ЖдемиМарика, когда он нормальный деф сварит, хотя бы один... И уж тогда .... ииииИИИххх! 4 трубы в ЭМУ, потенциально 8 л 2
pvn28 Опубликовано 21 мая, 2018 Опубликовано 21 мая, 2018 Доделал буферок под трубу ф51. По предварительным прикидкам возврат будет 9,5-9,7л/ч. Хочу на возврат для регулировки ФЧ поставить дроссельную шайбу с отверстием ф1,6-1,7мм. Правильно ли я посчитал диаметр нужного отверстия? Шайбы хочу вырубить из фторопласта и рассверлить в диапазоне ф1,5-2мм., а потом подобрать нужную.
alexeyT Опубликовано 21 мая, 2018 Автор Опубликовано 21 мая, 2018 [b][member=pvn28][/b], ф 51 - обычно 2000-2200 ватт. или 10-11 л ас вверху крутится сверли начиная о т 1.2 если ошибешься - не страшно, проволочкой нержовой сечение сократишь 1
pvn28 Опубликовано 21 мая, 2018 Опубликовано 21 мая, 2018 ф 51 - обычно 2000-2200 ватт у меня сейчас на Эму 2,3квт. на СПН 3,5х3,5. При 2,35квт. в ЦП (именно в ЦП, т.к. на ЭЦ стоит диоптр) с 4х4 получаю медленный захлеб. Поменял в ЦП СПН на 5х5. Надеюсь с ней выйти на 2,5квт. и после обкатать буферок.
alexeyT Опубликовано 21 мая, 2018 Автор Опубликовано 21 мая, 2018 [b][member=pvn28][/b], просто учти, что чем крупнее(прозрачнее) насадка в ЦП, тем ниже спиртуозность в рефлюксе 1
Виктрыч Опубликовано 22 мая, 2018 Опубликовано 22 мая, 2018 Вот сегодня слепил из того что было. Сбрасываемый объем около литра. Запас опу не дерет. Дорога к обеду ложка, К ночи дорог унитаз.
alexeyT Опубликовано 22 мая, 2018 Автор Опубликовано 22 мая, 2018 [b][member=Виктрыч][/b],Валер, там объем привязан к трубе и нагреву
Виктрыч Опубликовано 22 мая, 2018 Опубликовано 22 мая, 2018 По ссылкам увидел только зависимость от объема и спиртуозности куба. И эаф/тело. У тебя есть какая то дополнительная инфа? А так то мне 0.5 на самый тяжелый случай. И сделаю регулируемый. Ну и попробовать с браги серединку вырезать без возврата в куб. Пс. Перелистал. Кроме блабла и цитирую: "" - с содержанием 35 % об. отбор дистиллята производить порциями по 0,625 % от объема навалки через каждые 0,25 часа при отборе ЭАФ и 0,5 часа при получении сортового спирта; - с содержанием 50 % об. отбор дистиллята производить порциями по 1,25 % от объема навалки через каждые 0,5 часа при отборе ЭАФ и 1,0 час при получении сортового спирта; - с содержанием 88 % об. отбор дистиллята производить через каждый час порциями по 2,5 % от объема навалки при сбросе ЭАФ и по 1,25 % от объема навалки при получении сортового спирта;"... От этого и танцевал. Что то не так? Болгарка настроена. Дорога к обеду ложка, К ночи дорог унитаз.
alexeyT Опубликовано 22 мая, 2018 Автор Опубликовано 22 мая, 2018 да ничего. просто ЛИТР - убило... у меня на ф63 = 0.75 ну а ежели ты просто по времени сбрасывать станешь - разницы особой нет. если синхронизируешь возврат Запас опу не дерет.
Виктрыч Опубликовано 22 мая, 2018 Опубликовано 22 мая, 2018 С возвратом пока кумекаю. Наверное просто иглу впаяю в стенку по мотивам Кулинара. Настрополился я на них. Как часы. Спиртовые. Минимальный что после сброса какой посоветуешь? Дорога к обеду ложка, К ночи дорог унитаз.
Виктрыч Опубликовано 22 мая, 2018 Опубликовано 22 мая, 2018 (изменено) Припаял деф. Залил с полведра воды. Запустил. Пока без постоянного возврата. И феномен проявился . Набрала банка 50мл жижи и уровень встал. Почти час не повышался. Потом стронулся и кое как грамм 200 накопил. Сбросил. Второе заполнение шло без вопросов. Наливал воду из горячего крана. Вчера было отключение всвязи с опресовкой. Это чего они там в водопровод запустили? Дейтерий? Изменено 22 мая, 2018 пользователем Виктрыч Дорога к обеду ложка, К ночи дорог унитаз.
alexeyT Опубликовано 22 мая, 2018 Автор Опубликовано 22 мая, 2018 [member=Виктрыч],Валер, там завоздушивание возврата бывает И на спирту струя толще Про минимальный - не врубился Я стараюсь подобрать возврат таким, чтобы за 10-11 минут набрался нужный мне объем или чуть больше Но у меня дополнительно внешний перелив прям в трубу, при переполнении Ты про это ?
Mihalich Опубликовано 15 сентября, 2018 Опубликовано 15 сентября, 2018 Что-то тема заглохла совсем. Есть еще какие-нибудь новости по методике? При 2,35квт. в ЦП (именно в ЦП, т.к. на ЭЦ стоит диоптр) с 4х4 получаю медленный захлеб. Поменял в ЦП СПН на 5х5. Надеюсь с ней выйти на 2,5квт. и после обкатать буферок. Т.е. СПН4*4 слишком крупная для ЦП? Вообще странно - 3,5*3,5 в основной трубе не захлебывается, а в ЦП затоп? Или я чего-то не понимаю :crazy:? Думаю попробовать и ЭМУ, и ГРЭМУ, какие царги (длина) и насадку порекомендуете, коллеги? Думал "десятигранку" 3*3 в царгу и 4*4 в ЦП, но слова [member=pvn28] настораживают... Источник говорит о делении 40 тт в пропорции 24 к 16 Для замкнутой ректификации рекомендации "по науке" 24 и 16 тарелок для основной и царги пастеризации... 110 и 50 см хватит царг, или мало?[member=alexeyT], ты в ЦП тспользовал РПН - потому что СПН "захлебывается", или просто СПН под рукой небыло? Дефлегматор будет КТ длинный (50 см), трубки отбора/возврата - 10*1 (запас спину не жмет!) УПО с "регулировкой" сечения - для подбора режима под эмульгацию. Буфер для "гровировки" - по этим мотивам, но о5 совет нужен. Объем части, где размер 0,9 (9 сантиметров), для царги Двн48мм нужен около 500 мл? Что если внутреннюю трубу (на чертеже 40мм) сделать меньше - в ней насадки нету, к примеру 30мм, тогда и внешнюю можно поменьше применить, ну или внешнюю 80 - тогда высоту сократить. В идеале бы подобрать из распространенных типоразмеров трубы. Помогу с оборудованием для наших дел Гонщик формулы С2Н5ОН
pvn28 Опубликовано 16 сентября, 2018 Опубликовано 16 сентября, 2018 но слова pvn28 настораживают... на 4х4 ЦП захлебывается. Пробовал менять верхний УО и пыжи в царге, все равно медленный захлеб. Сверху эмульгационной царги стоит диоптр, видно, что в царге нет захлеба. Все готово для Эму с ЦП 5х5,но нет свободного времени. Надеюсь, через неделю сделаю. 1
Рифей033 Опубликовано 16 сентября, 2018 Опубликовано 16 сентября, 2018 Привет всем ... на ЦП насадку чуть попрозрачней чем в основной царге , ИМХО по фик РПН или СПН , чтоб гидросопротивление чуть меньше ..... и 4-5-6 ТТ По захлебам - они могут быть двух видов - сверху и снизу - каждый случай надобно отдельно рассматривать - причины разные .. До Грэмму пока не дошёл ... - природная лень )))- не охота потрошить 3-метровую колонну , прибитую к стене ... Проще новую трубу собрать ...
Mihalich Опубликовано 17 сентября, 2018 Опубликовано 17 сентября, 2018 (изменено) на 4х4 ЦП захлебывается А если мощность чуть уменьшить? Понятно, что производительность пострадает. Может там "всего-ничего", каких-нибудь ватт 100 скинуть? UPD и 4-5-6 ТТ "Первоисточники" вроде рекомендуют побольше для ЦП: Источник говорит о делении 40 тт в пропорции 24 к 16 Изменено 17 сентября, 2018 пользователем Mihalich Помогу с оборудованием для наших дел Гонщик формулы С2Н5ОН
pvn28 Опубликовано 17 сентября, 2018 Опубликовано 17 сентября, 2018 Может там "всего-ничего", каких-нибудь ватт 100 скинуть?так и делал, снижал по 1-2ватта. Проблема в том, что снижается и уровень эмульсии в царге, приходится или задирать уровень перелива, что ведет к снижению количества ТТ, или ограничивать перелив (поставил кран).
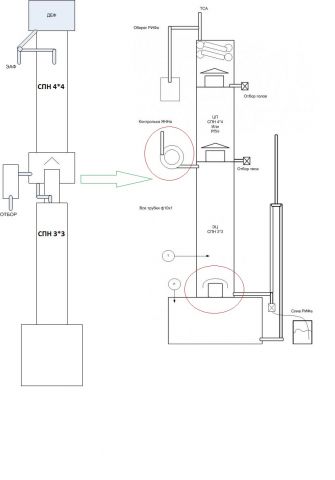
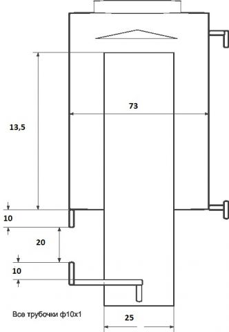
Mihalich Опубликовано 17 сентября, 2018 Опубликовано 17 сентября, 2018 (изменено) А теперь практические вопросы. С её (практической) точки зрения, хочется совместить сразу все (ГРОВировка + ЭМУ = ГРЭМУ) в одной колонне. Обкатывать, конечно, придется поэтапно, но чтобы "два раза за железяками не ходить" лучше просчитать всё сразу - чтобы и в высоту поместиться, и не переделывать/делать заново ничего...Вот две картинки, присутствующие в теме, соединены в одну: В принципе, все совмещается, но хотелось бы уточнить (обвел красным): "Контролька Яна" - что это за узел, и как его делать? Для ГРОВировки используется емкость накопительная (буфер), контролька ставится в неё или под неё, в царгу? Узел внизу колонны - должен быть регулируемым, правильно? Ну или любого заужения до 5 м/с достаточно я уже конечно спрашивал, но лучше еще раз уточнить. Если сделаю вот так: Царга - на стене. Снизу - переход "кламп-резьба", вкручен тройник в котором 2 выхода 1/2" Снизу - возврат в куб, сбоку - подвод пара Будет работать эмульгация? Или ввод пара снизу, и возврат в куб - снизу, а сбоку - еще один перелив? Будет ли работать эта система, когда из куба будет лететь совсем мало пара (снизится спиртуозность раз в несколько). Вот тут не очень я разобрался. Второй вопрос по накопительной емкости для ГРОВировки. Для царги Двн 48мм как я понял нужно около 500мл? Взял чертеж для Ильи 7721, подставил "свои" размеры. Можно ли внутреннюю трубу (где у Ильи 40мм) сделать меньше? Там же только пар "просвистывает" - насадки нету, ну максимум может через верхний перелив флегма политься, если внешний возврат вдруг прекратится. Так-то получается "красиво" если внутреннюю сделать 25мм, внешнюю - 76мм. Высота - 135мм; объем - 0,5л Если так нельзя - нужно искать 100-ю труба, тогда при условии даже внутренней 50мм - высоты хватат 9,5 см: И последний вопрос - высоты царг 1200мм (ЭЦ) и 600мм (ЦП) достаточно? Насадка - вниз 3*3, вверх - вот тут хотелось бы 4*4. Но пугает на 4х4 ЦП захлебывается Что посоветуете? РПН не вдохновляет... Общая высота колонны примерно: 1200 + 600 + 150-200 (буфер) + 250 (деф) + 100 (узел внизу колонны) = 2300-2350 мм. Очень не хочется просчитаться, как прошлый раз с дефлегматорами Царгу 1200мм от этой колонны думаю использовать и для СНАБбирования, и для "замкнутой эпюрации"? Изменено 17 сентября, 2018 пользователем Mihalich Помогу с оборудованием для наших дел Гонщик формулы С2Н5ОН
pvn28 Опубликовано 17 сентября, 2018 Опубликовано 17 сентября, 2018 Так-то получается "красиво" если внутреннюю сделать 25мм, внешнюю - 76мм. Высота - 135мм; объем - 0,5л из ф76 делать не стал, хотя она есть в наличии. Сделал ф100 или 110 (точно не помню), вырезал из листа полосу и загнул на черной трубе, потом встык проварил шов, получилась труба. Правда, не идеально ровная. Внутреннюю трубку сделал из ф32. Объем составил 0,6л. Так и лежит буферок с весны, все не могу его обкатать, нет времени. 1
alexeyT Опубликовано 18 сентября, 2018 Автор Опубликовано 18 сентября, 2018 (изменено) [member=pvn28], Контролька Янна не сильно актуальна при наличии рефлюкса а вот контролька РИФа - пригодится, чттобы спирт в потолок не шпарил при захлебе Заужение должно быть около 10% от проходного основной трубы. Висячую на стене трубу с боковым вводом пАра РИФ отработал еще весной Непонятно, зачем ф25 брать... сечение в 4 раза заужаешь.... ну хотя бы 35. лучше ф40 и так скорость бешенная, надо ИСЧО ее увеличить ? на 3х3 1200 вполне хватит, если ВЭТС =30 мм, это будет под 40 ТТ пысы. Пора уже и сброс сивухи осваивать.... с нижней дырки тройничок + силикон+ пережималку(клапан) Изменено 18 сентября, 2018 пользователем alexeyT 1
Mihalich Опубликовано 18 сентября, 2018 Опубликовано 18 сентября, 2018 (изменено) Непонятно, зачем ф25 брать... сечение в 4 раза заужаешь.... ну хотя бы 35. лучше ф40 Чем больше диаметр внутренний трубы в рефлюксе - тем меньше его объем при одинаковой высоте и внешнем диаметре. Другими словами, уменьшение Двн позволяет сделать емкость меньшего размера. сброс сивухи осваивать.... с нижней дырки тройничок Т.е. из УПО (не УНО)? Т.е. "слив Рифа"? Да, еще вопрос - 500мм на ЦП мало или пойдет, при СПН 4*4? трубу с боковым вводом пАра РИФ отработал еще весной Т.е. пар подаем сбоку, а слив - снизу, подобрав высоту перелива? Изменено 18 сентября, 2018 пользователем Mihalich Помогу с оборудованием для наших дел Гонщик формулы С2Н5ОН
alexeyT Опубликовано 18 сентября, 2018 Автор Опубликовано 18 сентября, 2018 [b][member=Mihalich][/b], 1. высоту чутка увеличишь, зато скорость не задерешь 2. угу, РИФа 3. ага 2
Mihalich Опубликовано 18 сентября, 2018 Опубликовано 18 сентября, 2018 (изменено) Спасибо! Всё, "отдаю в заказ" по железкам и пойду СПН покупать. Изменено 18 сентября, 2018 пользователем Mihalich Помогу с оборудованием для наших дел Гонщик формулы С2Н5ОН
Рекомендуемые сообщения
Для публикации сообщений создайте учётную запись или авторизуйтесь
Вы должны быть пользователем, чтобы оставить комментарий
Создать аккаунт
Зарегистрируйте новый аккаунт в нашем сообществе. Это очень просто!
Регистрация нового пользователяВойти
Уже есть аккаунт? Войти в систему.
Войти