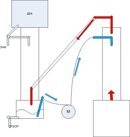
alexeyT Опубликовано 25 декабря, 2017 Опубликовано 25 декабря, 2017 (изменено) По замечаниям коллег... Краткий глоссарий используемых терминов ТТ - теоретическая тарелка ВЭТС - высота (в мм) эквивалентная теоретической ступени ВЭТТ - \\ - ТТ Изики - спирты сивушного ряда. Пропиловый, бутиловый и амиловый. с изомерами ИП - изопропиловый, он же - пропанол-2 ИБ - изобутиловый ИА - изоамиловый ЭАФ - Эфирно-альдегидная фракция. Основные примеси - УА(уксусный альдегид), МА (метилацетат, эфир), ЭА (этилацетат, эфир) Крект - коэффициент ректификации ПП - промежуточные примеси, т.е. такие, которые "меняют" значение относительно Крект этилового спирта в зависимости от спиртузности НПП - нижние промежуточные примеси. для них характерен низкий Крект(<1) при повышении спиртуозности после 40% ) Пропанол-1, бутиловые и амиловые спирты ВПП - верхние промежуточные примеси. ИП и часть эфиров. к ним же, имхо, отношу и КА(кротоновый альдегид), хотя он и не промежуточная... по поведению. т.е. при повышении % его Крект становится очень близок к этиловому спирту. ВПП - бич ректификатора, потому как эти примеси сидят в трубе и не особо желают ее покидать... ГХ - газохроматограмма АС - абсолютный спирт ЦП - царга пастеризации ЭЦ - эмульгационная царга Как обещал-с... Замкн рект.pdf между 2-х колонн - небольшой буфер. нижняя(первая колонна) = не менее 24 тт(по авторам методики. у меня же - не думаю. что более 15 ТТ) отбор ведется из БУФЕРА!!! Залповыми сбросами Головы - копятся в верхней колонне и при желании отбираются неспехом Доклад закончил... потому как технические косяки не дали возможности провести полноценный отбор. Седня исправлю и продолжу В реальности - это нагромождение из бачка, трубок и перистальтики нафиг не нужно.... масенький буферок промеж 2-х царг. с указателем уровня - и все... ну нет его под рукой. пришлось колхозить из чего под руки попало Изменено 20 марта, 2018 пользователем alexeyT 12
alexeyT Опубликовано 25 декабря, 2017 Автор Опубликовано 25 декабря, 2017 (изменено) ничего не понятно, но и придраться невозможно черная точка на отборе - клапан или гофман. черная точка на возврате - гофман, для стабильного возврата. Когда идет залп тела - уровень понижается, но возврат все равно стабилен. при закрытии отбора - уровень повышается, возможен перелив и увеличение возврата. в любом случае буфер рассчитывается так, чтобы возврат был не менее требуемого ФЧ 100-200 мл на вскидку Изменено 28 декабря, 2017 пользователем ванечка 4
Популярный пост GrOV Опубликовано 25 декабря, 2017 Популярный пост Опубликовано 25 декабря, 2017 (изменено) на вскидку На вскидку как раз [member=alexeyT] не сказал ради чего весь сыр-бор... А нужен он для сокращения времени ректификации и получения лучшего по качеству спирта в большем объёме чем по классике.... Суть: Запустили колонну. Ждём набора буфера..Набрался - слили, но не до опустошения.. С первыми несколькими буферами (зависит от объёма) - уходят подголовники.. Следом оборотный спирт, затем просто спирт, охрененый спирт, ну и в конце - так себе спирт.. Главное - буфер разместить в зоне, где примесей менее всего собирается - ~ 1/3 от верха насадки.. Пишут - выигрыш по скорости чуть ли не в 3 раза и выход охрененного выше.. Автоматика, при желании - примитвно простейшая.. Изменено 25 декабря, 2017 пользователем GrOV 20
GrOV Опубликовано 25 декабря, 2017 Опубликовано 25 декабря, 2017 (изменено) ,буфером у 223 Буфером Лёха эту штуку по-инерции назвал.. В оригинале - промежуточная рефлюксная ёмкость.. Хотя один хрен.. Кстати - буфер впервые в колонну впихнул Гильом аж в конце 18 века, посему ни поляки, ни тем более 223 к нему отношения не имеют... Декантер, впрочем, тоже.. Изменено 25 декабря, 2017 пользователем GrOV 2
alexeyT Опубликовано 25 декабря, 2017 Автор Опубликовано 25 декабря, 2017 [member=GrOV], поглядим... ща кубик засверлю, трубочку под возврат выведу, херакну 6 г/л иа, 0.5 г/л эа и .... ИИИИИИИИИИИИИИХХХ!!! Если прокатит, то ДЖО уже нормальную емкость закажу, без всех этих щупалец... Упоролся вчера, силикон в кипятке слетает... да и сифонов аж 3 штуки разбирал/ подматывал Но уверенность полная, что заработает ПАСИБ!!
Pepel_zbei Опубликовано 25 декабря, 2017 Опубликовано 25 декабря, 2017 бачок так понимаю,что над ним палка с дэфом на конце,а насадка какая предпочтительнее для головешек,та,что поменьше?Ну 2*2 например если допустим под бачком 4*4..И опять же если бачек на треть сверху насадочной,ДСка снизу на треть,то как организован отбор клапаном по Т,а? Внимание к мелочам, стремление к идеалу.
alexeyT Опубликовано 25 декабря, 2017 Автор Опубликовано 25 декабря, 2017 [b][member=Pepel_zbei][/b], 1. да ХЗ, пробовать надо 2. ПОД емкостью - 2/3 насадки. НАД - 1/3 3. да также, Т поползла - отбор уменьшаешь в чем прелесть? - никакого контакта с кислородом, до него - верхняя царга. - есть надежда. что и альдегиды до емкости не опустятся...
GrOV Опубликовано 25 декабря, 2017 Опубликовано 25 декабря, 2017 (изменено) да также, Т поползла - отбор уменьшаешь Нахуа?? Настроил один раз - и всё... Набралось-слил.. Оно просто набираться будет за разное время в начале/конце.. Типа - саморегулировка.. то как организован отбор клапаном Да как хошь, хоть поплавком, хоть визуально - по уровню.. Всё удобство в том что головы отобрал, а потом сливай себе по наполнению бачка.. Ни те клапанов, ни шима, ни гофмана.. Изменено 25 декабря, 2017 пользователем GrOV 3
alexeyT Опубликовано 25 декабря, 2017 Автор Опубликовано 25 декабря, 2017 (изменено) [member=GrOV], дык говнище попереть может... в конце 24 ТТ - не так уж много Изменено 25 декабря, 2017 пользователем alexeyT
GrOV Опубликовано 25 декабря, 2017 Опубликовано 25 декабря, 2017 в конце Может.. Когда спирт закончится.. Но это термометрия заметит (её не отменял никто) и застопит усё..
alexeyT Опубликовано 25 декабря, 2017 Автор Опубликовано 25 декабря, 2017 1. по гидро уровню если только реализовывать отбор угу2. по Т значит ДСку надо переносить на бачек возможно нет3. ,если УНО под головы приторочить. ээээ.... я так емко , как Доктор Гров выражаться не научился.... но смысл тот же...
alexeyT Опубликовано 25 декабря, 2017 Автор Опубликовано 25 декабря, 2017 ежели возврат стабильный - то до поры(7-8% в кубе) все пучком будет.... а потом?
GrOV Опубликовано 25 декабря, 2017 Опубликовано 25 декабря, 2017 (изменено) а потом? УПО и в переработку?Да хрен знает - может и пустыха. Выложи оригинал пдф..Пусть Трактир извилину напрягёт.. Изменено 25 декабря, 2017 пользователем GrOV
alexeyT Опубликовано 25 декабря, 2017 Автор Опубликовано 25 декабря, 2017 [b][member=GrOV][/b], может быть.... но ЖАБА! на таком проценте в отходы сливать... короче - поиграться надо, я уже вчера видел. что вся эта хлабуда по-другому работает...
GrOV Опубликовано 25 декабря, 2017 Опубликовано 25 декабря, 2017 (изменено) но ЖАБА! Либо скорость, либо - по штатному в конце.. Типа бачок отключаемый.. Изменено 25 декабря, 2017 пользователем GrOV 1 1
alexeyT Опубликовано 25 декабря, 2017 Автор Опубликовано 25 декабря, 2017 [b][member=GrOV][/b], ну тыж в курсе---- вечная мечта сисю и писю. да одной рукой! Выложи оригинал пдф. завтра. погнал в деревню, темнеет....
alexeyT Опубликовано 27 декабря, 2017 Автор Опубликовано 27 декабря, 2017 [attachment=38039:IMG_20171227_0700431.jpg] Перекурил... [b][member=snab][/b], да пора его уже .... ну. Вы с Пашей лучше знаете... :laugh:
alexeyT Опубликовано 27 декабря, 2017 Автор Опубликовано 27 декабря, 2017 (изменено) ну, начнем-с... 1. первоисточники http://www.dissercat...tnykh-spirtovyk https://cyberleninka...ochnoy-emkostyu 2. вчерашние танцы. нагрев на индукции 1550 ватт, потери, думаю с учетом шлангов и насоса - не менее 350 ватт Картинки я в ПНД выкладывал. кому интересно... 2 трубы, между ними емкость. Отбор с нее и ведется. параллельно перистальтика флегму в первую колонну качает... В баке - около 9 л СС, 58%. Специально загаженного ИА 20 мл и ЭА 5 мл начало стабилизации - 16.15 Доолго первая стабилизировалась.... потому что Главный Косяк - это сама емкость.... бачок от ДЖО на 8л с Ф220 мм.... площадь дна = 380 кв см... 2 см уровня = 760 мл... плюс - генетические косяки. в виде дырявой трубочки, смятой прокладки , недотяжки и т.д и т.п... Короче, минут через 20 первая тоже угомонилась... выставил с дефа отбор голов 60/1 (около 50 мл/час) и пошел обедать....16.45 было в 17.15 начал залповые сбросы с емкости, 600/50= около 65 мл (около 1 л/час) 4 Залпа за 15 мин = 260 мл. Проба1. 95% 4 залпа за 15 мин = 255 мл. Проба 2. 95.6% Плосле залпов Т*с в обеих царгах чутка подросла. на 0.06*с Тело 1 . за 1 час = 1 л 95.9% каждые полтора часа забирал пробнички с голов, примерно по 85-90 мл набиралось. Г1 = 96%, Г2=96.8%, Г3=96.8% Тело 2 = 2300 мл 96.6% Гнал до первого Стопа (время было 22.15). Дельта 0.25*с Ровно 6 часов с начала стабилизации Слил с емкости 570 мл 96.8%. Это - просто ПЦ..... в кубе - 11% дерьмо. надсадно воняющее ИА Седня все нах разобрал. буду городить вертикалку с УО и шприцом на 60 мл в середине. Чтобы от косяков избавиться. Заодно и гари прибавлю... Поглядим.... Пысы. в процессе - заглотил 50 мл с Тела 1. так себе... но свежеразведенное и намеков на ЭА и ИА не было. Поутру развел себе с Тела 2. седня - проба... Изменено 27 декабря, 2017 пользователем alexeyT 4
alexeyT Опубликовано 27 декабря, 2017 Автор Опубликовано 27 декабря, 2017 (изменено) Новая железяка будет выглядеть ТАК банальный УО со второй трубкой и шприцем на 60 кубиков. подвешен так. чтобы край шприца был выше рюмки УО (перелив) Возврат - подбирается и поджимается Гофманом. или отверстие подбирается. Под требуемую скорость на отборе тела - ессно. клапан. Как-то ТАК.... паразитная емкость - смешная, 10-15 мл Изменено 27 декабря, 2017 пользователем alexeyT 2
alexeyT Опубликовано 27 декабря, 2017 Автор Опубликовано 27 декабря, 2017 (изменено) [member=firt], не только. Залповый отбор ЭАФ и тела... Изменено 27 декабря, 2017 пользователем alexeyT
alexeyT Опубликовано 28 декабря, 2017 Автор Опубликовано 28 декабря, 2017 (изменено) привет АПырям!! во. переделал железки под ЗР.... седня запущу по новой... нижняя царга ф63х1.5 нержа 80 см СПН 3з3 от Влада01 верхняя царга ф42х1 медь 5 мочалок +10 см РПН. деф - рубашечник с ХП куб 42 л от ДЖО, тэны 1.2 квт и 2 квт в кубе - 10 л 45% дерьма, обильно приправленного ИА и ЭА (как обычно....) промеж царг - модернизированный УПО, рюмочный. Модернизация наикрутейшая - на 12-13 мм выше трубки отбора впаяна еще одна трубка отбора..(для шприца) нижняя трубка отбора соединена силиконом с трубкой возврата... Регулировка = Гофман Изменено 28 декабря, 2017 пользователем alexeyT 2
alexeyT Опубликовано 29 декабря, 2017 Автор Опубликовано 29 декабря, 2017 (изменено) Короче, вся эта хрень под названием модель 2 толком не работает... не могу стабилизировать возврат. ну и еще несколько мелких ,но принципиальных косяков. на фотке шприца - ка минимум нужна еще одна трубка(возврат) и ТСА(без нее -вообще ПЦ) за 8 часов испоганил еще 2 шприца, получил 2 захлеба. и провафлил около 1 л АС , на пол и на руки вкратце 1. в месте врезки емкости присутствует приличное давление 2. в трубку поступления флегмы в шприц летит пар. который еще недообработан 3. клапан дает разброс в 2(!!) раза, если над ним шприц 4. дроссельная дырочка - также косячит, даже хуже. Потому что НЕРАВНОМЕРНО. 5. Гофман - совсем плохо.... да еще ловить доли градуса приходится... Оно, конечно. РАБОТАЕТ, но внятного автостопа при таких косяках добиться не удалось... Будет настроение и время - изложу более подробно ПыСы. как же все было просто с перистальтикой в варианте 1...... но это - не наши методы! Изменено 29 декабря, 2017 пользователем alexeyT 4
alexeyT Опубликовано 29 декабря, 2017 Автор Опубликовано 29 декабря, 2017 (изменено) ну-с.... начнем! 1. немного трепа. Итак, РК.... пусть 1 квт. Деф условно конденсирует 5 л АС/час. или 1.39 мл/сек. Если ФЧ = 4, то за 5 сек в отбор льется 1.39мл. на возврат уходит 5.56 мл вопрос - КАК ? Если это, к примеру, иголка, то все рОвно. 5.56/1.39 за 5 сек Если клапан, то.... как-то ТАК, тоже условно. потому что в возврат тоже что-то поступает, это видно при работе очевидно что возмущения , если и есть, но очень малЫ и не оказывают никакого практического влияния на работу РК 2. берем рюмочный УО и лепим к нему шприц с трубочкой. берем идеальный случай, т.е. стабилизированный возврат пусть поступило за 5 мин(300 сек) 417 мл. возвращено 333.6, отобрано должно быть 83.4 мл. но - ЗАЛПОМ! на этапе реализации этой схемы сразу пришлось - вокнуть игоку в верхнюю крышку. Без этой ТСА вообще все шло в раскосяк - с трубки перелива из УО в шприц херачил пар. Очень не понравилось... - после подъема уровня ВЫШЕ рюмки флегма уходить особо не спешила. да + барботаж....с трубки - через клапан текло в 2 раза больше обычного. т.е. примерно 2 мл/сек. Подобрал параметры, более-менее. Вышло 240 сек, из них клапан открыт 30 сек, за которые сливается 60 мл и вот тут - ГЛАВНЫЙ косяк конструкции.... при нестабильном отборе выйти на наполнение шприца за 240-60 = 180 сек мне не удалось. от слова СОВСЕМ. то недозаполнение, то перелив... Гофман вообще - через жопу, чуть коснешься (даже с 4-мя проволочками) - ПЦ... плюнул. воткнул еще одну трубочку чуть выше основной. и через тройник - на трубку возврата.... Гофман достал - воткнул дросселек ... но дырочка великовата. посему опять немного Гофманом поджимать пришлось... Зато - практически синхронизировал слив/наполнение итого поимел. - корявенький возврат через дроссель и гофман - наполнение и переполнение емкости - перелив через верхнюю трубку на возврат кое-как эта хрень заработала, НО! 1. абсолютно не нравится плавающий возврат 2. слишком длинные паузы. шприц сначала сливается 30 сек. потом - заполняется ну пусть 100 сек. и только после этого - полноценный возврат. ускоренный. Идет раскачка из-за недостатка флегмы! 3. наиболее интересен для меня был ФИНИШ. т.е. когда спиртяжки с куба полетело МЕНЬШЕ. автоматьика, ессно. закрыла клапан по росту Т..... но сильно хотелось увидеть авто-стоп.... а он вышел совем невнятный... вроде уже и заполнение начало уменьшаться... Т поплзла, но стохастические плевки с трубки продолжались...((( Изменено 29 декабря, 2017 пользователем alexeyT
ванечка Опубликовано 29 декабря, 2017 Опубликовано 29 декабря, 2017 [b][member=alexeyT][/b], дядь если давление в промежуточной, то может есть смысл что то типа компенсационного гз между емкостью и шприцем воткнуть? мысль в порядке бреда
Рекомендуемые сообщения
Для публикации сообщений создайте учётную запись или авторизуйтесь
Вы должны быть пользователем, чтобы оставить комментарий
Создать аккаунт
Зарегистрируйте новый аккаунт в нашем сообществе. Это очень просто!
Регистрация нового пользователяВойти
Уже есть аккаунт? Войти в систему.
Войти