Перейти к содержанию

Автоматика Smartmodule SSVC0059 - диалог с производителем.


sanderzv
Сообщение добавил sanderzv

Обсуждаем ТТХ, принцип работы и алгоритм автоматики узла отбора SSVC0059.

Тема для обсуждения глобальных тем, связанных с развитием и улучшением проекта.

ssvc0059_750x300.thumb.jpg.e3ec3bfc3221cbe82d1c3ae01ed0dc54.jpg

 

Прежде чем задать вопрос, пожалуйста, проверьте нет ли его в списке наиболее часто задаваемых вопросов в первом сообщении темы.

Актуальная техническая информация на официальном сайте:

Сообщения на тему где купить и сколько стоит, вопросы по использованию задаем в теме "Автоматика отбора SSVC0059. Где купить? Сколько стоит? Вопросы после покупки...".

Вопросы к технической поддержке задаем по контактам, указанным в руководстве к контроллеру.

Имеется две версии контроллера, у второй версии имеются различные версии прошивок.

Настоятельная просьба: в сообщениях указывайте версию контроллера и версию прошивки, к которой относится Ваше сообщение.

Телеграм канал с новостями про SSVC0059: https://t.me/ssvc0059

Телеграм чат пользователей SSVC0059: https://t.me/ssvc0059_chat

Рекомендуемые сообщения

Опубликовано
6 часов назад, sanderzv сказал:

 

@sanderzv Проверил опять на мацерате , на автомате работает как положено, на ручном нет.

6 часов назад, sanderzv сказал:

Это сделано для того чтобы колонна работала "на себя".

Согласен  Может кто-то и пользуется. При отборе голов даже рекомендуют первые "плевки" без стабилизации в утиль ( по мотивам АлексеяТ), а за несколько часов колонна и так стабилизируется.

15.12.2022 в 22:21, sanderzv сказал:

а 5 секунд успевает что-то произойти критическое?

Да , на прямотоке из ТСА вылетает столько что  ГБ вырубает полность все. Разгон (контроль ТД1) нужно прекращать на отложнном пуске , а не на головах

06.08.2022 в 12:57, Alex0155 сказал:

Вот тема интересная. 

  • Спасибо 1
  • Ответов 2.9 тыс
  • Создана
  • Последний ответ

Топ авторов темы

  • sanderzv

    592

  • митрик

    309

  • Alex57

    165

  • yridro

    105

Опубликовано
23 минуты назад, medm сказал:

Разгон (контроль ТД1) нужно прекращать на отложнном пуске , а не на головах

Учитывая что предполагается что при штатном использовании к моменту отложенного пуска разгон все равно уже выключен, то можно и выключить разгон принудительно на этапе отложенного пуска.

32 минуты назад, medm сказал:

Разгон (контроль ТД1) нужно прекращать на отложнном пуске

При каком сценарии получается так, что надо пропустить ожидание на ТД1?

Что мешает установить эту температуру ниже, чтобы разгон отключился раньше?

Опубликовано

@medm а у тебя какая сборка автоматики(РМ и ссвк), собственная или от сборщиков? 

Опубликовано

@ПОМОР

21.05.2022 в 13:04, medm сказал:

@Грга Питич та - же схема, но уже работает у меня.  И решен вопрос по сливу остатков спирта с колонны после завершения процесса через нижний узел отбора, 1653104122028.thumb.jpg.fe09c5a9fa58f6b85139de71dc977362.jpg

 

@sanderzv Решил вопрос, датчики ТД1 и ТД2 местами переставил, на прямотоке все успевает автоматика штатно.  Спасибо за терпение и понимание.

Опубликовано
17.11.2022 в 14:47, sanderzv сказал:

 

Подскажите пожалуйста, работаю с ssvc0059v2 с базовой прошивкой, с одним клапаном, хочу обновить прошивку до 2.2.25, можно с этой прошивкой работать с 1 клапаном?

И ещё вопрос, встроенный барометр корректирует отбор при изменении атмосферного давления или это просто показометр?

Опубликовано
20 минут назад, Павел T сказал:

прошивку до 2.2.25, можно с этой прошивкой работать с 1 клапаном?

Нет.

Описание прошивки 2.2.25: https://smartmodule.ru/portfolio/ssvc0059_v2/2.2.25/

Описания прошивок:

https://smartmodule.ru/portfolio/0059_v2/

22 минуты назад, Павел T сказал:

встроенный барометр корректирует отбор при изменении атмосферного давления или это просто показометр?

Корректирует температуру датчиков температуры.

Опубликовано

Спасибо! Доп узлы отбора у меня уже по высоте потолков не проходят, да и не требуются, головы и тело беру с одного, хвосты не беру (отбор до 94° в кубе). От новой прошивки хотел бы отбор по шпоре (чтобы в ручную не уменьшать) и корректировку ТД в кубе (на 1,7° врёт). Обидно, не продумано.

Опубликовано
13 минут назад, Павел T сказал:

головы и тело беру с одного, хвосты не беру

Можно поставить двойник и два клапана для голов и тела, хвосты пропускать. В этом случае прошивка 2.2.25 применима.

Опубликовано

 

Sanderzv! Большая просьба сделать следующие изменения в программе (нужны при перегонке браги):

1.     В режиме “Голова” сделать дискретность установки времени равной 1 мин.

2.     При работе в РУЧНОМ режиме, при “Разгоне”, при достижении установленного порога температуры на ТД1 нужно:

а) чтобы подавался штатный звуковой сигнал;

б) система переходила в режим ожидания, т.е. реле модуля выключалось. При этом силовой РМЦ-3 переходит в режим “Пауза” и нагрев прекращается. Переход в режим “Голова” выполняется подошедшим оператором вручную, при этом модуль должен опять выдать команду “Реле” (включить РМЦ-3) и команду “Signal” (открыть клапан подачи воды).

Если в полном объёме выполнить оба пункта не представляется возможным, то хотя бы пункт №1 и 2а.

В автоматическом режиме тоже нужен пункт №1 и пункт №2а, а 2б, естественно, - не нужен.

Обосновываю:

Использую автоматику при перегонке браги, без клапанов. Перегоняю на потстилле, в который врезал зажимную муфту под датчик ТД1. Датчик ТД2 стоит в кубе в жидкости.

Отбираю первые 30-40 мл. вонючки (в утиль), затем голову СС в объёме 1% от навалки (коплю на ректификацию) и затем тело СС до 99.5*С в кубе.

Под своё железо и крепость браги подобрал температуру ТД1 такой (у меня 87*С), что к моменту перехода в режим “Голова” отберётся как раз весь объём вонючки. Приходится сидеть у аппарата и ловить этот момент, чтобы сменить посуду, т.к. программа сейчас автоматически переходит в режим “Голова” и, если прозевать этот момент, то вонючка в отборе смешается с головами, т.е. коту под хвост работа по отбору вонючки. Поэтому и прошу сделать звуковой сигнал и переход программы в режим “Голова” вручную.

Меняю посуду и дальше отбираю 350 мл. голов в режиме “Голова”. Чтобы отобрать эти 350 мл. с рекомендованной скоростью (0.8 л./час) есть 2 изменяемых параметра: мощность нагрева и время отбора. Мощность в РМЦ-3 вручную предустанавливаю 23 %, чтобы обеспечить нужную скорость отбора. А вот существующий сейчас дискрет не позволяет за заданное время 15, или 30 мин. отобрать нужный объём. Приходится опять сидеть у аппарата и вручную прекращать режим “Голова”, или наоборот, в ручном режиме добирать отбор голов на следующем этапе. Поэтому и нужен дискрет 1 мин.

Отбор тела СС делаю в режиме “Хвост”, минуя “Тело”. Вручную устанавливаю максимальную мощность (у меня 2.5-2.75 кВА). Конец процесса – по ТД2.

Спасибо за автоматику. Даже в таком виде она значительно облегчает работу. Главный её недостаток, по-моему, - отсутствие ШИМ для управления РМ. Жаль, а так можно было бы сделать 1-й перегон с тройником на выходе потстилла и тремя клапанами полностью автоматическим.

  • Спасибо 1
Опубликовано

Не до конца понимаю, ставлю время отбора голов ноль, тело до темп 40, хвост до 99.3. Всё льётся прямотоком до 99.3 вырубает. Или я что-то не до понял? Ты есть в телеге давай обсудим? 

  • Спасибо 1
Опубликовано (изменено)

Both ! Так как ты написал, то ты просто отбираешь СС. Я по многочисленным советам бывалых, подтверждённым их опытом перегонки и ГХ анализами отбираю головы, как описал в посте, максимально используя существующие возможности автоматики. Но приходится дежурить у аппарата, ловя момент окончания отбора самой вонючей начальной порции голов. Не нужно путать отбор голов при 1-й и 2-й перегонке. Здесь прямоток и нет кругооборота флегмы, как в колонне. Поэтому и советуют отбирать со скоростью 0.8 л./ час. А такую скорость отбора можно установить только уменьшив мощность нагрева. И минимальная существующая дискретность выбора времени в режиме “Голова” равна 15 мин., т.е. невозможно отобрать нужное количество голов. Поэтому и прошу разработчика внести изменения в программу.

 

Изменено пользователем Tren
Ошибочно отправил ещё раз.
Опубликовано

ПОМОР Я воспользовался схемой коллеги “avirin”, большое ему спасибо, поищи поиском на форуме. Т.к. внешнее управление на РМЦ-3 имеет величину “0”, или “+5В”, в качестве источника питания использовал БП от телефонной зарядки, 1.5 А. Соответственно и реле Ардуино взял на 5 В. Вся моя автоматика выполнена на 8 реле (4 сдвоенных блока реле): 2 реле – управление РМЦ-3; 2 реле – управление клапаном воды (по схеме, предложенной Миша Z, для уменьшения напряжения удержания реле клапана воды и, соответственно, его нагрева); 4 реле относятся к системе защиты: KSD 9700 (н.о.), датчик паров спирта, датчик разлива, датчик х.х. в кубе. Выходные контакты этих 4-х реле запараллелены. Команда “авария” (+5В) отрубает дифавтомат, но не напрямую, а через м/схему STK046, которая выдаёт сигнал при переходе фазы через ноль, тем самым защищая контакты дифа от подгорания. Схемы в удобоваримом для публикации виде нет, но если очень нужно, то нарисую. Но всё это уже есть на форуме.

Ну вот опять! Пока писал ответы коллегам, опять прозевал момент начала этапа "Голова" и начальная вонючка смешалась с головой СС. А если бы был звуковой сигнал, то успел бы подскочить к аппарату. 

Sanderzv ! Сделай, пожалуйста, хотя бы звуковой сигнал при начале этапа "Голова"

Опубликовано

 

24 минуты назад, Tren сказал:

звуковой сигнал при начале этапа "Голова"

Прежде чем внедрять новые фишки в прошивку, надо думать о сотнях других пользователей. Новые фишки должны быть обратно совместимы.

Все уже привыкли к определенной последовательности звуков, знают какой звук и о чем уведомляет. А нужен этот новый звук другим???

  • + репутация 1
Опубликовано

Если бы внешний динамик можно было бы подключить... На даче цены бы небыло)!

Опубликовано

В принципе разработчику и сейчас не трудно подпаять два проводочка к штатному зуммеру и вывести на клемник модуля. А дальше  - очумелые ручки потребителя.

  • - репутация 1
Опубликовано

Sanderzv! О какой последовательности звуков ты говоришь, к которой привыкли потребители и обратной совместимости? На какую совместимость повлияет звуковой сигнал в конце этапа “Разгон”? Кому может помешать этот сигнал? А вот мне он оказался практически необходим! А за других я не впрягаюсь. Вы же прекрасно понимаете, что форум читают сотни, я сам такой же, в основном, читатель, познаю теорию и практику других. А высказываются еденицы, те, кто увидел для себя практический смысл. И то, что через несколько часов после моей публикации ещё никто не высказался по-существу, ни о чём не говорит. Абсолютно уверен, что те, кто отбирает головы на 1-й перегонке, увидят практический смысл в моей просьбе и, возможно, выскажутся. Раньше Вы специально вели опрос по разным функциям и вносили затем изменения в программу.

Кстати, чтобы не плодить лишний пост, выскажусь по поводу изменения команды “Signal” в прошивке 2.2.25. Я пока не использовал модуль при 2-й перегонке, моё мнение касается только 1-й перегонки. Лично мне, на моём железе и вышеописанном методе перегонки на потстилле, с переставлением потстилла с 1.5 дюймового выхода куба на 3-х* выход после отбора голов СС, - это немного в лучшую сторону меняет оперативность управления. Переставляя потстилл, температура в ТД1 сразу уменьшается и РМЦ-3 переходит в режим “Разгон”. А в этом режиме РМЦ-3 неуправляем. Приходится 1-1.5 минуты стоять и ждать, пока температура в ТД1 не поднимется до пороговой. Тогда РМЦ-3 перейдёт в рабочий режим и становится возможным вручную выставить нужную мне мощность нагрева.

Опубликовано
1 час назад, Tren сказал:

звуковой сигнал в конце этапа “Разгон”

Включено в список хотелок.

  • Спасибо 1
Опубликовано
15 часов назад, sanderzv сказал:

список хотелок

И реализовать их всех до Нового года. А версию прошивки назвать 2.0.23😁

Всех с наступающим НГ! 

  • Спасибо 1
Опубликовано

Добрый день. Есть такая возможность подключения одного датчика DS18B20 одновременно к двум устройствам SSVC0059 и РПВ-8? 

Опубликовано
1 час назад, ZVEZDA сказал:

одного датчика DS18B20 одновременно к двум устройствам

Нет

Опубликовано
23.12.2022 в 16:18, Tren сказал:

звуковой сигнал в конце этапа “Разгон”?

Я не знаю , возможно ли это решить в программе.

Технически это решается очень просто.Реле которое по окончании Разгона включает воду на охлаждение, включает и зуммер оповещения.

Цена вопроса копейки. Стоит ли из-за этого засорять прошивки.

  • + репутация 1
Опубликовано (изменено)

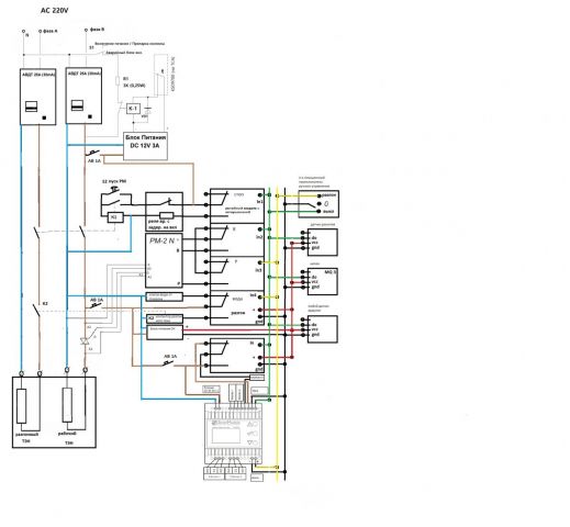
Где можно найти описание алгоритма работы этой схемы. Понимаю так: при включении ssvc подаётся питание на паузу; после запуска ssvc питание с паузы снимается и подаётся питание на разгон; после достижения нужной температуры на ТД питание снимается с разгона и РМЦ переходит в рабочий режим; при размыкании датчика ТСА подаётся питание на паузу. Вопрос: при срабатывании датчика ТСА отбор останавливается? Есть предложение в эту систему добавить РПВ-8 от бку с ГБ, добавить 2 реле на парралельные сигналы на РМЦ от РПВ-8, добавить реле на размыкание клапанов при подачи напряжения на паузу. Подача напряжения на питание клапана воды реализована в РПВ-8.

2021-12-29_19-47-07.png.51b925b6d98e62eb026666a712af1880.png

Изменено пользователем ZVEZDA
Опубликовано
23.12.2022 в 17:52, sanderzv сказал:

Включено в список хотелок.

Спасибо! Сделай, пожалуйста, Новогодний подарок и включи в список хотелок изменение дискретности установки времени отбора голов в 1 мин. Эти изменения программы никак не повлияют на совместимость с другими параметрами в более ранних версиях прошивки, а только расширят функционал модуля. Эта просьба рождена не на диване, а из практики.

 

15 часов назад, Alex57 сказал:

Реле которое по окончании Разгона включает воду на охлаждение, включает и зуммер оповещения.

Цена вопроса копейки. Стоит ли из-за этого засорять прошивки.

Это называется костылями. Если вопрос можно решить программно, - то так и надо сделать. Это расширение функционала программы, что потребителями очень приветствуется, если, конечно, есть ресурс памяти.

Опубликовано (изменено)
14 часов назад, ZVEZDA сказал:

 

Добавлено реле на отключение клапана и перевода РМЦ в паузу. (В EveryCircuit   "РМЦ плюс SSVC0059 V2"  https://everycircuit.com/circuit/5572972326420480)

 

circuit(3).png

circuit(2).png

circuit(1).png

circuit.png

 

2021-12-29_19-47-07.png.51b925b6d98e62eb026666a712af1880.png

Изменено пользователем ZVEZDA
  • + репутация 1
Гость
Эта тема закрыта для публикации ответов.
  • Последние посетители   0 пользователей онлайн

    • Ни одного зарегистрированного пользователя не просматривает данную страницу
×
×
  • Создать...