medm Опубликовано 29 марта, 2022 Опубликовано 29 марта, 2022 @Ромарио на радиатор поставил KDS9700 60 гр нормально разомкнутый, так кулер иногда только включается
serg66 Опубликовано 20 июля, 2022 Опубликовано 20 июля, 2022 Контакты "реле" и "сигнал" правильно включены?
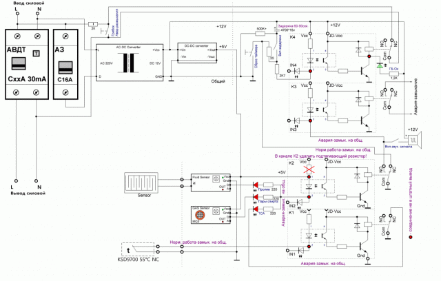
Миша Z Опубликовано 13 января, 2023 Автор Опубликовано 13 января, 2023 (изменено) Выкладываю новую схему ГБ (на ХД тоже выложена) : Особенности: Срабатывает на : -КЗ -Превышение нагрузки -Утечку тока -Протечку ССЖ -Превышение концентрации паров спирта -Любые датчики NC или NO (температура ТСА, контактный прессостат давления в кубе, поплавковый датчик уровня) Собрана ГБ по максимуму на готовых модулях, отдельные детали имеются, но на минималках. Имеется отключаемое звуковое оповещение. Предвижу вопрос, это же все примерно так и раньше было? Ну, плюс-минус... Есть некоторые новшества: Дополнительные NO-NC контакты на сработку, для оповещения (тут великое множество вариантов, что можно зацепить из внешних устройств, от удаленных звонков, до отправления СМС) Но пожалуй, самое интересное, это что при сработке датчика происходит оповещение, а вот отключение произойдет с задержкой, то есть у оператора, если он успевает прибыть в заданное время, и оценить критичность ситуации, появляется возможность исправить все без остановки процесса, и последующего перезапуска. Собсно, схема: Вопросы-ответы: Можно ли подключить несколько NC датчиков? Да, если соединять их последовательно с термостатом на ТСА. Можно ли подключить один или несколько NO датчиков? Да, если один вывод датчика соединить с общим проводом, а второй с релейным выводом NC канала K1 Так же к модулю протечки можно подключть большое количество датчиков, их тип уже был описан в начале данной темы. Есть ли раздельная индикация на сработку каждого датчика? Есть раздельная индикация по сработке датчиков паров спирта, протечки и любого из группы контактных датчиков.. сработка каждого отдельного контактного датчика не индицируется ( хотя, при необходимости, можно и добавить индикацию). Что за релейный модуль? Вот такой: их на али множество. вот ссыль, чисто для примера. модуль 12V 4 канала. Требует ли релейный модуль переделки? 1. надо удалить резистор, идущий к 1 ноге оптопары в канале К2 (или просто перерезать дорожку к этой ноге) 2. соединения припаиваются не к штатным контактам платы, а к выводам оптопар, и одному контакту реле, что особых сложностей не составляет, контакты эти достаточно большие и припаиваться к ним удобно.. Блок питания 12В 1-1,5А, DC-DC преобразователь, практически любой, с выходом на 5 вольт, потребление там достаточно невелико. Если нужно конкретные примененные варианты, укажу, но думаю что проблем с этим не возникнет. При необходимости питать не только ГБ, но и всю прочую атоматику, возможно использовать БП от компа, в нем есть сразу и +12В и +5В, и по мощности запас очень болшой, их БУ-шных, в техотделах компьютерных фрим в достатке валяется и отдают обычно крайне недорого. Из минусов этого варанта - габариты. Работа: При включении, сначала подается питание на автоматику безопасности, и после загорания зеленого светодиода "ГБ-Ок", можно включать АВДТ, подавая питание на силовую линию. Реле канала К3 срабатывает сразу, при сработке любого из аварийных датчиков (загорается красный светодиод в соотв. канале). Так же, при сработке датчика включится звуковой сигнал (если он не отключен). Отключение силовой части при сработке датчика зависит от положения выключателя "Включение задержки". В случае отключенной задержки, при сработке аварийного датчика, отключение силовой части происходит сразу же. В случае если задержка активирована, то после сработки датчика включатся только звуковой оповещатель, и сработает реле в канале К3, а отключения не произойдет. Силовая нагрузка отключится через примерно одну-полторы минуты, если оператор не прибудет на место, и не сбросит таймер отключения. При нажатии сброса таймера до отключения оператор получает еще такое же время как после срабатывания датчика (60-90 сек). Сбрасывать таймер можно неограниченное количество раз, если устранение нештатной ситуации потребует времени, а останавливать процесс не надо. Почему взято именно такое время? Потому что за 60-90 секунд вряд ли возникшая нештатная ситуация успеет развиться до критической, а у оператора будет достаточное время на прибытие, оценку ситуации и принятие решения, на срочное отключение или же на продолжение работы и устранение нештатки "на ходу". Можно ли изменить это время? Да, достаточно изменить емкость электролитического конденсатора с 4700мкф на другую (подобрать требуемую, от 1 000 до 10 000 микрофарад) Изменено 13 января, 2023 пользователем Миша Z 1 6 Что в пруду.. что в хлеву.. нам, свинокарасям, везде - дом родной!
Alex57 Опубликовано 13 января, 2023 Опубликовано 13 января, 2023 1 час назад, Миша Z сказал: Выкладываю новую схему ГБ (на ХД тоже выложена) : Давно пора! А то всё это на проводочках лепим. Сборки автоматики SSVC0059 и РМ2
Миша Z Опубликовано 13 января, 2023 Автор Опубликовано 13 января, 2023 (изменено) @Dernder Кто почем? Что почем? Все, что я тут выкладываю, совершенно бесплатно, для частного повторения. А если планируется серийное производство, обращайся, договоримся и о правах, и о авторской поддержке с тех.документацией @Alex57 Согласен, давно пора было, да только эта схема, в несколько более продвинутом виде, шла как базовая в ГБ, которые я на заказ ваяю А их схемы я не публикую обычно, по вполне понятным причинам. Но тут решил чуток упростить, и поделиться с коллегами. 24.01.2022 в 20:28, medm сказал: тандеме с SSVC0059 от Смарт модуля ваша ГБ смотрелась бы нарядно. Кстати, вышеозначенная схема вполне нарядно смотрится в тандеме со второй версией автоматики отбора от SSVC. Изменено 14 января, 2023 пользователем Миша Z Что в пруду.. что в хлеву.. нам, свинокарасям, везде - дом родной!
Dernder Опубликовано 14 января, 2023 Опубликовано 14 января, 2023 6 часов назад, Миша Z сказал: Кто почем? Что почем?)) Но вот же: 6 часов назад, Миша Z сказал: которые я на заказ ваяю )) Таки почём?
Миша Z Опубликовано 14 января, 2023 Автор Опубликовано 14 января, 2023 (изменено) Так нет же никакой единой цены, даже сейчас два довольно похожих изделия отдаю, но у одного заказчик попросил сделать силовые кабели определенной длины и 32A CEE-разъемы, а у второго к базовой конструкции добавились съемный датчик спиртовых паров, и в комплекте запасной датчик, ну и второй комплект наклеек с надписями, на случай порчи имеющихся)) А бывает, что и на трехфазное питание клиенту требуется ГБ, или в металлическом корпусе, или доп. каналы датчиков требуются.. Это же все на ценник влияет. Если нужно, то с конкретным списком пожеланий в личку, будем считать и обсуждать.. Сразу честно говорю, работа штучная и заказная, да и форуму процент от заказа отчислять надо, потому честно обозначусь сразу - большой дешевизны ожидать не стоит. Изменено 15 января, 2023 пользователем Миша Z 1 1 Что в пруду.. что в хлеву.. нам, свинокарасям, везде - дом родной!
chir Опубликовано 11 марта, 2023 Опубликовано 11 марта, 2023 Михаил, здравствуйте. Пришли мне комплектующие по вашей схеме ГБ. Буду все собирать. Можно вопросы задавать? Светодиоды какие нужно испльзовать? 5Вольтовые или на 12В сброс таймера - кнопка нажимная без фиксации? у меня на реле 4х канальном есть разьем JD-VCC. Там нужна перемычка или нет?
chir Опубликовано 11 марта, 2023 Опубликовано 11 марта, 2023 Блин мудренная для меня схема что то. Не мог бы кто пошагово описать или видео снять как все это собрать Думаю что еще кому это понадобиться
Alex57 Опубликовано 11 марта, 2023 Опубликовано 11 марта, 2023 3 часа назад, chir сказал: Блин мудренная для меня схема что то. Да. Эта схема выше среднего уровня сложности. Но она очень удачно сочетается с SSVC0059 и любой РМкой. Сборки автоматики SSVC0059 и РМ2
chir Опубликовано 11 марта, 2023 Опубликовано 11 марта, 2023 у меня как раз SSVC только РВМК. Александр, а вы мне на фото платы реле не подпишите куда что припаевается. Пожалуйста
Миша Z Опубликовано 11 марта, 2023 Автор Опубликовано 11 марта, 2023 chir на эти же вопросы ответил в теме на ХД. Что в пруду.. что в хлеву.. нам, свинокарасям, везде - дом родной!
hardvik Опубликовано 12 марта, 2023 Опубликовано 12 марта, 2023 (изменено) 15 часов назад, Миша Z сказал: ответил в теме на ХД Как тема называется? Что то не найду поиском. И правильно ли на 4 реле контакты нарисованы? Они зазве не замкнуться должны для отключения? Изменено 12 марта, 2023 пользователем hardvik
chir Опубликовано 12 марта, 2023 Опубликовано 12 марта, 2023 https://forum.homedistiller.ru/index.php?topic=233721.780
Рекомендуемые сообщения
Для публикации сообщений создайте учётную запись или авторизуйтесь
Вы должны быть пользователем, чтобы оставить комментарий
Создать аккаунт
Зарегистрируйте новый аккаунт в нашем сообществе. Это очень просто!
Регистрация нового пользователяВойти
Уже есть аккаунт? Войти в систему.
Войти