127L Опубликовано 6 сентября, 2016 Опубликовано 6 сентября, 2016 (изменено) ЭТО к размышлениям :)1. Кубовая установка.2. Отбор с нижней тарелки нижних промежуточных. Тарелкой может быть например мокропарник в который подается пар из куба и от которого питается паром колонна. Естественно предусмотрен узел слива.3. Слив ведут при 90 - 94 С в кубе. Что соответствует крепости кубовой жидкости 10 - 6 % об. алк. Если в кубе бражка (она как раз такой примерно спиртуозности), то сливаем в начале процесса.4. Отделение сивухи с помощью воды и возврат частично очищенного дистиллята в куб. Советский сивушный сепаратор. Такого варианта я не видел на форумах, интересно.[member=alexeyT], я не критикую твою с Валерой методику, она мне интересна. :) Изменено 6 сентября, 2016 пользователем 127L Раствор коварен!
alexeyT Опубликовано 6 сентября, 2016 Автор Опубликовано 6 сентября, 2016 (изменено) [member=127L], 1. при 10% бражке Т*кип = 93*с 2. слив ИСКЛЮЧИТЕЛЬНО под 1 ТТ(фт), т.е. то, что должно в куб возвращаться. Никакого накопления сивухи на тарелках во-первых. НЕ накопится. во-вторых, потери спирта резко возрастут. на этом и построена идея - не отправлять более 10-15 % в оборотку 3. сепарировать сивуху... оно красиво, но обессмысленно в наших реалиях, 6 гр с 1 л АС... оптимистично Сивуха - намного более дорогостоящий компонент, потому в промышленности его и извлекают. даже при моих 200 л АС в год = 1 литр сивухи... Зачем?? ПыСы. Андрей, НЕ стоит кафтан непрерывки (промышленной) примерять на кубовый ... да еще при микро-объемах 100 л браги содержат 60 гр сивухи. Ее толком на тарелках и не сконцентрируешь... НУО при ректификации (кубовой) имеет смысл. просто потому, что там сивухи может быть в РАЗЫ больше... потому как гоним с СС. и удержания насадки или ФТ может просто не хватать... повторюсь. Это - модифицированное дробление (Габриэль). с очень приличным выигрышем по времени, за счет очистки Т1 в процессе 1й перегонки Сравни с Юриной классикой. 4 перегона... Изменено 6 сентября, 2016 пользователем alexeyT
ВОблин Опубликовано 6 сентября, 2016 Опубликовано 6 сентября, 2016 Это - модифицированное дробление (Габриэль). миньены 223-го говорят что воблевание ничего общего не имеет с их методикой... да и Юра как-то холодно отнесся, видать не проникся 1
alexeyT Опубликовано 6 сентября, 2016 Автор Опубликовано 6 сентября, 2016 (изменено) [member=ВОблин], Валер, да покуй... пущай буферят... коли Бахус мозгами обделил.... пысы. Загляни в ПБ, там народ уже много дней задачку решает... Т в кубе выше, чем Т пАра Как так? пц, короче.... Урфин Джус и его ДЕРЕВЯННЫЕ солдаты.... Изменено 6 сентября, 2016 пользователем alexeyT 2
127L Опубликовано 6 сентября, 2016 Опубликовано 6 сентября, 2016 (изменено) Это - модифицированное дробление (Габриэль). с очень приличным выигрышем по времени, за счет очистки Т1 в процессе 1й перегонки Сравни с Юриной классикой. 4 перегона... так и сделал, размышлял над тем, как бы мне с браги получить дистиллята зернового, для целей схожих с Юриными, - четыре перегонки для меня непосильная задача как сделать с одной? Алексей и Валера, вы открыли дверь, теперь я знаю как, и за это вам респект. На самом деле я думал в этом направлении но сомневался. Изменено 6 сентября, 2016 пользователем 127L Раствор коварен!
alexeyT Опубликовано 6 сентября, 2016 Автор Опубликовано 6 сентября, 2016 (изменено) [member=127L], попробуй, а вдруг - ТВОЕ? на край - Т1 отдельно, а Т2 просто укрепить, до питейного ты ж апологет духовитых дистиллятов... пысы. ОтГабриэливание тоже пугает, поначалу... 5 перегонов !!?? только вот суммарное время ощутимо меньше, чем 2 традиционных, прямой и на царге... потому как 4.5 перегона идут на прямотоке, с бешенным выходом... 4+литра на 1 квт струя в 25 л/час 92% завораживает.... Изменено 6 сентября, 2016 пользователем alexeyT
127L Опубликовано 6 сентября, 2016 Опубликовано 6 сентября, 2016 Теперь спокойно, без эмоций, давайте все разложим по полочкам. Даже не для нас, а для тех кто будет после нас. Для меня стало "открытием" (в кавычках потому что для меня, многие наверно это знали), что Крект примеси изменятся не только от концентрации спирта, но и от концентрации примеси. Нет никакого Т1 и Т2. В чем собственно вопрос. Вопрос только в том, что появилась возможность отсечь изомеры спиртов, при кубовой дистилляции с сохранением эфиов. Вот за это - все лавры, Раствор коварен!
alexeyT Опубликовано 6 сентября, 2016 Автор Опубликовано 6 сентября, 2016 (изменено) [member=127L], Т1 и Т2 - условности для простоты восприятия модели зависит от границы разделения у Габриэля , при располовинивании по АС, различаются раза в 4-5 по сивухе при доочистке Т1 и смешивании с Т2 сивуха снижается раз в 8-10 ОтВобливание - это очистка Т1в темпе перегона. с минимальной модернизацией оборудования 2 перегородки в трубе и трубочка отбора.... 15 минут работы Изменено 6 сентября, 2016 пользователем alexeyT 2
127L Опубликовано 6 сентября, 2016 Опубликовано 6 сентября, 2016 Т1 и Т2 - условности этим все сказано, все остальное дело вкуса Раствор коварен!
Alexey U. Опубликовано 7 сентября, 2016 Опубликовано 7 сентября, 2016 у Габриэля , при располовинивании по АС, различаются раза в 4-5 по сивухе при доочистке Т1 и смешивании с Т2 сивуха снижается раз в 8-10 ОтВобливание - это очистка Т1в темпе перегона. с минимальной модернизацией оборудования 2 перегородки в трубе и трубочка отбора.... 15 минут работы Алексей, приветствую, у мну царга из меди д35мм, 1м . Если добавлю сверху ЦП, 0.5м, такой же диаметр, насадка везде мочалки. Вопрос собственно такой - на какой примерно мощности пытаться выйти на режим ? Рабочая у меня около 1000вт, но при ректе, я отбирал не более 700-800мл/ч, а в конце ректа, вообще, не более 400мл/ч получается, иначе растёт Т1/3. и ещё: Как я понял из темы, на куб мне такую колонну ставить не нужно, можно соединить нержегофрой, колонну поставить хоть на пол, и всё ,что будет сливаться, либо копить в небольшой ёмкости (буфер, литров 3-4, для куба 30л, хватит наверное), или, просто слив с НУО в отдельную банку ?
alexeyT Опубликовано 7 сентября, 2016 Автор Опубликовано 7 сентября, 2016 (изменено) [member=Alexey U.], да сделай, как удобнее... могу тебе нуо спаять.... по себестоимости, на сл неделе. рублей 800 выйдет. если внизу у тебя резьба(2 фитинга + переход) тогда соединители выдумывать не придется... и тройники а по теме - отбор идет по контролю Т в царге. примерно соответствует отбору НДРФ, мощи чуть больше(она нужна для компенсации слива засивушенной фракции с НУО). после примерно половины отжатого АС - перекрытие НУО, перекрытие возврата, прямой отбор до 10% в струе Изменено 7 сентября, 2016 пользователем alexeyT
gabriel 61 Опубликовано 8 сентября, 2016 Опубликовано 8 сентября, 2016 да и Юра как-то холодно отнесся, видать не проникся Проникся , просто завидно мне. Да , видно никуда не денешься , придется раскошелиться на ПВК. А может ты с острым паром чего-нибудь такое придумаешь ? В принципе можно , только куб заполнять на 2\3 , чтобы через край не потекло.
alexeyT Опубликовано 8 сентября, 2016 Автор Опубликовано 8 сентября, 2016 [member=gabriel 61], Юра, данной методе ПОФИГ она и с парогеном работает, потому как НЕТ возврата в куб 1
breeee4 Опубликовано 8 сентября, 2016 Опубликовано 8 сентября, 2016 ПОФИГ а почему насадке не пофиг? всегда одной из причн в ответе на нежелательность ректа/недоректа с браги фигурировала засираемость насадки..
Рифей033 Опубликовано 8 сентября, 2016 Опубликовано 8 сентября, 2016 Так заслон же стоит на пути пара в виде УНО ( микроПБ или пергородчатый ) . Да и на НДРФ не газуешь как напрямую . Или я не прав ? 1
Alexey U. Опубликовано 8 сентября, 2016 Опубликовано 8 сентября, 2016 [member=Alexey U.], да сделай, как удобнее... могу тебе нуо спаять.... по себестоимости, на сл неделе. рублей 800 выйдет. если внизу у тебя резьба(2 фитинга + переход) тогда соединители выдумывать не придется... и тройники Спасибо! С пайкой проблем нет, освобожусь чуток, и сделаю. У меня внизу царги внутр.резьба 1", я перепаяю её на тройник, чтобы появилась боковая резьба 1/2". Так царгу можно будет и для ректа использовать, и для работы с нуо. По работе более-менее понятно, с мощностью буду определяться по ходу перегонки. Да, вопросик такой возник - для нуо доохладитель нужен, или так, просто сливать в банку ? Излишнего запаха сивухи из банки не будет?
Рифей033 Опубликовано 8 сентября, 2016 Опубликовано 8 сентября, 2016 Сделай гидрозатвор в виде ' U ' или петлей -заодно и доохладитель и парить не будет .
Аквалюб Опубликовано 8 сентября, 2016 Опубликовано 8 сентября, 2016 [member=Alexey U.], Глянь 3 крайние фото, и ни какого запаха. http://forum.grainwine.info/index.php/topic/735-ispolzovanie-no-nizhnii-otbor-i-cp-pri-kubovoi/?p=61972#entry61972 1 Если хочешь быть счастливым - будь им ! (Козьма Прутков )
gabriel 61 Опубликовано 8 сентября, 2016 Опубликовано 8 сентября, 2016 gabriel 61, Юра, данной методе ПОФИГ она и с парогеном работает, потому как НЕТ возврата в куб Если нет возврата , как просчитать количество отбора с НО , соотносительно отбора сверху , подаваемой мощности и ФЧ? Все убирать? А если там выйдет 90% от АС? Опытным путем пробовать? Тут, на мой взгляд , слишком много критериев , чтобы получить какой-то более-менее оптимум . Может есть наработки у кого , а я не увидел? Глянь 3 крайние фото, и ни какого запаха О , Валер , какая темища. Буду изучать.
alexeyT Опубликовано 8 сентября, 2016 Автор Опубликовано 8 сентября, 2016 [member=gabriel 61], отбирать нужно ВСЕ никаких 90 там и в помине нету.... погляди на картинки с плейта.... на этом и основано все... пысы. у Аквалюба -НУО с ТТ, паровой. по накоплению примеси, с узлов концентрации тут - отбор с возврата в куб, жидкостной. отбирается с начала до... Т2 принципиальная РАЗНИЦА
gabriel 61 Опубликовано 8 сентября, 2016 Опубликовано 8 сентября, 2016 (изменено) погляди на картинки с плейта. Леш , ткни пжлст , не догоняю где это. Изменено 8 сентября, 2016 пользователем gabriel 61
alexeyT Опубликовано 8 сентября, 2016 Автор Опубликовано 8 сентября, 2016 [member=gabriel 61], 1 стр, 5 пост возврат от 29% до 5%. массовых и далее в табличках ГИПОТЕЗА, оцифрованная 1
Виктрыч Опубликовано 8 сентября, 2016 Опубликовано 8 сентября, 2016 В этом есть зерно к бабке не ходить. Ведь на обычном прямоточнике всю энергию куба тупо сливаете в канализацию. Дык пусть проработает и выдохнется. 1 Дорога к обеду ложка, К ночи дорог унитаз.
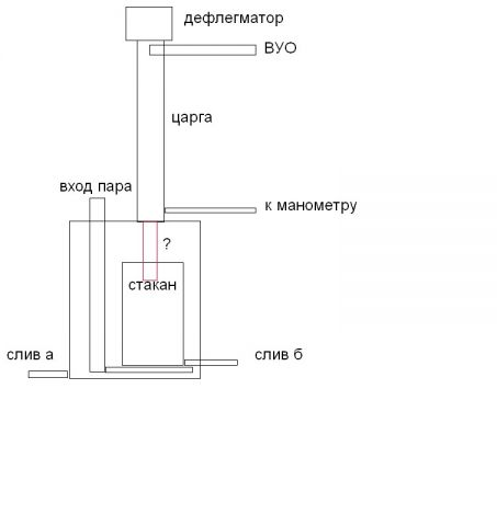
127L Опубликовано 8 сентября, 2016 Опубликовано 8 сентября, 2016 «CCCМ» - советский сивушный сепаратор модернизированный ^) Думаю в эту сторону. Опустить слив флегмы с колонны в стакан или нет? Под мои бражки, для куба 65 литров, объем стакана прикинул - 2 л, внешний бак 10 литров Раствор коварен!
Виктрыч Опубликовано 8 сентября, 2016 Опубликовано 8 сентября, 2016 (изменено) А обычный мокропарник с миниколонной. Был такой пару лет назад. Все тела по баночкам после выключения. Только правильно выбрать его моментИ в итоге Мсд или как её там от нанопрохфессора. Только банок поменьше. Изменено 8 сентября, 2016 пользователем ванечка Дорога к обеду ложка, К ночи дорог унитаз.
Рекомендуемые сообщения
Для публикации сообщений создайте учётную запись или авторизуйтесь
Вы должны быть пользователем, чтобы оставить комментарий
Создать аккаунт
Зарегистрируйте новый аккаунт в нашем сообществе. Это очень просто!
Регистрация нового пользователяВойти
Уже есть аккаунт? Войти в систему.
Войти