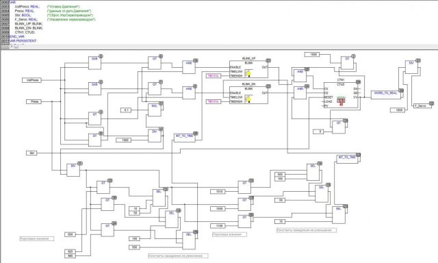
GrOV Опубликовано 28 марта, 2016 Опубликовано 28 марта, 2016 (изменено) Мопед не мой - подсмотрел на ОВЕНовском форуме у Братковского Павла.. Предложена для программируемых реле..Преределал под себя - для ПЛК63.. Пример пропорционального управления сервоприводом с целью регулировки подачи воды в деф по давлению.. Входы - UstPress - уставка давления в дефе.. Press - значение давления с датчика.. Sbr - сброс регулирования - выход становится в 0.. Выход - F_servo - Число в формате флоат(4байта).. 0...1 с шагом в 1 тысячную.. 0 - кран полностью открыт - вся вода после конденсатора - в деф. 1 - кран полностью закрыт - вся вода после конденсатора в обратку - мимо дефа ... Пока только в эмуляции - жду датчик давления на 6 кПа..Мои имеющиеся - более "грубые" Получу - опробую.. Изменено 28 марта, 2016 пользователем GrOV
capsolo Опубликовано 28 марта, 2016 Автор Опубликовано 28 марта, 2016 через время не менее 750мс (я считывал через 1с) по прерыванию от таймера ну если в ардуинской среде шкодить можно по началу преобразования взвести флаг и считать millis(), а потом его сравнивать , читать значение и флаг спускать
m16 Опубликовано 28 марта, 2016 Опубликовано 28 марта, 2016 нет, проц так же будет сидеть тупо в ожидании исхода 750мс. лучше организовать системный тик в 10мс от таймера или по прерыванию от ноля сети . в прерывании от таймера (ноля сети) отсчитывать необходимый временной интервал . временные интервалы тебе по любому ещё понадобятся посему лучше организовать программный N-канальный таймер. и тут же полезно организовать системные часы - секунды-минуты-часы. часы я делаю по модулю 100 а не как привычно 24. по часам уже можно вести лог процесса . поясню на примере. клапан К1 должен включиться на А сек и выключиться на паузу Б сек. включаем К1, загружаем программный таймер Тк1 (первого клапана) в основной программе и устанавливаем флаг Фк1 и в основном цикле периодически опрашиваем его. в прерывании при каждом тике вычитаем Тк1 , как только последний стане равным 0, сбрасываем флаг Фк1. в основном цикле опрашиваем Фк1 , ели он равен 0 то клапан выключаем и аналогично запускаем таймер на Б сек. таймер для дс-ки организовывается внутри тела прерывания. запускаем преобразование SKIP ROM [CCh] , загружаем таймер Тдс = 750 мс. и после каждого декремента в 10мс проверяем на 0. время вышло- не выходя из прерывания считываем датчики . значения сохраняем в памяти. снова SKIP ROM [CCh]....... таких программных таймера у меня бывает до шести. чем это удобно - всё это работает в фоновом режиме не мешая процу выполнять основной цикл, лишь изредка и не надолго отрываясь на обработку прерывания.
capsolo Опубликовано 28 марта, 2016 Автор Опубликовано 28 марта, 2016 Это системное время? да. Первый таймер опосредованно.
capsolo Опубликовано 30 марта, 2016 Автор Опубликовано 30 марта, 2016 (изменено) Вобщем первый мой проект на Ардуино. В целом все понравилось, т.к. по сути можно работать на любом уровне абстракции от кучи тяжелых библиотек для быстрого прототипирования, до ассемблера и работы с регистрами. Не понравилась IDE. По сравнению с Atmel Studio выглядит убого. Я думаю без проблем можно работать в AS, подключив туда необходимые библиотеки, и, наверное, встроенный программатор Ардуины тоже там определится. Пока это не пробовал делать. В проекте есть работа с со следующей периферией: 1) LCD 1602 (не I2C) 2) градусник 18В20 (1wire) 3) датчик давления MPX5050DP с переводом шкалы в мм.рт.ст 4) аналоговый жойстик с кнопкой 5) сервомотор по трехпроводной схеме. Стабилизацию давления по управлению сервы сделал линейную. Даже не пропорциональную. При медленных изменениях, думаю, будет работать. Скетч умеет выводить температуру, давление в мм.рт.ст, текущее положение сервомотора, управлять сервомотором с джойстика, работать с тремя предустановками положения сервомотора (записывать и вызывать с сохранением в EEPROM), крутить сервомотором, пытаясь стабилизировать текущее давление в режиме стабилизации. linas.ino.zip - может кому-то поможет для быстрого погружения в ардуинный мир. Как смог - закомментил По ходу возник вопрос: купил я мощную серву, а она просаживает питание так, что контроллер перегружается. Питаю от источника питания 12В 2А. Что с ней делать? Вешать на отдельный DC-DC преобразователь, который параллельно запитать от БП? Изменено 30 марта, 2016 пользователем capsolo 1
hardvik Опубликовано 30 марта, 2016 Опубликовано 30 марта, 2016 [b][member=capsolo][/b], Попробуй электролит на выходе БП побольше поставь. 4700 или 6800 на 25В. 1
61003 Опубликовано 30 марта, 2016 Опубликовано 30 марта, 2016 чтобы не зависеть от силовой части делай отдельный бп на ардуину и развязывай управление через оптопары, либо бери более мощный бп, чтобы напряжение не проседало. ИМХО проще отдельный бп насчет интерфейса я к eclipse пикручивал в линуксе даже.
capsolo Опубликовано 30 марта, 2016 Автор Опубликовано 30 марта, 2016 более мощный бп, чтобы напряжение не проседало. Да уж куда мощнее двух ампер. Правда заявлено, что у этой зверюги усилие 16Кг. Я почему-то верю. Просто слышал, что если запитывать от другого бп у дуньки пины выгорать могут.
61003 Опубликовано 30 марта, 2016 Опубликовано 30 марта, 2016 в момент старта там 20-30 кратные перегрузки от номинального тока. на любых сервах так. ем более, что он у тебя нагруженный. делай всю упавляющую часть от другого бп, а 3 управляющих пина отвяжи 3ми оптронами, например 4n35 простейшими. получится, что ардуина твоя будет мигать светодиодами и не будет ничего знать о серве и ее токах я это все испытал когда делал перистальтику на ардуине по конструкции mak. там тоже у драйвера шаговика оптический входной интерфейс, все работало шикарно, БП был 4А 1
capsolo Опубликовано 30 марта, 2016 Автор Опубликовано 30 марта, 2016 Леш у меня не шаговик, а серва - управляющий пин один. По поводу оптрона вкурил. Буду пробовать.
capsolo Опубликовано 30 марта, 2016 Автор Опубликовано 30 марта, 2016 говорил час назад с одним форумчанином. оказывается авиамодели разбиваются очень легко. Очень дорогие модели. Моделисты специально просят пилотов опытных, чтобы посмотреть как их модель будет выделывать разные фигуры. передают управление. Неужто нельзя внедрить систему, которая спасет модель, если ее хозяин решил ее угробить? Мне кажется - это вполне решаемая задача. По крайней мере мне внушает оптимизм обучение, пройденное на одной правильной кафедре в институте. Там все объекты не смотря на погодные и прочие условия попадают туда, куда их направили.
GrOV Опубликовано 31 марта, 2016 Опубликовано 31 марта, 2016 попадают Ключевое слово - попадают..То есть - падают..
capsolo Опубликовано 31 марта, 2016 Автор Опубликовано 31 марта, 2016 .То есть - падают.. ну чуть пораньше все распределяется кто куда. В 21 веке, наверное, и скорректировать можно если че
Федул Опубликовано 31 марта, 2016 Опубликовано 31 марта, 2016 [b][member=capsolo][/b], я в автоматике профан, однако читал на ЛС об автоматике типа Роса, что за зверь, есть ли мнение?
Аквалюб Опубликовано 31 марта, 2016 Опубликовано 31 марта, 2016 (изменено) Пропуская рекламку, интересно, что либо у нас делают ? Интерфейс понравился http://distillationathome.com/forum/forum15/topic815/ https://youtu.be/cmUtr5ewMm4 Изменено 31 марта, 2016 пользователем Аквалюб Если хочешь быть счастливым - будь им ! (Козьма Прутков )
61003 Опубликовано 31 марта, 2016 Опубликовано 31 марта, 2016 прикалываешься чтоли? пустышка абсолютная, достаточно посмотреть на плату. не говоря уже о их супер-алгоритме АПТ, где они зачем-то поддерживают температуру перед конденсатором регулируя мощность нагревателя. на мои вопросы что это дает, ответа не получил. до кризиса базовый комплект однофазной автоматики стоил 28 000 руб платить за 3 термометра + регулятор мощности + старт-стоп такие деньги это вообще неадекват
Аквалюб Опубликовано 31 марта, 2016 Опубликовано 31 марта, 2016 (изменено) Мдя, в начале темы в районе десятки было. Чес говоря в дебри не лез, просто интерфейс показался удобным. На моей ВМ 8036 не так удобно. А " 3 термометра + регулятор мощности + старт-стоп" у меня и так есть Изменено 31 марта, 2016 пользователем Аквалюб Если хочешь быть счастливым - будь им ! (Козьма Прутков )
61003 Опубликовано 31 марта, 2016 Опубликовано 31 марта, 2016 (изменено) ну если хочешь, я за 20 (по свойски) тебе такое же сделаю. даже морду закажу в соседнюю типографию. если говорить серьезно, то весь функционал этой чудо-автоматики реализуется 3мя термостатами с али по 200р + РМ за 1000. итого с коробкой и симисторами в районе 2-3 т.р. Изменено 31 марта, 2016 пользователем 61003
Аквалюб Опубликовано 31 марта, 2016 Опубликовано 31 марта, 2016 (изменено) Ох ты. Дык ведь наверное можно планшетник в ВМке притулить. Записать нужную прогу и на кнопочки ВМки давить не надо. Попробую. [member=61003], А экран ? РМ есть в наличии , датчики то же ))) Что делает эта шайтан машина, даже не смотрел. Видимо я просто не разборчиво выразился, не донёс мысль ))) Глядел на интерфейс и удобство корректировки программ, вот что мне понравилось. Изменено 31 марта, 2016 пользователем Аквалюб Если хочешь быть счастливым - будь им ! (Козьма Прутков )
61003 Опубликовано 31 марта, 2016 Опубликовано 31 марта, 2016 в том-то и дело, что они скромно и специально умалчивают вообще-то о функциональных возможностях. реально при ректификации она делает старт-стоп т.е. тоже самое, что и любой термостат за 100р. так же она делает регулировку мощности БЕЗ СТАБИЛИЗАЦИИ, что делает обычный китайский регулятор за 500р. еще она затирает пиво, как и 100500 автоматик на ардуинах и т.п. управляет мешалкой!! при том, что она есть у 1% пользователей, да и что ей управлять? какие-такие супер алгоритмы? разве нельзя просто ее включить? больше она собственно ничего не делает, ах да, еще показывает температуру воды в холодильнике т.е. еще один термостат за 100р. главное пыль в глаза лохам пустить, что это наша сборка (поэтому столько и стоит), что экранчик большой, интерфейс удобный и т.п. в общем с комплексом того же msg31 это просто детский сад какой-то 1
Аквалюб Опубликовано 31 марта, 2016 Опубликовано 31 марта, 2016 [b][member=61003][/b], Ага, когда то у ДГ был чудо клапан ( Корейский ) по сути просто авто-стоп по не детской цене. Видать из этой же серии, пыль в глаза. Если хочешь быть счастливым - будь им ! (Козьма Прутков )
capsolo Опубликовано 31 марта, 2016 Автор Опубликовано 31 марта, 2016 (изменено) ха...за 28 я им вот этими волосатыми руками...автоматику от Максима соберу! тока кое-что по-своему сделаю. А че так-то 22-23к не лишние. Они и вайфай прикрутилии сервер инетовский сделали для просмотра процесса с серым айпишником, и приложения для андроид и иос. Изменено 31 марта, 2016 пользователем capsolo
capsolo Опубликовано 5 апреля, 2016 Автор Опубликовано 5 апреля, 2016 Коллеги, я никак не это, не уйду от мощной сервы. Хочу опять с минимумом проводов. Бп 12 вольт 2А. Хочу с Vin их забрать и через делитель напряжения запитать серву на 6в. Покатит такой номер?
Glog Опубликовано 6 апреля, 2016 Опубликовано 6 апреля, 2016 через делитель напряжения запитать серву на 6в А какой ток потребления у железки? Если 1А, и потребляет она 6 вт, то такие же 6 вт будут рассеиваться на резисторах делителя. Стабилизатор. А лучше частотный преобразователь, как более экономичный. 1 Ох уж эти сказочки! Ох уж эти сказочники!
Рекомендуемые сообщения
Для публикации сообщений создайте учётную запись или авторизуйтесь
Вы должны быть пользователем, чтобы оставить комментарий
Создать аккаунт
Зарегистрируйте новый аккаунт в нашем сообществе. Это очень просто!
Регистрация нового пользователяВойти
Уже есть аккаунт? Войти в систему.
Войти