Mihalich Опубликовано 10 июля, 2018 Опубликовано 10 июля, 2018 (изменено) поподробнее пожалуйста объясните про конденсатор (емкость) - всё-таки 0,1 или 0,01 мКф нужно??? А в ответ - тишина. В общем, докладаю: Резистор 82 ОМ, конденсатор - 0,022 мКф (если я правильно расшифровал) - спаял, подключил параллельно обмотке клапанов. Оставил работать на всю ночь - утром все термостаты работали штатно. Конечно, дело может быть и в "чудеса" на экране,зачастую связаны,с потенциалом сети на колонне Автоматику я запускал без тэнов, "приближенный к боевой обстановке" тест делать небыло времени. Изменено 10 июля, 2018 пользователем Mihalich Помогу с оборудованием для наших дел Гонщик формулы С2Н5ОН
serafh Опубликовано 10 июля, 2018 Опубликовано 10 июля, 2018 [b][member=Mihalich][/b], Если в домашнем щитке нет УЗО, оно никогда не помешает, даже встроенное в разрыв сетевого шнура (как для бойлеров - нагревателей). Думаю как СТХ заземлить Сообщение отражает мнение автора (imho)
Волька Опубликовано 10 июля, 2018 Опубликовано 10 июля, 2018 Думаю как СТХ заземлить заземлять не надо. Можно обмотать в экран из фольги и прочего металла. Фольгу на минус . От помех защитит. Регулируем мощность с РМВ-К
Mihalich Опубликовано 10 июля, 2018 Опубликовано 10 июля, 2018 (изменено) [member=serafh], УЗО есть и в щитке, и отдельно в "электроящике" под мои самогонные дела (точнее дифавтомат - прикупил по случаю недорого).Безопасность прежде всего :D.СТХ заземлитьА зачем? Он же от постоянки низковольтной питается. Если клапан на 220В - главное качественными проводами надежно подсоединить к релюхе. Изменено 10 июля, 2018 пользователем Mihalich Помогу с оборудованием для наших дел Гонщик формулы С2Н5ОН
serafh Опубликовано 10 июля, 2018 Опубликовано 10 июля, 2018 (изменено) А зачем? 1. От помех защитит. 2. Безопасность прежде всего Оговорюсь: СТХ+РМВ-К базовый (либо РМ-2), общий металлический корпус с радиатором и семистором+АС Все девайсы работают автономно, но обьеденены в один корпус. Аналогичный проект мною реализован на базе автоматики АСУР. 3. Благодарю за ответы, кроме того, на схеме СТХ видно, что минус питания обьединен с GND, значит можно заземлять на отдельный третий сетевой провод (земля) только общий мет. корпус. Вилки тенов кубов тоже, как и сетевые розетки, трехпроводные. Изменено 10 июля, 2018 пользователем serafh Сообщение отражает мнение автора (imho)
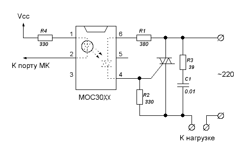
leon013 Опубликовано 11 июля, 2018 Опубликовано 11 июля, 2018 Почитал тему. Я конечно не специалист по СТХ , но последние сообщения просто огонь. Вся борьба с помехами, только без обид коллеги, напоминает изощренный онанизм. Зачем воевать с ветряными мельницами в виде контактного реле, но проще перейти на симисторное управление. Схема не сложная : Если нет желания собирать, то можно применить вот это (цена смешная) https://www.aliexpress.com/item/Free-shipping-1pcs-lot-G3MB-202P-DC5V-G3MB-202P-DC5V-DC-AC-PCB-SSR-In-5VDC/32795333121.html?spm=2114.search0104.3.65.40d366040EeRUP&ws_ab_test=searchweb0_0,searchweb201602_5_10152_10151_10065_10068_10344_10342_10343_10340_10341_10696_10084_10083_10618_10307_10301_10846_10059_100031_524_10103_10624_10623_10622_10621_10620,searchweb201603_31,ppcSwitch_5&algo_expid=76182908-c9fc-4b71-a23c-9ace904c977b-9&algo_pvid=76182908-c9fc-4b71-a23c-9ace904c977b&priceBeautifyAB=0 Клапан конечно AR-HX-3. Пусть подороже, но оно того стоит. И все работает, сиди наблюдай за процессом и радуйся. Автоматика для дистилляции и ректификации на PIC
serafh Опубликовано 11 июля, 2018 Опубликовано 11 июля, 2018 Зачем воевать с ветряными мельницами в виде контактного реле Это заводское исполнение проще перейти на симисторное управление. Кто захотел, тот давно перешел Кроме того, есть готовый заводской вариант https://forum.grainwine.info/index.php/topic/1051-gotovie-alektronnie-devaisi-i-gadzheti-dlja-avto/?p=180612 Клапан конечно AR-HX-3 О другом никто и не мечтает Вся борьба с помехами, только без обид коллеги, напоминает изощренный онанизм. Этот ананизм ты пропустил в теме борьбы с помехами на АСУР на ХД Никто не хочет граблей при совместном размещении в одном боксе СТХ и РМ в любом исполнении Сообщение отражает мнение автора (imho)
leon013 Опубликовано 11 июля, 2018 Опубликовано 11 июля, 2018 все сказанное скорее для Mihalich было А в ответ - тишина. В общем, докладаю: Вот: https://meandr.ru/rc-tsep Этот ананизм ты пропустил в теме борьбы с помехами на АСУР на ХД Оно мне не надо, я женат )))))))))))))))))))))) В смысле я уже знал правильный путь..... Никто не хочет граблей при совместном размещении в одном боксе СТХ и РМ в любом исполнении Ну вот это и есть борьба с ветряными мельницами... При проектировании все хотят эти цепи разнести подальше, а тут нет, нужно все впихнуть в один ящик. Неее... ну если очень хочется.... З.Ы. Все же обиделись.... Автоматика для дистилляции и ректификации на PIC
capsolo Опубликовано 11 июля, 2018 Автор Опубликовано 11 июля, 2018 [member=serafh],[member=leon013], Оптосимисторный ключ конечно ловчее, особенно в сборе, особенно тем, кто не паяет. Остальным что под рукой нашлось то и поставили. Чем больше вариантов - тем лучше.
serafh Опубликовано 11 июля, 2018 Опубликовано 11 июля, 2018 (изменено) Все же обиделись Лично я - не на кого не обижался. Посмотри здесь или у Сереги Бухарикова поинтересуйся, я свое все упаковал в мет. корпус и заземлил. http://forum.homedistiller.ru/index.php?topic=153362.0#msg12583446 С СТХ сделаю также Изменено 11 июля, 2018 пользователем serafh Сообщение отражает мнение автора (imho)
capsolo Опубликовано 11 июля, 2018 Автор Опубликовано 11 июля, 2018 [member=serafh], Серж на счет 2.6.2 и 2.6.1 - я залил то что вы выложили в шапку. Можно проверить что после прошивки высвечивается. Если что то не то - перезалью. Вообще надо когда высвечивается версия - сдвинуть влево на один сегмент и писать например 2.62. Вкусы у всех разные. Мож кому то не нравится что когда прибираем отбор О текущее показывается
serafh Опубликовано 11 июля, 2018 Опубликовано 11 июля, 2018 [b][member=capsolo][/b], 1. я не заливал, просто распаковал зип в папку, а у меня на СТХ прошивка V2.6 2. глюки могут появляться из-за перегрева (работа более суток и в изолированном помещении) борьба - установка мелкого радиатора, как по инструкции STH [b][member=leon013][/b], опторазвязка (МОС+семистор) появилась первая у Игоря Шульмана на его первом ШИМ с переменником, но не как борьба с помехами, а как элемент безопасности, если надо найду схему и сам ШИМ. Он еще прорезь на самой плате делал. Сообщение отражает мнение автора (imho)
leon013 Опубликовано 11 июля, 2018 Опубликовано 11 июля, 2018 Неее. Спасибо, но я и сам найду, если понадобится. Автоматика для дистилляции и ректификации на PIC
Mihalich Опубликовано 12 июля, 2018 Опубликовано 12 июля, 2018 Я абсолютно далек от электроники, могу думать и говорить совершеннейшие глупости, поэтому заранее прошу понять и простить . Вся борьба с помехами, только без обид коллеги, напоминает изощренный онанизм. Зачем воевать с ветряными мельницами в виде контактного реле, но проще перейти на симисторное управление. Как я понял, помехи идут не от обмоток реле самой STH0024, а от обмоток электромагнитного клапана отбора... Иначе, КМК, термостат даже на "холостом ходу" (без нагрузки) вызывал бы сбои самого себя... Вы главное подскажите, правильно я все подключил или нет? Схему рисовал как мог, в "пеинте", прорисовывать реле и катушку клапана ниасилил: И вопрос по "штукенции" по ссылке на алиэкспрессе - это нужно "родное" реле STH выпаять, и её подключить? Помогу с оборудованием для наших дел Гонщик формулы С2Н5ОН
alexeyT Опубликовано 12 июля, 2018 Опубликовано 12 июля, 2018 (изменено) нужно "родное" реле STH выпаять без навыка - нетривиально... а еще веселее - впаять алишную ТТР.... выводы однорядные.... на соплях подвешивать придется Изменено 12 июля, 2018 пользователем alexeyT
serafh Опубликовано 12 июля, 2018 Опубликовано 12 июля, 2018 Как я понял, помехи идут не от обмоток реле самой STH0024, а от обмоток электромагнитного клапана отбора... Все так. Кроме того, если совместно с СТХ использовать РМВ-К или РМ-2, то помехи возможны и от симистора этих регуляторов мощности. ПС: я бы не спешил с заменой штатного реле СТХ на опторазвязку. вопрос по "штукенции" по ссылке на алиэкспрессе По какой ссыле на алиэкспрессе? Сообщение отражает мнение автора (imho)
serafh Опубликовано 12 июля, 2018 Опубликовано 12 июля, 2018 Если речь идет об этой ссыле на "штукенцию" https://forum.grainwine.info/index.php/topic/685-avtomatika-upravlenija-otborom-po-zhidkosti-na-o/?p=382120 то она не Али, а с предприятия-изготовителя СТХ Кроме того, рассматриваю вопрос о размещении СТХ в корпусе на Дин рейку. Там места будет достаточно не под одну полезную "штукенцию" Сообщение отражает мнение автора (imho)
Optimist Опубликовано 12 июля, 2018 Опубликовано 12 июля, 2018 Не понимаю с какими помехами вы боретесь, все в одной коробке и РМ и семистр и БП, только клапан 12 вольт. Было однажды сбоило, но это из за того что в УЗО контакт прослаб и дребезжал. Может нужно БП стабилизированный ставить и все будет норм.
serafh Опубликовано 12 июля, 2018 Опубликовано 12 июля, 2018 (изменено) [member=Optimist], Mihalich применял 12в клапан, он больше меня знает. Там тоже свои нюансы есть. Но по мне, если уменьшил напругу, то увеличился ток в катушке клапана. А это надо смотреть и испытывать. ПС: размещение СТХ в Дин корпусе позволит разместить БП помощнее, которого и на 12в клапан хватит. Изменено 12 июля, 2018 пользователем serafh Сообщение отражает мнение автора (imho)
Optimist Опубликовано 12 июля, 2018 Опубликовано 12 июля, 2018 [member=serafh], не помню какой мощности у меня БП, но на нем висят три W1209, СТХ и два клапана, все прекрасно работает, а еще два реле, одно разгонное, второе открытие воды, но они запитаны только на разгоне.ИМХО вся проблемма со збоями в штатном БП думаю.
Mihalich Опубликовано 12 июля, 2018 Опубликовано 12 июля, 2018 (изменено) Вы главное подскажите, правильно я все подключил или нет? А то ведь я мог и навертеть... Оно хоть и вроде заработало, а вдруг долбанет? По какой ссыле на алиэкспрессе? Если нет желания собирать, то можно применить вот это (цена смешная) https://www.aliexpre...iceBeautifyAB=0 Mihalich применял 12в клапан На 5-и разных STH испытывал с 12В клапанами. Разные БП, приличные (один - на 10А). При работе сбоили. По совету на форуме, победил установкой диода "в обратной полярности" параллельно клапану. ЗЫ От РМ-2 помех не заметил... Изменено 12 июля, 2018 пользователем Mihalich Помогу с оборудованием для наших дел Гонщик формулы С2Н5ОН
alexeyT Опубликовано 12 июля, 2018 Опубликовано 12 июля, 2018 (изменено) Мощность SB069: 10 ВА (АС), 6 Вт (DC) токи, соответственно, 0.05 А(АС) и 0.5А (ДС) Штатный (который ставит СЕР64 ) БП на 12 вольт , 6 вт. Потребление СТХ = 0,02..0,13 А или 1.56 вт максимум Клапан на 220 в никак с БП не связан Индуктивность катушки на 220в и на 12 в отличается на порядки Изменено 12 июля, 2018 пользователем alexeyT
Optimist Опубликовано 12 июля, 2018 Опубликовано 12 июля, 2018 Как не связан, а общее питание и зачем тогда снаберную цепочку ставят на клапан, значит идут от него помехи.
serafh Опубликовано 12 июля, 2018 Опубликовано 12 июля, 2018 (изменено) А то ведь я мог и навертеть. Михаил, я тоже не профи, но здесь более-менее про снаббер прописано: http://elektronchic.ru/elektronika/chto-takoe-snabber.html есть расчет снаббера и схемы подключения Это наметки варианта размещение СТХ в Дин-корпусе совместно с надежным блоком питания и группой безопасности, а также возможностью применения клапана на 220в-ас или 12в-dc. Кроме того, размещение СТХ в Дин корпусе позволит его интегрировать с РМ (и не только) в одном боксе на Дин-рейку. Нет проблемы заменить штатное реле на стандартный оптосимисторный ключ, обьем позволяет не извлекать реле из платы. Изменено 12 июля, 2018 пользователем serafh 2 Сообщение отражает мнение автора (imho)
Mihalich Опубликовано 13 июля, 2018 Опубликовано 13 июля, 2018 Провел "полноценные испытания" - т.е. с нагревом колонны с помощью РМ-2. Как раз нужно было "пропарить" агрегат. Всё работает без сбоев,по крайней мере час отработало! На кубе потенциала относительно "земли" не обнаружил. Правда, иногда один из клапанов (именно один) начинал гудеть при включении (режим был Р=5 и О=4,9). Остальные иногда тоже гудели, но сильно тише. Не вредно такое при работе? Помогу с оборудованием для наших дел Гонщик формулы С2Н5ОН
Рекомендуемые сообщения
Для публикации сообщений создайте учётную запись или авторизуйтесь
Вы должны быть пользователем, чтобы оставить комментарий
Создать аккаунт
Зарегистрируйте новый аккаунт в нашем сообществе. Это очень просто!
Регистрация нового пользователяВойти
Уже есть аккаунт? Войти в систему.
Войти