Антел Опубликовано 15 мая, 2016 Опубликовано 15 мая, 2016 (изменено) Отчитываюсь о тестовом прогоне Аппарата. Гнал на воде. Первый запуск в изолированном помещении (ванная комната). Куб не изолирован, нагрев спиртовкой. Расход воды и производительность не замерял из за возникших проблем. Паскудная спиртовка не хочет гореть, хоть тресни. Бля...й асбестовый фитиль... Приходилось шприцом подавать спирт в зону горения для поддержания приемлемого нагрева. Но несмотря ни на что, работает! В красном кружочке видна капля конденсата. Минут за 10 накапало с четверть рюмки. Думаю, что при нормальном нагреве и теплоизоляции куба, польет струйкой! П.С. Заказал в Китае керамический нагреватель на 20 ватт. Изменено 15 мая, 2016 пользователем Антел 3
texnar Опубликовано 16 мая, 2016 Опубликовано 16 мая, 2016 в цитате у технаря написано двузаходный Двухрядный , тот же принцип по охлаждению-желательно наиболее холодную часть пускать ближе к отбору ,те если внешний ряд идет сверху ,а начали мотать с нижнего ряда ,то без разници, что вначале ,если спирт пролетает одинаково. Если ,допустим, больше пара пролетает через внутреннюю спираль ,то лучше подавать ож на нее. 1
Антел Опубликовано 16 мая, 2016 Опубликовано 16 мая, 2016 [member=gor33], Вот вариант [attachment=10950:Деф горизонтальный.png]
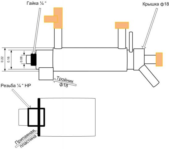
шинкарь Опубликовано 16 мая, 2016 Опубликовано 16 мая, 2016 [b][member=Антел][/b], а змеевик заглушен должен быть с двух сторон? А где будет связь с атмосферой?
Антел Опубликовано 16 мая, 2016 Опубликовано 16 мая, 2016 (изменено) [member=шинкарь], ага. А можно и разборный. Упрощенный вариант. Вместо КТ - змеевик. ТСА в любом торце. Изменено 16 мая, 2016 пользователем Антел
alexeyT Опубликовано 17 мая, 2016 Автор Опубликовано 17 мая, 2016 (изменено) подсобрал комплектуху. на 3 МЗМ ф54 полный фарш, на 4 х ф64 не хватило 30 см ф18.... смех, да и только... огрызков и расыпухи тыщ на 10 ,а кусочка нету... придется на рынок ехать... наборчики для ф64 Изменено 17 мая, 2016 пользователем alexeyT 1
Антел Опубликовано 17 мая, 2016 Опубликовано 17 мая, 2016 [b][member=alexeyT][/b], Леш, а ты как подвод воды на крышку выводишь? Трубочки вроде коротко обрезаны. Задумался и навил димрот на пару см длинее, думаю как посимпатичнее выход сделать...
alexeyT Опубликовано 17 мая, 2016 Автор Опубликовано 17 мая, 2016 [b][member=Антел][/b], через уголки... они в пакетике, справа снизу 1
3xGAM Опубликовано 17 мая, 2016 Опубликовано 17 мая, 2016 Подскажите, специалисты, плз. Зазор для воды между рубашкой и паропроводом (разница в диаметрах 2мм ф15 и ф3/4,19мм) 1мм достаточен или в при жесткой воде могут быть проблемы. Мож где рядом есть у к-н кусочек ф22мм трубы 230мм длиной.
baltis Опубликовано 17 мая, 2016 Опубликовано 17 мая, 2016 [b][member=3xGAM][/b], 19мм нар. диаметр. Значит, внутр. 17мм. Т.е. зазор остаётся 1мм. Маловато будет. Изготовление оборудования и автоматики для нашего хобби
Антел Опубликовано 17 мая, 2016 Опубликовано 17 мая, 2016 (изменено) [member=baltis], сделал 15х18 - работает. Стандарт 18х22 - тот же миллиметр. 1 мм - отлично. ИМХО. Прекрасно работают. Изменено 17 мая, 2016 пользователем Антел
baltis Опубликовано 17 мая, 2016 Опубликовано 17 мая, 2016 [b][member=Антел][/b], конечно, будет работать, до поры, до времени. Я на ХД когда то выкладывал фото распиленного прямоточника, у которого напрочь забилась рубашка. А там зазор был 2,5мм. Изготовление оборудования и автоматики для нашего хобби
xOther Опубликовано 17 мая, 2016 Опубликовано 17 мая, 2016 (изменено) огрызков и расыпухи тыщ на 10 Лёх, из огрызков, из брака, из нечайно продырявленных не там где нада. Что называется ДЛЯ СЕБЯ Изменено 17 мая, 2016 пользователем xOther Медные дистилляторы/дефлегматоры/царги,автоматика и др.Медь, фитинги с доставкой.Наборы для самостоятельной сборки.
xOther Опубликовано 17 мая, 2016 Опубликовано 17 мая, 2016 (изменено) У меня случайные тока 2 мм сверлом. Хотя вот колпачёк ф22 "продырявленный" ф14-15. Зачётно на дырку присело 50-ть копеек))) На тот из недоделок колпачком отбора буить)) Изменено 17 мая, 2016 пользователем xOther Медные дистилляторы/дефлегматоры/царги,автоматика и др.Медь, фитинги с доставкой.Наборы для самостоятельной сборки.
Антел Опубликовано 17 мая, 2016 Опубликовано 17 мая, 2016 [b][member=baltis][/b], именно из такой теории и вышли карлуши и т.д. Так что практика в этой теме. Николаич, ну енто. Я заканчиваю. :drinks:
alexeyT Опубликовано 18 мая, 2016 Автор Опубликовано 18 мая, 2016 (изменено) эка.... опять МОНСТРЫ дискутировали вчерась, пока я занят был... а это - уже сегодня и - апофеоз! из одной плохой спирали вышло 3 рабочих.... но - потанцевал ... с дремелем усе, на ф64 спиральки все готовы. осталось 3 штуки для ф54 Изменено 18 мая, 2016 пользователем alexeyT
alexeyT Опубликовано 20 мая, 2016 Автор Опубликовано 20 мая, 2016 (изменено) дело к финишу.... ф64 ф54 + заготовка под ХП осталось трубочки всякие впаять, на полдня делов... завтра поутру займусь усе, материал(обрезки разные) практически весь в дело ушел... Линейка МЗМ завершена, более 20 дефов от ф35 до ф64 разъехались по стране... Изменено 20 мая, 2016 пользователем alexeyT 4
alexeyT Опубликовано 23 мая, 2016 Автор Опубликовано 23 мая, 2016 (изменено) финал.... 1. Бабайкин мерник 2. Архипу 3. Ильфару 4 Гарику 3 шт 5. мой эксклюзивчик. 50 см ф8 в один ряд. скушал 4 кило. вода с писюна 81*с 6. валялся у меня с весны 2012 доохладитель.... с Фвн=10. воткнул рассекатель. Шампур с надрезами вуаля! 5 квт, вода с писюна 52*с Изменено 23 мая, 2016 пользователем alexeyT 5
baltis Опубликовано 23 мая, 2016 Опубликовано 23 мая, 2016 Лёша, про пункт №6 подробнее, пжлст. Какой внешний Ø трубок и какая длинна. Восходящая из 22-й? Изготовление оборудования и автоматики для нашего хобби
alexeyT Опубликовано 23 мая, 2016 Автор Опубликовано 23 мая, 2016 [b][member=baltis][/b], валялся доохладитель, ф12-18. сантимов 25 рубашка. с угловым фитингом на краю... 4 года ... взял 25 см ф18, впаял обычный фитинг 1/2" , скрутил с рубашечной частью вырезал полоску 9 мм с меди, сантимов 15, скрутил в шампур и сделал пяток надрезов, отогнул все
alexeyT Опубликовано 24 мая, 2016 Автор Опубликовано 24 мая, 2016 (изменено) во, удумал Дуреныша.... потому как куски трубок остались. ф8, ф18 и ф22 сделаю сантимов 15 рубашку. сильно хочу 3 кило погасить + разборность + цена ни о чем... Хлопчики периодически прямоточники требуют... Изменено 24 мая, 2016 пользователем alexeyT 2
Антел Опубликовано 24 мая, 2016 Опубликовано 24 мая, 2016 (изменено) Валли... Изменено 24 мая, 2016 пользователем Антел 2
nephew Опубликовано 25 мая, 2016 Опубликовано 25 мая, 2016 Всем привет! Подскажите, собрался припаять кламп на 35 трубу медную, входит труба почти вплотную. Если медную намазать флюсом, а кламп ортофосфоркой и пропаять как обычные медные трубы будет оно держаться? Читал что нержу желательно облудить, а вот как сделать не знаю, и не получится ли что после лужения они не будут входить-стыковаться из-за толщины припоя при лужении?
Антел Опубликовано 25 мая, 2016 Опубликовано 25 мая, 2016 (изменено) [member=nephew], паяльник на 80 - 100 ватт, можно фен. Мажешь ортофосфоркй, облуживаешь припоем с СЕРЕБРОМ. Дальше спаиваешь как всегда. Не лизе - молоток в помощь... Изменено 25 мая, 2016 пользователем Антел 1
alexeyT Опубликовано 25 мая, 2016 Автор Опубликовано 25 мая, 2016 [b][member=nephew][/b], просто тащишь паяло по нерже, там слой тонюсенький получается и потом - с пристрастием промыть, чтобы и намека на ОФк не осталось. 1
Рекомендуемые сообщения
Для публикации сообщений создайте учётную запись или авторизуйтесь
Вы должны быть пользователем, чтобы оставить комментарий
Создать аккаунт
Зарегистрируйте новый аккаунт в нашем сообществе. Это очень просто!
Регистрация нового пользователяВойти
Уже есть аккаунт? Войти в систему.
Войти