medm Опубликовано 23 января, 2022 Опубликовано 23 января, 2022 @Миша Z Здравствуйте. А ваша модульная(многофункциональная) ГБ когда будет готова к реализации или все еще на стадии разработки
Миша Z Опубликовано 23 января, 2022 Автор Опубликовано 23 января, 2022 сделал несколько пилотных версий, и начал отработку конструкции, но потом как то замотало по другим темам, и до детального "вылизывания" конструктива как то руки не дошли.. на настоящее время, это классический "проект на полке" 1 Что в пруду.. что в хлеву.. нам, свинокарасям, везде - дом родной!
medm Опубликовано 24 января, 2022 Опубликовано 24 января, 2022 @Миша Z Жаль, в тандеме с SSVC0059 от Смарт модуля ваша ГБ смотрелась бы нарядно. Кстати ее разработчик начал новую тему по ГБ , с вашего позволения я ссылку скинул вашу в его тему , так-что подтягивайтесь , может получится неплохой коммерческий проект , я первый если ,что на очереди. 1
subbota Опубликовано 12 февраля, 2022 Опубликовано 12 февраля, 2022 (изменено) Здравствуйте. Может кто нарисовать схему установки РМ2 в регулятор мощности для тэна. Имеется китайский регулятор мощности, УЗО, розетка. Регулятор мощности собран (все собрано в эл. боксе) но так как скачет постоянно напряжение, хотел бы установить РМ2 как стабилизатор, до регулятора. Настроить РМ2 на выходное напряжение и больше его не трогать, а подачу мощности на тэн регулировать стабилизатором. Изменено 12 февраля, 2022 пользователем subbota
marges Опубликовано 12 февраля, 2022 Опубликовано 12 февраля, 2022 Какое-то масло-масляное) Смысл в этом китайском регуляторе, если есть рм2 1
subbota Опубликовано 12 февраля, 2022 Опубликовано 12 февраля, 2022 (изменено) Сам понимаю) Написал, что РМ2 будет использоваться как стабилизатор. Нет группы безопасности, поэтому бывает захлеб и просмотреть могу когда отбор идет. РМ2 купил уже позже после того как регулятор. Да и как то барашком регулировать привычнее... Изменено 12 февраля, 2022 пользователем subbota
Миша Z Опубликовано 12 февраля, 2022 Автор Опубликовано 12 февраля, 2022 9 часов назад, subbota сказал: Может кто нарисовать схему установки РМ2 в регулятор мощности для тэна. эта схема нарисована в его руководстве по эксплуатации 9 часов назад, subbota сказал: Настроить РМ2 на выходное напряжение и больше его не трогать, а подачу мощности на тэн регулировать стабилизатором. тут одно, 9 часов назад, subbota сказал: РМ2 будет использоваться как стабилизатор тут другое.. надо бы определиться, внутри себя.. кстати РМ2 это и есть - регулятор со стабилизацией. 9 часов назад, marges сказал: Смысл в этом китайском регуляторе, если есть рм2 ни малейшего, только вред один 9 часов назад, subbota сказал: РМ2 купил уже позже после того как регулятор стоило сразу взять стабилизатор, избежал бы лишних трат. 9 часов назад, subbota сказал: Да и как то барашком регулировать привычнее... не выйдет. 9 часов назад, subbota сказал: Нет группы безопасности, поэтому бывает захлеб и просмотреть могу когда отбор идет ну и напрасно, очень рекомендую обзавестись... 1 Что в пруду.. что в хлеву.. нам, свинокарасям, везде - дом родной!
subbota Опубликовано 13 февраля, 2022 Опубликовано 13 февраля, 2022 (изменено) 9 часов назад, Миша Z сказал: стоило сразу взять стабилизатор, избежал бы лишних трат. когда начинал не знал еще про рм2 9 часов назад, Миша Z сказал: ну и напрасно, очень рекомендую обзавестись... в процессе, жду комплектующие... спасибо Изменено 13 февраля, 2022 пользователем subbota
Naruto Опубликовано 16 февраля, 2022 Опубликовано 16 февраля, 2022 12.02.2022 в 12:42, subbota сказал: хотел бы установить РМ2 как стабилизатор, до регулятора. Рм-2 и есть регулятор , в нем маломощный симистр может (в базовой версии) до 1 кВт сам регулировать, что бы большей мощностью оперировать ставят bta41 на управляющую ногу которого подают сигнал с РМ 2, как то так , цена bta41 100 рублей , но ещё радиатор потребуется. Есть версии рм-2 про они уже идут с мощным симистром до 3,5 кВт (ну реально 3) и вентилятором охлаждения. Ставить перед твоим регулятором рм-2 можно убить этот регулятор кривой неправильной, тут уж как повезет.
YurOK2 Опубликовано 16 февраля, 2022 Опубликовано 16 февраля, 2022 9 часов назад, Naruto сказал: Есть версии рм-2 про они уже идут с мощным симистром до 3,5 кВт (ну реально 3) и вентилятором охлаждения. Что то не встречал таких,все тоже самое ,как и в других РМ2. Симистор мощный,в комплекте не поставляется.А то в продаже имеется,так это продавцы сами колхозят. Вставляют базовый блок (AkipDon)в коробочку и снаружи на радиаторе симистор.А если помощнее что то надо,то ТС142-80-12 можно поставить,КВт так под 15 должен тянуть
Naruto Опубликовано 16 февраля, 2022 Опубликовано 16 февраля, 2022 (изменено) @YurOK2 мы соседу заказом такой на озоне , ещё не приехал или сосед ещё не забрал. https://www.ozon.ru/products/425643534/?sh=BfiwKwAAAA&suggestion_type=searchSuggestions&from=share_android Изменено 16 февраля, 2022 пользователем Naruto
YurOK2 Опубликовано 16 февраля, 2022 Опубликовано 16 февраля, 2022 (изменено) А вот реально сколько он стоит https://rostov-na-donu.tiu.ru/p507407908-regulyator-stabilizator-moschnosti.html У меня Прошка намного дешевле вышла со всеми комплектующими. Кто то писал,что в корпусе будет перегреваться?Вот для сравнения мой радиатор и пока 4 кулера,могу легко и 8 поставить,корпус позволяет😁 Я думаю 4кВт легко потянет Изменено 16 февраля, 2022 пользователем YurOK2
YurOK2 Опубликовано 16 февраля, 2022 Опубликовано 16 февраля, 2022 Да,что то новенькое начали выпускать,РМ-Чебурашка. И как такой на дин рейку ставить?Вокруг уже ничего не установишь
Alex57 Опубликовано 17 февраля, 2022 Опубликовано 17 февраля, 2022 5 часов назад, YurOK2 сказал: ,могу легко и 8 поставить,корпус позволяет😁 Для себя в удовольствие можно и десять поставить. Только вот зачем такой огород? 5 часов назад, YurOK2 сказал: Кто то писал,что в корпусе будет перегреваться Я об этом писал, но не за сам регулятор. При перегреве может заглючить ssvc0059. Поэтому радиатор симистора лучше выносить за пределы бокса. 4 часа назад, YurOK2 сказал: Да,что то новенькое начали выпускать Не новенькое. Уже много лет выпускается в различных вариантах. Сборки автоматики SSVC0059 и РМ2
Naruto Опубликовано 17 февраля, 2022 Опубликовано 17 февраля, 2022 @YurOK2 цена вопрос риторический, кому то проще купить готовое, так то вообще все можно слепить самостоятельно, мозги стоят 20-25 баксов у китайцев, симистры, детальки , плата травится ещё 1500, что собственно тот же Макс (rip) и делал на ардуине, вот только не все умеют и могут :). согласен, что поменять отдельный симистр проще, чем разбирать РМ и выпаивать его. Но лично я покупаю сразу три симистра ибо руки "не золотые" и у одного или даже двух отламываю ноги пока паяю / монтирую @YurOK2 3,5 кВт bta41 жуёт без кулера на радиаторе, греется градусов до 60 и работает, термопасту желательно положить между симистром и радиатором. Но все же нашел кулер 12 вольт в загашнике и поставлю пожалуй. А вот симистры mtoto-80 на 3 кВт едва теплый радиатор. Но мне так никто внятно и не рассказал как их подружить с рм-2. Работают с ростовским "рм-3" регуль без стабилизации, но зато на три фазы в одном корпусе и с кнопкой плавного стопа/пуска. В общем для НБк и тарельчатой колонны он норм справляется.
Миша Z Опубликовано 17 февраля, 2022 Автор Опубликовано 17 февраля, 2022 (изменено) 22 часа назад, Naruto сказал: в нем маломощный симистр может (в базовой версии) до 1 кВт сам регулировать, ошибочное мнение. в базовой версии, для управления внешним симистором, используется симисторная оптопара MOC302х у нее AMR значение выходного тока 0.05A в нагретом состоянии, и 0.1A при комнатной температуре. что составит, соответственно 220*0,05=11 W, и 220*0,1=22 W. и это не рабочие значения, а AMR, то есть фактически, рабочие будут примерно вдвое меньше. как видим, ни о каких киловаттах там речи не идет. 3 часа назад, Naruto сказал: Но мне так никто внятно и не рассказал как их подружить с рм-2. какие именно? MTOTO-80? да без особых проблем должны коннектиться, но разобрать РМ2(РМВК) придется, чтоб внутрь подключиться, без этого простого подключения не выйдет... 3 часа назад, Naruto сказал: Но лично я покупаю сразу три симистра ибо руки "не золотые" и у одного или даже двух отламываю ноги пока паяю / монтирую лучше всего монтировать неподпаянными, и сразу обкусить выводы до нужной длинны. так меньше шансов их обломить.. по завершении механического монтажа, подпаять провода и механически их закрепить, чтоб усилие прикладывалось к проводам, а не к выводам симистора.. если есть возможность что на симистор может попасть вода ( пар, брызги любой жидкости, с коей мы работаем) то советую кроме изоляции термоусадкой, пролить выводную часть симистора силиконом из тубы.(потом лучше дать силикону застыть, а до этого не включать, в течении пары суток) Изменено 17 февраля, 2022 пользователем Миша Z 1 Что в пруду.. что в хлеву.. нам, свинокарасям, везде - дом родной!
YurOK2 Опубликовано 17 февраля, 2022 Опубликовано 17 февраля, 2022 9 часов назад, Naruto сказал: Работают с ростовским "рм-3" регуль без стабилизации А для чего тогда такой-без стабилизации на 3 фазы? Я делаю стабилизированную одну фазу на 4 кВт,этого хватит для 3’’дюймов. Остальные фазы-разгон и прочая нагрузка,где не нужна стабилизация и регулировка 1
Naruto Опубликовано 17 февраля, 2022 Опубликовано 17 февраля, 2022 (изменено) 31 минуту назад, YurOK2 сказал: А для чего тогда такой-без стабилизации на 3 фазы? А для того что бы можно было до 6+ кВт на фазу нагрузить и не париться :). Симистры эти не греются практически. На самом деле, я просто лоханулся. Думал это какой то РМ со стабилизацией для трёх фаз, а это оказывается хитрожопый продаван назвал созвучно... В общем стабилизация решается просто тены в 2 раза мощнее ставятся и пополам уменьшается мощность, таким образом скачки напряжения оказывают в два раза меньшее влияние, так как эти регуляторы просто делят на 255 периодов секунду и в зависимости от от заданного процента открывают/закрывают оптоисмистр. Данный алгоритм ещё и срет в сесть помехами не так "отомрожено"... Мне хватает, у меня транс свой и напруга колеблется от 235 до 245 в сети, редко бывает 225, ниже вообще не было ни разу. На рк колонну стоит рм-2 с бта41 (симистров правда поменял нессолько, по большей части из за кз) уже 7 лет трудится. Ну и на моей нбк и тк перепады напряжения там 5-15 процентов вообще не сказываются. А регулировать все же нужно и не всегда это получается кратно мощности тенов установленных. Изменено 17 февраля, 2022 пользователем Naruto
Alex57 Опубликовано 18 февраля, 2022 Опубликовано 18 февраля, 2022 10 часов назад, YurOK2 сказал: Я делаю стабилизированную одну фазу на 4 кВт,этого хватит для 3’’дюймов. Согласен,когда хватает 4 kw. Но большинству заказчиков 3-х фазной автоматики требуется не менее 8 kw. Поэтому одна фаза - разгонная, без регулировки, а две обязательно стабилизированные по 6 kw. И симисторы должны быть ВТА-100-800 и ни как не ВТА 41 !!! 10 часов назад, Naruto сказал: а это оказывается хитрожопый продаван назвал созвучно.. Не надо оскорблять уважаемого продавца. Сам лоханулся - радуйся. Читать надо внимательно, что хочешь получить. 10 часов назад, Naruto сказал: В общем стабилизация решается просто тены в 2 раза мощнее ставятся и пополам уменьшается мощность, А это ещё одно твоё заблуждение. Не неси бред на Форум! Захлёб 100% гарантирован. Только стабилизация! 10 часов назад, Naruto сказал: А регулировать все же нужно и не всегда это получается кратно мощности тенов установленных. Сам ответил на своё умозаключение. Сборки автоматики SSVC0059 и РМ2
YurOK2 Опубликовано 18 февраля, 2022 Опубликовано 18 февраля, 2022 3 часа назад, Alex57 сказал: Читать надо внимательно, что хочешь получить Китайцы иногда такого напишут,вот например из описания датчика давления Перевести на нормальный русский кто может?🤣 1
Naruto Опубликовано 18 февраля, 2022 Опубликовано 18 февраля, 2022 (изменено) 5 часов назад, Alex57 сказал: Не надо оскорблять уважаемого продавца. Уважаемый? Тобой? Но не мной, порядочные люди не копируют чужие название, а описание пишут крупным шрифтом, а не 6 кеглем. Ответ производителя как это называется. в аттаче. И уважаемые продают не вводя в заблуждения. 5 часов назад, Alex57 сказал: . Не неси бред на Форум! Захлёб 100% гарантирован. Только стабилизация! Я пишу то, что реализую сам, захлеб на тарельчатой колонне не ловил, нбк то же работает только с регулятором этим без стабилизации. И пишу про свои условия, никому ничего не навязываю, отвечаю на посты в которых упоминают меня... Весна близко, что-то разошлись хлопчики эмоциями. А вот ещё один скриншот, как выглядит описание "рм-3" на сайте "уважаемого" продавца... Придумали название свое , отличное от того, что производитель пишет, созвучно с рм-2 от акип, и где то в конце что этот регуль не стабилизирует напряжение, этот "нюанс" так же есть в мануале, который зарыт подальше от глаз. Изменено 18 февраля, 2022 пользователем Naruto Добавил скриншот описания "рм-3"
Миша Z Опубликовано 18 февраля, 2022 Автор Опубликовано 18 февраля, 2022 (изменено) 17.02.2022 в 19:27, Naruto сказал: В общем стабилизация решается просто тены в 2 раза мощнее ставятся и пополам уменьшается мощность, учитывая, что метод регулировки там - самая тривиальная обрезка синусоиды по фазе, то результатом подобного подключения будет следующее: - сильное увеличение количества помех, как в сеть, так и в эфир. - максимально опасный режим работы симистора, в плане пробоя кристалла. - вместо 100 дискретных шагов регулирования мощности имеем 50. - изменение входного напряжения на 10% будут изменять выходное напряжение ровно на те же 10%.. так что ни о какой, даже условной, стабилизации речи увы не идет, от слова - совсем. 17 часов назад, YurOK2 сказал: Перевести на нормальный русский кто может? довольно очевидный пример, но если сложно - могу поспособствовать)))) --- Возврат или замена, любому желающему. При этом стоимость доставки делится пополам между продавцом и покупателем. Изменено 18 февраля, 2022 пользователем Миша Z 1 Что в пруду.. что в хлеву.. нам, свинокарасям, везде - дом родной!
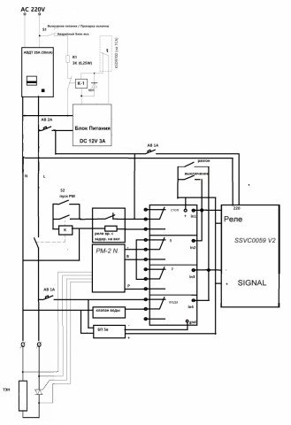
medm Опубликовано 6 марта, 2022 Опубликовано 6 марта, 2022 (изменено) Вот такую связку РМ 2 new , SSVC0059 2V, с клапаном воды думаю сделать , почти все купил уже. SSVC можно отключать если не нужна. На реле времени можно выставить время для охлаждения дефа и штатной разгрузки РМ. Подскажите будет такая схема работать? Нюхачь и датчик пролития тоже в плане. Не подписал релейный модуль, с опторазвязкой. Изменено 6 марта, 2022 пользователем medm 2
medm Опубликовано 21 марта, 2022 Опубликовано 21 марта, 2022 В процессе сборки пришлось откорректировать немного 2
Ромарио Опубликовано 29 марта, 2022 Опубликовано 29 марта, 2022 17.02.2022 в 00:41, YurOK2 сказал: А вот реально сколько он стоит https://rostov-na-donu.tiu.ru/p507407908-regulyator-stabilizator-moschnosti.html У меня Прошка намного дешевле вышла со всеми комплектующими. Кто то писал,что в корпусе будет перегреваться?Вот для сравнения мой радиатор и пока 4 кулера,могу легко и 8 поставить,корпус позволяет😁 Я думаю 4кВт легко потянет Такой радиатор и 4,5 и 5 квт осилит
Рекомендуемые сообщения
Для публикации сообщений создайте учётную запись или авторизуйтесь
Вы должны быть пользователем, чтобы оставить комментарий
Создать аккаунт
Зарегистрируйте новый аккаунт в нашем сообществе. Это очень просто!
Регистрация нового пользователяВойти
Уже есть аккаунт? Войти в систему.
Войти