Миша Z Опубликовано 18 января, 2021 Автор Опубликовано 18 января, 2021 В ближайшее время определяюсь с платформой, без этого программу писать смысла не имеет, слишком много неопределенностей. Но вероятнее всего будет какая то готовая платформа, что то свое сделать обходится в разы дороже, из за малого количества. Как только будет определенность-закажу железки, а пока едут, подготовлю прогу и релейный блок выходной, ну и варианты входные тоже проработаю в нескольких вариантах - 1. Дешманский, с прямым входом, тратимся только на коннектор.. 2. Почти то же, что и номер один, но с RC фильтром от ВЧ помех 3. Уже нормальный подход из пром. автоматики - гальваническая развязка на оптопарах, да дороже, но уровень надежности соответствующий. Что в пруду.. что в хлеву.. нам, свинокарасям, везде - дом родной!
Alex57 Опубликовано 18 января, 2021 Опубликовано 18 января, 2021 47 минут назад, Миша Z сказал: Дешманский, с прямым входом, тратимся только на коннектор.. С него и надо бы начать.Хочется понять, практичней в сборке это будет, или опять куча проводов и релюх. Сборки автоматики SSVC0059 и РМ2
Миша Z Опубликовано 18 января, 2021 Автор Опубликовано 18 января, 2021 (изменено) Ну тогда оценивай практичность: как уже было сказано , если не нужно именно семь каналов, то часть можно просто не использовать. Изменено 18 января, 2021 пользователем Миша Z 1 Что в пруду.. что в хлеву.. нам, свинокарасям, везде - дом родной!
Миша Z Опубликовано 19 января, 2021 Автор Опубликовано 19 января, 2021 13 часов назад, Миша Z сказал: оценивай практичность Да, забыл написать, не исключено, что будет сокращен блок индикации. вместо него просто будет ставиться готовый модуль с напаянными светодиодами.. От пользователя будет требоваться только в один ряд просверлить несколько 5мм отверстий, вроде не самая сложная задача.. Ну и проводки от индикации подцепить к мозгам, конечно.. Что в пруду.. что в хлеву.. нам, свинокарасям, везде - дом родной!
Both Опубликовано 19 января, 2021 Опубликовано 19 января, 2021 13 часов назад, Миша Z сказал: Ну тогда оценивай практичность ПОка не понятно но очень интересно!
Миша Z Опубликовано 19 января, 2021 Автор Опубликовано 19 января, 2021 Так спрашивайте, если что то не понятно.. Что в пруду.. что в хлеву.. нам, свинокарасям, везде - дом родной!
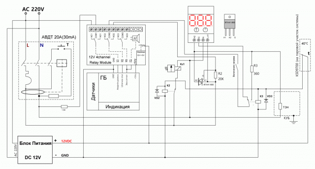
Both Опубликовано 19 января, 2021 Опубликовано 19 января, 2021 Я так понимаю блок входов и блок индикации те что слева это готовые решения или их паяем? А та схема, что справа это уже собранные два блока вместе авдт и бп ?
Миша Z Опубликовано 19 января, 2021 Автор Опубликовано 19 января, 2021 (изменено) 41 минуту назад, Both сказал: это готовые решения или их паяем? А это зависит от желания и возможностей собирающего, можно купить разъемы, макетную плату и спаять входной блок самому, а можно заплатить кому то, кто это сделает за тебя.. Тут все на выбор пользователя. А вот блок со светодиодами пока не уверен, что оставлю на отдельных светодиодах, скорее всего будет готовый модуль на 8 диодов. 41 минуту назад, Both сказал: А та схема, что справа это уже собранные два блока вместе авдт и бп ? Это просто схема как соединять три готовых блока: релейный модуль (с небольшими доработками), блок питания и АВДТ.. Это опять же, можно сделать самому, сэкономив на работе и стоимости модулей, а можно заказать хоть готовое изделие в корпусе.. но тогда ценник получается не похожим на 1000р, потому как один АВДТ сейчас в розницу под два тыра у нас стоит.. Умеющему повесить термостат на ТСА и через релюху отключить АВДТ, обозначенное выше собрать будет не сильно сложнее, разве что каналов для датчиков побольше будет. Зато возможности совсем другие, мы ж вчера с тобой обсуждали отличия этого варианта от простейшей ГБ, их более чем достаточно.. Изменено 19 января, 2021 пользователем Миша Z Что в пруду.. что в хлеву.. нам, свинокарасям, везде - дом родной!
Alex57 Опубликовано 19 января, 2021 Опубликовано 19 января, 2021 4 часа назад, Миша Z сказал: Умеющему повесить термостат на ТСА и через релюху отключить АВДТ, Всё это понятно. Но вопросов много. Собери хоть один экземпляр для заманухи, дай протестировать коллегам. Я собираю висяком такую автоматику. Да. проводов "пучёк", хочется всё унифицировать. Если это будет коммерческая тема, тем более нужно определиться конкретно с ценами по каждой позиции. Сборки автоматики SSVC0059 и РМ2
Миша Z Опубликовано 19 января, 2021 Автор Опубликовано 19 января, 2021 (изменено) Соберу конечно.. уже лежит в полусобранном состоянии блок автоматики для одного человечка, вот на нем и буду отладку делать, заодно и проверю все режимы.. Заодно может и видосы поснимаю. А с ценами придет понимание только после окончательного оформления конструктива.. Сегодня заказал из благословенного китаю полоски светодиодные, до их прибытия придется делать все на отдельных светодиодах Изменено 19 января, 2021 пользователем Миша Z Что в пруду.. что в хлеву.. нам, свинокарасям, везде - дом родной!
Alex57 Опубликовано 20 января, 2021 Опубликовано 20 января, 2021 21.11.2017 в 15:16, Миша Z сказал: Второй уже несет в себе зачатки автоматизации и сам определяет момент закипания кубового содержимого, и переключает режим нагрева из разгонного в стабилизированный, а так же включает воду(или запускает автономку) Эта схема отработана на 100%. Как она будет реализована в новой версии? Это я за схему с первой страницы. Если этого не сделать, остальное не имеет смысла городить. Сборки автоматики SSVC0059 и РМ2
Миша Z Опубликовано 20 января, 2021 Автор Опубликовано 20 января, 2021 (изменено) 5 часов назад, Alex57 сказал: Это я за схему с первой страницы. Основная фишка предлагаемой ГБ, в том, что это модульное решение, которое с минимальными проблемами интегрируется практически в любую автоматику, имеющуюся или проектируемую. Так например контакты реле остановки процесса могут нажимать на кнопку СТОП, или разрывать управляющие линии силовых элементов, тем самым отключая нагрев. 5 часов назад, Alex57 сказал: Эта схема отработана на 100%. Как она будет реализована в новой версии? Все делается согласно простой логике: Контакты релейного модуля, отвечающие за аварийное размыкание, подключаются на АВДТ вместо прежней, простейшей ГБ. Контакты релейного модуля, отвечающие за штатное отключение, подключаются так, чтобы включить/выключить нагрев при сработке или размыкании реле. В данной схеме они подключаются в разрыв провода от выключателя нагрева. Поскольку данная ГБ не относится к простейшим, которые при сработке АВДТ, требуют отключения, переподключаем блок низковольтного питания с выхода АВДТ на вход. Собсно - все.. Если сложно представить, как оно будет выглядеть на схеме, то ниже готовый вариант: В другие типы схем, его также не сложно интегрировать. Изменено 20 января, 2021 пользователем Миша Z Что в пруду.. что в хлеву.. нам, свинокарасям, везде - дом родной!
Alex57 Опубликовано 21 января, 2021 Опубликовано 21 января, 2021 Это понятно. Меня больше всего напрягает то, что реле К2 и К3 опять будут на пучке проводов висяком. Поясни ещё. Релейный блок по теории и согласно схемы должен заменить реле К2 и К3? Сборки автоматики SSVC0059 и РМ2
Миша Z Опубликовано 21 января, 2021 Автор Опубликовано 21 января, 2021 (изменено) Я предлагаю ГБ (группу безопасности). Как явствует из ее названия, она занимается безопасностью. Какое отношение безопасность, как таковая, имеет к переключениям режимов разгон-работа? Ответ очевиден - никакого отношения, это не сфера ГБ. Никто же не ждет, что дефлегматор будет выполнять функции куба. 6 часов назад, Alex57 сказал: Релейный блок по теории и согласно схемы должен заменить реле К2 и К3? Как сказано выше, у него другой функционал - обеспечение безопасного отключения при нештатных ситуациях, а так же функции звукового оповещения оператора. Пуском, стопом, режимами должны заниматься другие блоки нашего оборудования. Кстати, их можно выполнить как на другом релейном модуле, так и на этом же, просто взяв модуль на большее количество каналов, например на 8. Так мы получим 4 релейных канала, вполне достаточных, для построения куда более элегантной схемы, да еще и с возможностью добавить термостат для автозавершения по Т-куба.. Но это уже будет частное решение для одной конкретной схемы. А тут предлагается универсальное, подходящее почти для любого варианта.. Изменено 21 января, 2021 пользователем Миша Z Что в пруду.. что в хлеву.. нам, свинокарасям, везде - дом родной!
Миша Z Опубликовано 21 января, 2021 Автор Опубликовано 21 января, 2021 (изменено) 6 часов назад, Alex57 сказал: Меня больше всего напрягает то, что реле К2 и К3 опять будут на пучке проводов висяком. Схема была выложена в 17 году, что мешало не делать ее на пучке проводов, а развести под нее плату, если востребовано сколь нибудь значимое количество? Или на том же самом релейном модуле ее воспроизвести? Это ж вообще без проблем... Если самому затруднительно, написал бы тут или в ватсаппе, я вроде никому в помощи не отказывал )) Изменено 21 января, 2021 пользователем Миша Z Что в пруду.. что в хлеву.. нам, свинокарасям, везде - дом родной!
marges Опубликовано 6 мая, 2021 Опубликовано 6 мая, 2021 Объясните пожалуйста, почему отключение разгона нельзя сделать только через термопару? Для чего через реле ?
Alex57 Опубликовано 7 мая, 2021 Опубликовано 7 мая, 2021 @marges Термостаты KSD9700 имеют потенциал на металлическом корпусе. Для развязки от сети и ставится реле. Есть аналоги в керамическом и пластиковом корпусе, можно обойтись без реле. Но для безопасности лучше развязать. Сборки автоматики SSVC0059 и РМ2
marges Опубликовано 7 мая, 2021 Опубликовано 7 мая, 2021 А, понятно. Заказывал именно в керамическом корпусе.
qwest_ans Опубликовано 17 августа, 2021 Опубликовано 17 августа, 2021 (изменено) Днями схватился за дифавтомат во время перегона - а он горячий. понятно разобрал попробовал надфилем контакты почистить, таки они оказались медными..... За свои 50 лет стажа электриком такое видел впервые. Это я к тому что УЗО или дифавтомат не стоит использовать в качестве выключателя, нужно ставить нормальный контактор, или реле. Изменено 20 августа, 2021 пользователем qwest_ans
Миша Z Опубликовано 19 августа, 2021 Автор Опубликовано 19 августа, 2021 (изменено) Да уже сто раз было говорено, как и для чего использовать АВДТ... ШТАТНОЕ отключение должно происходить штатными средствами. АВАРИЙНОЕ расцепление питания - аварийными, где плевать слюнями на ресурс, и на все такое прочее, и важно только одно -обесточить немедленно силовую часть.. Но всегда найдутся люди, которые сделают обычное авто-завершение по температуре в кубе, методом разрыва питания через дифавтомат, и потом они сначала на все доводы будут говорить, "а вот у меня так работает и все прекрасно" , а потом , после того как погорит, будут говорить, что дураки и неучи кто угодно, только не они сами... ничего личного, это из наблюдений.. Изменено 19 августа, 2021 пользователем Миша Z Что в пруду.. что в хлеву.. нам, свинокарасям, везде - дом родной!
Alex57 Опубликовано 20 августа, 2021 Опубликовано 20 августа, 2021 3 часа назад, Миша Z сказал: ничего личного, это из наблюдений.. Скоро пойдёт в продажу ssvc0059 V2.0. Окончание процесса на чём лучше собирать, дифавтомат или контактор? Сборки автоматики SSVC0059 и РМ2
qwest_ans Опубликовано 20 августа, 2021 Опубликовано 20 августа, 2021 Для кого всё ЭТО было написано? Для бестолковых которые читать не умеют а могут только писать - по правильному через контактор. 1
esc Опубликовано 20 августа, 2021 Опубликовано 20 августа, 2021 (изменено) 7 часов назад, Alex57 сказал: Окончание процесса на чём лучше собирать, дифавтомат или контактор? Я бы дополнил список и незаваисимым расцепителем. И мое ИМХО по поводу правильного завершения процесса погона автоматикой. На первый взгляд ничего сложного. Автоматика : "поняла", что пора завершать погон и ...; и тупо обесточила электрический нагреватель (о газе речь не ведем); то ли УЗО, ДИФом, контактором, или независимым расцепителем, и т.д. ... И в чем заковыка? Во первых, в индукции. Ведь нельзя исключать момент, что именно к ее помощи прибегнет коллега. А эта дама, индукция, свое выключение видит чуть в ином свете: вначале будь так любезен, жмакни некую кнопку, предположим "Стоп"; потом выдержи паузу секунд 30 (куллер за это время остудит мой разгоряченный IGBT); и лишь потом обестачивай меня. Вывод. Правильная автоматика должна "понимать" причуды индукци. Отговорки, типа: по дефолту бытовые индукции не воспринимают внешние команды; по этому нехрен удорожать автоматику "лишними" функциями...; как бы принимаются, но только как бы... Второе, связка ТЭН и контактор. 17.08.2021 в 21:12, qwest_ans сказал: Это я к тому что УЗО или дифавтомат не стоит использовать в качестве выключателя, нужно ставить нормальный контактор, или реле. Согласен, контакты контактора в большей степени приспосеблены к "дуге" возникающей при отключении под током мощной нагрузки, чем разные там УЗО, ДИФы. Но и здесь есть несколько но. Во первых: использование контактора предполагает наличие мануальной кнопки "Старт" и "самоподхвата"; ибо если обмоткой контактора управляет чисто контроллер, то не исключен "глюк" самопроизвольного включения; а коллега в это время сладко спит полностью доверяя аватоматике; не я понимаю, что должна быть и "дубовая" ГБ, которая и займется устранением "электронных глюков"; но зачем спрашивается "искуственно" напрягать ГБ? Во вторых. Почему надо разрывать контактор, или иное комутационное устройствоимеено под нагрузкой? Ведь многие из коллег используют совместно с ТЭНами некие регуляторы-стабилизаторы мощности. По этому правильную автоматику стоит научить общению с этими девайсами. И перед тем как обесточить ТЭН контактором, стоит "попросить" стабилизатор сделать то же собственными средствами (например закрыть симистор). Все сказанное выше лишь мое ИМХО. Изменено 20 августа, 2021 пользователем esc 2
qwest_ans Опубликовано 20 августа, 2021 Опубликовано 20 августа, 2021 Твоё ИМХО почти совпадает с моим НО чел который понимает эти тонкости - не задает здесь глупых вопросов, Здесь ответы тем кто задает эти глупые вопросы Сиречь - это моё ИМХО Расшифровываю - имею мнение - хрен оспоришь
alexme Опубликовано 21 августа, 2021 Опубликовано 21 августа, 2021 ESC, как всегда круто написано и все проблемы освещены. Три года назад собрал блок регулирования и стабилизации мощности, совмещенный с ГБ. Собран он правда,из отдельных готовых узлов. Кто-то из форумчан подтолкнул меня использовать в нем, контактор, о чем я нисколько не жалею. Да, у меня есть пусковая кнопка, но она управляется или вручную, или реле. Использую тены и индукцию. Полность согласен с твоими доводами по правильности эксплуатации этих приборов, но простота, минимализм и как показала практика надёжность меня устраивает и этот компромис работает. Не нравится мне использование устройств не по назначению. А завершение работы штатное или от ГБ не такое уж редкое явление.
Рекомендуемые сообщения
Для публикации сообщений создайте учётную запись или авторизуйтесь
Вы должны быть пользователем, чтобы оставить комментарий
Создать аккаунт
Зарегистрируйте новый аккаунт в нашем сообществе. Это очень просто!
Регистрация нового пользователяВойти
Уже есть аккаунт? Войти в систему.
Войти