makh Опубликовано 17 декабря, 2016 Опубликовано 17 декабря, 2016 [b][member=POLE][/b], имхо очень даже результат!
POLE Опубликовано 18 декабря, 2016 Автор Опубликовано 18 декабря, 2016 (изменено) [member=makh], привет! Могу сообразить как сделать ячейку с прикреплением датчиков давления и температуры (см эскиз). Но у меня нет знаний как подключать цифровые датчики к "показометрам", преобразовывать цифры в значения и использовать выходной сигнал для управления исполнительными устройствами автоматики))) Изменено 18 декабря, 2016 пользователем POLE 2
bigson Опубликовано 18 декабря, 2016 Опубликовано 18 декабря, 2016 Главное не забыть, что при работе под вакуумом, второй порт диф. Датчика подключаем к вакууму Идея очень даже хорошая: давление столба знаем - плотность посчитаем (ро х же х аш), температуру знаем, поправочку внесем, очень даже хорошее решение....
POLE Опубликовано 18 декабря, 2016 Автор Опубликовано 18 декабря, 2016 [b][member=bigson][/b], спасибо Александр. Но я по цифре не смогу продолжить. Кто бы подключился)
Bogdanov_Alexey Опубликовано 18 декабря, 2016 Опубликовано 18 декабря, 2016 не сочтите за флуд...... makh как относишся к дисплею 4.3Nextion NX4827T043 HMI//////// POLE КАК ВЫГЛЯДЕТ НОВАЯ БАШНЯ САУРОНА НЕБОЛЬШОЙ БЫ ЧЕРТЕЖ В СТУДИЮ
POLE Опубликовано 18 декабря, 2016 Автор Опубликовано 18 декабря, 2016 (изменено) POLE КАК ВЫГЛЯДЕТ НОВАЯ БАШНЯ САУРОНА НЕБОЛЬШОЙ БЫ ЧЕРТЕЖ В СТУДИЮ Пока так без автоматики управления процессом. ПВК использую для зерновых. Для фруктовых применяю простой куб с тэном из кеги. Изменено 18 декабря, 2016 пользователем POLE
POLE Опубликовано 18 декабря, 2016 Автор Опубликовано 18 декабря, 2016 На ХД в аналогичной ветке при обсуждении идеи цифрового плотномера коллега Newocelot предложил "...а кто мешает взять дифференциальный датчик с маленьким диапазоном и на второй вход подать постоянное компенсирующее давление ?( например слева столб спиртосодержащей жидкости , справа - столб воды )..." Это классная идея.Только поставить нужно компенсатор давления не в водой, а со спиртом. Рабочий диапазон определяется изменением веса столба дистиллята. Увеличивая высоту столба дистиллята - увеличивается рабочий диапазон и количество АЦП попугаев))) 3
bigson Опубликовано 18 декабря, 2016 Опубликовано 18 декабря, 2016 Все классно, но на мой взгляд основной проблемой здесь будет поддержание компенсационного уровня (в одной и той же поре всегда, испарение там и прочее, для спирта гигроскопичность), и обязательно определение температуры этого компенсатора, хотя это под вопросом, вес столба будет всегда один... Если уровень спирта откорректированипри 20 градусах... Граблей таки и здесь есть где подсобрать...
POLE Опубликовано 18 декабря, 2016 Автор Опубликовано 18 декабря, 2016 [b][member=bigson][/b], согласен, что все усложняется. Ячейку можно настраивать перед каждой дистилляцией (заливать спирт по уровню, продувать трубки и пр.) Температуру придется измерять и в столбе со спиртом.
bigson Опубликовано 18 декабря, 2016 Опубликовано 18 декабря, 2016 Температуру придется измерять и в столбе со спиртом. Это, пожалуй, проще чем корректировать уровень спирта при 20 градусах всегда
POLE Опубликовано 19 декабря, 2016 Автор Опубликовано 19 декабря, 2016 Провел очередной эксперимент по датчику плотности с третьей компенсационной трубкой (для создания противодавления в дифференциальном датчике давления). Цель - экспериментально проверить уравновешивание давления в датчике и возможность использования половины рабочего диапазона датчика. Для этого исходя из возможности немного удлинил U-образник (с 25 до 27 см) и добавил третью трубку для компенсации давления в датчике. Результаты в цифрах и конечный вид ячейки на рисунках. Выводы: 1. Добавление компенсационной трубки позволило сдвинуть напряжение на датчике к 0 точке, а наращивание на 2см трубок U-образник привело к увеличению дельты напряжения (при понижении плотности с 94% до 0%) с 0,4В до 0, 5В. Дельта в 0,4В была в прошлом эксперименте http://forum.grainwine.info/index.php/topic/616-vakuumnaja-distilljacija/page-21?do=findComment&comment=181755 Следовательно увеличение высоты U-образных трубок приводит к пропорциональному увеличению дельты рабочих напряжений вплоть до половины рабочего диапазона датчика. 2. Перемещение датчика с нижней точки на верхнюю (выше уровня дистиллята) не приводит к изменениям показаний датчика. Следовательно датчик можно располагать выше уровня дистиллята, что целесообразно с точки зрения защиты датчика от попадания в него дистиллята. 3. Наблюдаемые колебания напряжения датчика (+/- 0,01В) в процессе движения дистиллята обусловлены неравномерным сливом (крупные капли). Следовательно, чтобы избежать колебаний показаний датчиков необходимо обеспечить равномерность капельного слива дистиллята. Это возможно путем уменьшения размера капель при применении тонкого капилляра на сливе. В силу новых данных конструкция ячейки цифрового датчика плотности изменена (см рисунок). 2
POLE Опубликовано 19 декабря, 2016 Автор Опубликовано 19 декабря, 2016 Некоторые соображения по применению датчиков плотности дистиллята в целях контроля и автоматизации процесса дистилляции. При дистилляции важна своевременная отсечка хвостов от тела, что можно сделать по температуре паров, либо по крепости дистиллята. Разработаны и применяются технические решения отсечки хвостов по температуре паров при атмосферной ректификации (типа "электронный спиртометр"). При дистилляции разных типов браг использование "электронного спиртометра" для автоматического управления процессом возможно только опытным оператором, когда имеется соответствующая статистика. В условиях вакуумной дистилляции применение "электронного спиртометра" неэффективно по причине нестабильности условий. Поэтому в дистилляции широко используется контроль оператором и отсечка хвостов по плотности дистиллята. В домашних условиях в большинстве случаев для контроля за плотностью дистиллята самогонщики используют стеклянные спиртометры, которые невозможно применить для автоматического управления процессом. Как правило отсечка хвостов в автоматическом режиме осуществляется путем переключения электромагнитных клапанов. Для этого достаточно слаботочного дискретного сигнала, чтобы включить (выключить) реле, к которому подключен клапан. При стабильных и известных значениях процесса такой сигнал сравнительно легко получить от поплавкового уровнемера, настроенного на определенную плотность дистиллята. Данный тип управления проводится без учета температуры дистиллята, что требует аппаратной термостабилизации дистиллята до 20 гр С. Кроме этого невозможен дистанционный контроль оператором хода процесса за исключением применения звуковых сигнализаторов. Эти существенные ограничения и разнообразие цифровых технических решений сделали возможным создание цифровых датчиков плотности. Выпускаемые акустические датчики плотности не находят применения среди самогонщиков по причине высокой стоимости. Перспективность цифровых датчиков плотности заключается в возможности интеграции их систему автоматизации дистилляцией для: 1. коррекции показаний по температуре за счет использования датчиков температуры; 2. удаленного контроля за процессом за счет использования персональных цифровых устройств (типа смартфорн и пр); 3. регулировки условий процесса за счет управления перефирийными исполнительными устройствами автоматики по заданным параметрам (реле, клапаны, нагрев и пр.); 4. автоматическим управлением процессом за счет применения датчиков контроля изменения состава дистиллята (типа кондуктометров и пр).
bigson Опубликовано 19 декабря, 2016 Опубликовано 19 декабря, 2016 (изменено) Олег, с какой частотой идут колебания уровня (крупные капли)? И как скоро нужно отреагировать на падение спиртуозности (просто порядок нужен) за 10 секунд если разглядим, нормально? Если нормально, а капли, я полагаю, чаще раза в секунду капают, то и отфильтровать эту помеху в цифре не составляет труда... Все наши процессы медленные и без скачкообразных изменений параметров, соответственно фильтровать разные скачки и прочие быстрые отклонения без проблем получится. Изменено 19 декабря, 2016 пользователем bigson
POLE Опубликовано 19 декабря, 2016 Автор Опубликовано 19 декабря, 2016 Олег, с какой частотой идут колебания уровня (крупные капли)? И как скоро нужно отреагировать на падение спиртуозности (просто порядок нужен) за 10 секунд если разглядим, нормально? Если нормально, а капли, я полагаю, чаще раза в секунду капают, то и отфильтровать эту помеху в цифре не составляет труда... Все наши процессы медленные и без скачкообразных изменений параметров, соответственно фильтровать разные скачки и прочие быстрые отклонения без проблем получится. Поясню. На скорую руку на выходе U-образника поставил тройник с силиконовой трубкой ф5 мм внутр. длиной в 13 см. Там накапливается дистиллят и при капании получается пдсос. Капли падают неравномерно и "посдсасывание" идет неравномерно. Это и дергает показания датчика. Проблема не существенная. Легко устраняется если сделать побольше зеркало выхода, а сбоку капилляр ф2 мм и 10-5 мм высотой, чтобы капало равномерно без подсоса. Отфильтровывать ничего не нужно будет. Кто- бы взялся за цифру))) Могу нарисовать чертежик ячейки исходя из параметров датчика.
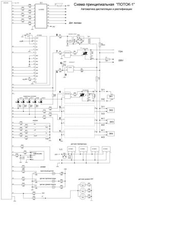
Bogdanov_Alexey Опубликовано 19 декабря, 2016 Опубликовано 19 декабря, 2016 думаю makh бы смог но почему то молчит....... на hd есть схема поток-1
POLE Опубликовано 19 декабря, 2016 Автор Опубликовано 19 декабря, 2016 [b][member=Bogdanov_Alexey][/b], возможно занят. А что за поток-1?
capsolo Опубликовано 19 декабря, 2016 Опубликовано 19 декабря, 2016 (изменено) при работе под вакуумом, Олег после перистальтики меряет. Снаружи атмосфера. А фильтрануть сигнал просто сгладить ползущим средним Олег автоматика простейшая. Если замеряешь напругу при разной плотности, и получится линейная зависимость (а она скорее всего получится) можно сделать простое устройство, которое будет показывать спиртуозность потока продукта и щелкать релюшкой (пищать пищалкой или что-то еще) если спиртуозность упала ниже уставки. Собирается из нескольких деталек: Контроллер https://ru.aliexpress.com/item/1PCS-Tower-Pro-9g-micro-servo-for-airplane-aeroplane-6CH-rc-helcopter-kds-esky-align-helicopter/32340815424.html?spm=2114.13010608.0.0.QfQczH&detailNewVersion=&categoryId=400103 Шильд управления и отображения https://ru.aliexpress.com/item/Free-Shipping-LCD-Keypad-Shield-LCD1602-LCD-1602-Module-Display-For-Arduino-ATMEGA328-ATMEGA2560-raspberry-pi/32346775046.html?spm=2114.13010608.0.0.QfQczH&detailNewVersion=&categoryId=400103 Градусник 18В20 https://ru.aliexpress.com/item/MK00241-Stainless-steel-waterproof-package-type-DS18b20-temperature-probe-temperature-sensor-18B20/32658611153.html?spm=2114.30010708.3.10.zmW4wo&ws_ab_test=searchweb0_0,searchweb201602_3_10065_10068_10084_10083_10080_10082_10081_10060_10061_10062_10056_10055_10037_10054_10059_10032_10099_10078_10079_10077_427_10093_10103_10073_10102_10096_10052_10050_10051-10037_10077,searchweb201603_2&btsid=a6378b18-b677-4449-9b98-0b813b882b22 Датчик давления https://ru.aliexpress.com/item/MPXV7002DP/32321615334.html?spm=2114.30010708.3.35.uSS4P2&ws_ab_test=searchweb0_0,searchweb201602_3_10065_10068_10084_10083_10080_10082_10081_10060_10061_10062_10056_10055_10037_10054_10059_10032_10099_10078_10079_10077_427_10093_10103_10073_10102_10096_10052_10050_10051,searchweb201603_2&btsid=b1addf6d-dfa0-4454-9f28-30205faa4424 Релюшка https://ru.aliexpress.com/item/1PCS-12V-Relay-Module-1-Channel-High-level-for-SCM-Household-Appliance-Control-FREE-SHIPPING-For/32757890357.html?spm=2114.30010708.3.10.6Gc6Rv&s=p&ws_ab_test=searchweb0_0,searchweb201602_3_10065_10068_10084_10083_10080_10082_10081_10060_10061_10062_10056_10055_10037_10054_10059_10032_10099_10078_10079_10077_427_10093_10103_10073_10102_10096_10052_10050_10051,searchweb201603_2&btsid=34a9c2f3-34e0-4489-92f7-a939cf4c9f07 Изменено 19 декабря, 2016 пользователем capsolo 1
POLE Опубликовано 19 декабря, 2016 Автор Опубликовано 19 декабря, 2016 [b][member=capsolo][/b], спасибо Антон. Зависимость линейная. Датчики давления и температуры, и релюшка у меня есть. Контроллер и шильд не проблема купить. Для меня проблема как и что подключить и настроить,чтобы показывало. Не знаю даже где и что искать. Изучать учебник по Ардуио с начала? Там много мне неизвестных терминов. Буду врубаться год пока что-то смогу. Гуру нужен)
POLE Опубликовано 19 декабря, 2016 Автор Опубликовано 19 декабря, 2016 [b][member=Bogdanov_Alexey][/b], понятно. Но без описания я ничего не пойму. Не радиотехник нисколько)
Bogdanov_Alexey Опубликовано 19 декабря, 2016 Опубликовано 19 декабря, 2016 сейчас hd закрыт как заработает так постараюсь дать точную ссылку 1
capsolo Опубликовано 19 декабря, 2016 Опубликовано 19 декабря, 2016 (изменено) [member=POLE], там вообще все просто. На борту контроллера есть АЦП, правда плохонький 10битный 1024 отсчета. ЗАцепишь датчик за аналоговую ногу, будем читать значение, по формуле пересчитывать в крепость. За один вечер пишется програмка. Мы с Саней подсобим. Ты подумай что устройство должно делать. Хватит ли того, что я описал выше? Нужно ли иметь возможность калибровать устройство (читать значение при нулевой крепости и при 97об) под конкретное исполнение "Башни Саурона"? :) А, да. Надо как-то (может на разтяжках) растянуть диапазон в 5 вольт. У Ардуины 1024 отсчета - это 5 вольт Ну и так-то попугай за полтора косаря не всякий станет себе делать :) Изменено 19 декабря, 2016 пользователем capsolo 1
POLE Опубликовано 19 декабря, 2016 Автор Опубликовано 19 декабря, 2016 [b][member=capsolo][/b], совсем обнадежил) Фантазирую по функционалу ЦДП (цифрового датчика плотности): 1. принимать: цифровой сигнал с датчика температуры; аналоговый сигнал (В), преобразовывать его в "цифру" и фильтровать (если требуется). 2. показывать: текущее значение температуры дистиллята (00,0 как минимум, больше не нужно точно); текущее значение плотности 00,0 как минимум (больше не нужно точно) с коррекцией по температуре; значение уставок по плотности 00,0 (не более 5? не знаю сколько народу потребуется точек управления по отбору). 2. задавать значение уставок по плотности. 3. задавать калибровку по крепости спирта, заливаемого в компенсационную трубку (смысл в том, что нужно создать в датчике противодавление. если измерять плотность в диапазоне от 96% до 0%, то и заливать лучше спирт 96%. Есть мысль, что можно залить 60% и как бы от этой точки считать. Но что будет с вольтами и пр.показаниями уже на дисплее пока не знаю. Пробовать нужно. В любом случае контрольный спирт нужно периодически менять и промывать (сушить) трубки, а значит нужно калибровать "нулевую" точку). 4. выдавать сигнал на исполнительные устройства (реле) по количеству точек уставок. 5. выдавать цифровой сигнал для подключения компа, чтобы писать графики (вписываться в другие интерфейсы-графики?). 6. подключать модуль wifi для передачи данных на смартфон и обратно (чтобы смотреть в он-лайн и дистанционно управлять уставками и работой реле). Похоже что размечтался))) подумаем дальше всеми заинтересованными головами
capsolo Опубликовано 19 декабря, 2016 Опубликовано 19 декабря, 2016 1.1 принимается 1.2. Мне кажется все уставки не надо показывать, только текущую целевую, после которой что-то произойдет 2. Принимается. Я так понимаю дистилляторы хотели бы по этим уставкам в разные банки разливать. Почему бы не приколбасить узел фракционного отбора на сервомоторе? Зачем еще эти уставки могут быть нужны? 3. Калибровка. Сервисная функция. Происходит по двум точкам, в которых пользователь указывает крепость и снимает показания. просто у кого-то 97 спирта может не оказаться. 4. Мне кажется узел отбора с сервомотором - достаточное исполнительное устройство. Может быть еще релюха на окончание отбора по крепости в струе. 5. серийный UART на борту контроллера имеется, подключается по USB шнурку к компу, будет выдавать температуру и крепость через равные промежутки времени. 6. Мне это кажется излишеством. Сейчас за 600 рублей можно купить комп с вайфай, который сможет с серийного порта читать показания и выставлять на веб страничку, писать логи и т.д. Протокол стандартный промышленный modbus https://habrahabr.ru/post/249043/ На первом этапе можно сделать 1.1, 1.2 без уставок, 3 без интерфейса (переменными из программы), 5. Этого будет достаточно для проведения экспериментов с разными моделями "попугая" и записи протоколов. 1
bigson Опубликовано 19 декабря, 2016 Опубликовано 19 декабря, 2016 Олег, а ведь ты абсолютно прав по поводу 60% об. Или еще скольки то... Диапазон разностей крепости для 96% и 0% относительно тех же 45% будет леэать по обе стороны от нулевой разности, может здесь и получится что-то выиграть в плане линейности и прочих плюшек... При калибровке, наливаем готовый раствор допустим 45%, этим же раствором заполняем U образный сенсор, и калибруемся... Даже некоторая неточность уровня в трубке потиводавления может быть учтена при калибровке (ну так налилось в этот раз) 1
Рекомендуемые сообщения
Для публикации сообщений создайте учётную запись или авторизуйтесь
Вы должны быть пользователем, чтобы оставить комментарий
Создать аккаунт
Зарегистрируйте новый аккаунт в нашем сообществе. Это очень просто!
Регистрация нового пользователяВойти
Уже есть аккаунт? Войти в систему.
Войти