George_78 Опубликовано 11 октября, 2024 Опубликовано 11 октября, 2024 1 час назад, кило115 сказал: Если нетрудно.Не факт что я её пойму ,но попробовать есть смысл У тебя одна фаза или три? Сколько тэнов планируешь подключать?
кило115 Опубликовано 11 октября, 2024 Автор Опубликовано 11 октября, 2024 1 час назад, George_78 сказал: Сколько тэнов планируешь подключать? Фаза одна.Планирую или 2 тена по 3квт подключать с развязкой по подключению 1\2квт на каждом.Это при условии ПВК. 2.) Или при условии куба с вкладышем водяной рубашки 1 тен 3квт и плитка индукция на 3.5 квт.Но это уже другая история. Естественно на каждой розетке свой автомат и отдельная кабельная линия.И 6.6.5 КВТ я могу позволить себе дуть тока когда дома один.В основном около 5 квт могу забирать,чтоб других по дому не ущемлять в электричестве 1 час назад, Naruto сказал: рубашкой неудобно - нужно слить масло или гликоль Нет там гликоля сейчас.Толька вода и на группу защиты такая хрень стоит.То есть если излишки давления будут возникать,то прям в брагу будет скидываться давление паром. Это я тока 2 дня вопрос изучаю https://samogon-i-vodka.ru/catalog/1392/66758/ Алкаши бывают пьющие и не пьющие.Я не пьющий
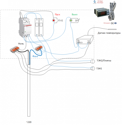
George_78 Опубликовано 11 октября, 2024 Опубликовано 11 октября, 2024 Как-то вот так получилось. Надеюсь, что понятно. и PDF на всякий случай 02.pdf У меня это так выглядит: Два термостата - ТСА и ПВК и слева регулятор мощности. Сорри, на картинке неудачный пример, тебе нужен контактор на 220В вот такой, но схема не меняется А ещё лучше такой на 40A 1
George_78 Опубликовано 11 октября, 2024 Опубликовано 11 октября, 2024 Нужно только проверить, сколько выдерживает клемма WAG, если что не так, то заменить на что-то более мощное. Я больше 3KW не нагружал и пару лет полёт нормальный.
кило115 Опубликовано 11 октября, 2024 Автор Опубликовано 11 октября, 2024 29 минут назад, George_78 сказал: Надеюсь, что понятно Спасибо за схему,но выше она моего уровня образования.Понял из неё слова фаза,ноль,тен и ваги узнал Я бы конечно разобрался методом тыка как она работает, ПВК на четвёртом,на пятом.Но не доверяю я себе настолько чтоб не зная какие выключатели поставить,какой датчик температуры взять,Куда его воткнуть и что то похожее на автоматы в схеме есть.Так что за 100+взять ПВК и самому городить что то чего я не понимаю считаю неправильным 7 минут назад, George_78 сказал: клемма WAG 32 А держит вага быстросъёмка Алкаши бывают пьющие и не пьющие.Я не пьющий
Naruto Опубликовано 11 октября, 2024 Опубликовано 11 октября, 2024 2 часа назад, кило115 сказал: стоит.То есть если излишки давления будут возникать,то прям в брагу будет скидываться давление паром. Это я тока 2 дня вопрос изучаю Ох это прям дичь, по факту отгон паром, то есть часть куба минус и прилично там до 15-20 процентов надо оставлять место под конденсат
кило115 Опубликовано 11 октября, 2024 Автор Опубликовано 11 октября, 2024 8 минут назад, Naruto сказал: Ох это прям дичь, по факту отгон паром Опять не правильно.Излишки сбросит пара.то есть барботёр на каком то давлении только будет сбрасывать пар.То есть пар в рубашке будет кипеть под маленьким давлением.Как только давление будет повышаться,то будет сбрасывать давление в брагу.То есть что то набрызгает в брагу,но не так как при перегоне только барботёром.Но то что ПВК лучше,я не спорю ни разу.Но ПВК и дороже в 3 раза.А у меня как я узнал 30 минут назад все кубы уничтожены гавном нутрий брата.В погребе эти сраные крысы год жили и к кубам теперь даже подходить страшно,не то что гнать на них,загажены внутри,остались тока кега 30 и 50 литров их просто объели от утеплителя по круг,а насрать в узкую горловину не смогли.И царги под молочку 50 и кламп 40 остались,но это лишь потому что они у меня под кроватью лежали.Так что с нуля почти мне стартовать придётся Алкаши бывают пьющие и не пьющие.Я не пьющий
Naruto Опубликовано 11 октября, 2024 Опубликовано 11 октября, 2024 @кило115 залей их щелоком 5 проц раствор каустика , нагрей до 90 гр и оставь на пару суток.
George_78 Опубликовано 11 октября, 2024 Опубликовано 11 октября, 2024 1 час назад, кило115 сказал: все кубы уничтожены Гена, я уже давно перегонный куб использую только как промежуточную емкость. По совету кого-то из старичков форума, я попробовал сделать второй перегон в ПВК и вкус продукта так мне больше понравился. Наверное, прямой контакт с тэнами делает что-то не так с дистиллятом.
кило115 Опубликовано 11 октября, 2024 Автор Опубликовано 11 октября, 2024 29 минут назад, George_78 сказал: прямой контакт с тэнами делает что-то не так с дистиллятом. И не только с дистилятом.Люди на газу ведь не зря до сих пор гонют.Но на мой взгляд индукция плитка и без тенов разгонки должны не хуже чем на газу отогнать.А разогрев тенами портит продукт Алкаши бывают пьющие и не пьющие.Я не пьющий
saff61 Опубликовано 11 октября, 2024 Опубликовано 11 октября, 2024 2 часа назад, George_78 сказал: Наверное, прямой контакт с тэнами делает что-то не так с дистиллятом. Очень интересное наблюдение. Тоже замечал что при навалке больше 25 град при нагреве тэном вкус дистиллята другой и количество хвостов увеличивается. Думал что это моя паранойя ан нет!
Stasyuk Опубликовано 11 октября, 2024 Опубликовано 11 октября, 2024 Тут за пару дней несколько страниц получилось. В целом это хорошо. Но у вас была (или есть) большая компания коллег по хобби. Кило115, ну можно же сгонять к кому-нибудь из знакомых, посмотреть что и как. На форуме же каждый свое будет накидывать, и не факт что это тебе зайдёт
snab Опубликовано 11 октября, 2024 Опубликовано 11 октября, 2024 @кило115 Гена, такое впечатление, что ИИ активизировался. То ты не бухаешь уже больше, чем не куришь, то у тебя последний пузырь заканчивается.. Мой телефон ты знаешь, захочешь, набери. 1 «Не стыдно чего-нибудь не знать, но стыдно не хотеть учиться»
кило115 Опубликовано 12 октября, 2024 Автор Опубликовано 12 октября, 2024 9 часов назад, snab сказал: последний пузырь заканчивается Так бывает,что человек не пьёт,а его запас спиртного кончается. 9 часов назад, snab сказал: Мой телефон ты знаешь, захочешь, набери. У меня Даже Бабайки телефон остался,но твоего нет. Ну а если по ПВК.Я могу себе позволить развлекаться за свои деньги как мне хочется.Захотелось мне зерновой отогнать.И я вижу для этого три пути. 1)купить ПВК и играться 2)купить куб с водяной рубашкой и сношаться 3)купить куб с водяной рубашкой,а потом купит ПВК Ну а какой путь я выберу,будет видно дальше. Пока кубик заказал на 75 литров,но без водяной рубашки.Кубик всё равно нужен будет https://samogon-i-vodka.ru/catalog/2310/65245/ а это или сразу ПВК взять пока я не решил https://samogon-i-vodka.ru/catalog/2098/59927/ и https://samogon-i-vodka.ru/catalog/1392/66758/ Алкаши бывают пьющие и не пьющие.Я не пьющий
snab Опубликовано 12 октября, 2024 Опубликовано 12 октября, 2024 (изменено) 1 час назад, кило115 сказал: купить ПВК и играться Это, был бы лучший вариант, нежели кастрюля, имхо. ПС по мешалке- я год варил без нее, потом ручную поставил, потом сколхозил из редуктора стеклоочистителя и понял, что с мешалкой МЕГА приятнее. Хоть у меня и всего то 60л. Изменено 12 октября, 2024 пользователем snab «Не стыдно чего-нибудь не знать, но стыдно не хотеть учиться»
кило115 Опубликовано 12 октября, 2024 Автор Опубликовано 12 октября, 2024 1 час назад, snab сказал: Хоть у меня и всего то 60л. А у меня частный дом,второй этаж.Кастрюля с вкладышем 20 кг 10+10,а ПВК 150 литров,50 кг+мешалка с крышкой ХЗ скока кг.Кастрюлю если чё я могу на первый этаж стащить и помыть (вода и на втором есть) А вот ПВК в случае нужды по лестнице неудобно будет тащить вниз.И непонятно мне сейчас как часто я гнать буду хотеть.Для меня сейчас это просто (хочется отогнать и всё То есть развлечь себя я хочу. И чё значит выражение кожухотрубный дистилятор в применение к этой железке? https://samogon-i-vodka.ru/catalog/1329/57627/ Алкаши бывают пьющие и не пьющие.Я не пьющий
кило115 Опубликовано 12 октября, 2024 Автор Опубликовано 12 октября, 2024 Интересные калькуляторы появились.Смотришь и сразу всё ясно становится.Ну например что куб 150 литров тоже оказывается маленький,если в нём сбраживать,а не переливать осахаренную в бочку. с плотным гидромодулем и в бочке уже водой разводить.То есть ПВК от 250 литров должны начинаться,Всё что меньше=онанизм. Алкаши бывают пьющие и не пьющие.Я не пьющий
snab Опубликовано 12 октября, 2024 Опубликовано 12 октября, 2024 (изменено) 2 часа назад, кило115 сказал: ПВК от 250 литров должны начинаться,Всё что меньше=онанизм. В общем- верно. Но 250л в квартире- не онанизм, а долбоебизм Прощения прошу за мой французский А, имхо, имея частный дом и желание варить нормальный объем, совсем не понимаю, для чего этот, нормальный объем, оборудовать на втором этаже. Но это мое имхо Изменено 12 октября, 2024 пользователем snab «Не стыдно чего-нибудь не знать, но стыдно не хотеть учиться»
кило115 Опубликовано 12 октября, 2024 Автор Опубликовано 12 октября, 2024 14 минут назад, snab сказал: и желание варить нормальный объем Не так.Желание за раз сварить хотя бы 10 АС раз в месяц.НООО с прицелом на то,а вдруг захочется наварить много и залить бочки. Прикинул я что 250 литров никак мне не в радость будет на втором этаже.А с кубиком 75 литров онанизмом заниматься лень.Заказал ПВК на 150 литров от СИВ.Хотел у Джолера заказать,но у него от 250 литров всё начинается и он готов был сделать и 150 литров,НО по цене 250 литров.Я его понимаю,неходовой размерчик для него 150 литров. Буду ждать теперь прибытия обновки.Солод по 57руб за кг мешками по 40 кг это сейчас нормальные цены считаются? Алкаши бывают пьющие и не пьющие.Я не пьющий
snab Опубликовано 12 октября, 2024 Опубликовано 12 октября, 2024 32 минуты назад, кило115 сказал: обновки.Солод по 57руб за кг мешками по 40 кг Это супер. У нас в городе от 110/кг стартуют «Не стыдно чего-нибудь не знать, но стыдно не хотеть учиться»
кило115 Опубликовано 12 октября, 2024 Автор Опубликовано 12 октября, 2024 Наверно не так я что то понял их по ценам,или без НДС мне назвали.Такие у них цены на самый дешёвый солод сейчас https://rushmelsolod.ru/magazin/product/1347869907 Алкаши бывают пьющие и не пьющие.Я не пьющий
Naruto Опубликовано 12 октября, 2024 Опубликовано 12 октября, 2024 (изменено) @кило115 69 руб За кг солода сдается они давно не обновляли сайт 😂😅 Изменено 12 октября, 2024 пользователем Naruto
кило115 Опубликовано 12 октября, 2024 Автор Опубликовано 12 октября, 2024 1 час назад, Naruto сказал: давно не обновляли сайт А сколько нормальная цена в Воронеже?Я брал у этих продавцов раньше солод,потом в Венёве брал.Звонил им они данные мне мои сказали.Может цену неправильно я услышал у них,мне вообще 57 показалась цена Алкаши бывают пьющие и не пьющие.Я не пьющий
кило115 Опубликовано 12 октября, 2024 Автор Опубликовано 12 октября, 2024 6 часов назад, snab сказал: У нас в городе от 110/кг стартуют держи ссылку,до дому тебе почти довезут.Мне с моими скидками по 86 получилось бы https://www.ozon.ru/product/venevskiy-solod-yachmennyy-svetlyy-25kg-1451804624/?reviewsVariantMode=1&sh=WsFfF2zXWQ&start_page_id=d41a78b3d4a4810701f42d591e1910f8 и https://www.ozon.ru/product/kurskiy-solod-yachmennyy-svetlyy-pilsner-25-kg-217386946/?abt_att=1&advert=AM8ASpEo5im6uGUwkgiUIJSdw8JUrD8PGKRgw68FfZQGt01iCu2518tixti_f3sTgSp4w9cW2f3-5Gnr5A08T0istE9ZrgS8MiA4_BwCS4d4K7pZ3o8kjOSVdd1EEPq4z2c0iTjoI5U2OlfVi3yqAetYHbyD9LE4bKs6OqptltbGQb9IvgMxhv95V_VUcmngFzzr_opVGBNQzjB-yspjZYDyGqn7vPYry0HonNGkzwOEflP2FkiYYn5j2MXea32VP4FEds_25lbW-7EMLXVyzgEJLq-rpirzYRCBQUP1pnpnN2Guh4G60slIAVxNkIRfzRof6_pMARvNnCwYW106K-lbNVyABEYtBi8MvQu2_ZwBsCdcHZP9Y5E4sN-uEa8Nirj-&avtc=1&avte=2&avts=1728755417&keywords=солод+ячменный&origin_referer=www.ozon.ru Алкаши бывают пьющие и не пьющие.Я не пьющий
Naruto Опубликовано 12 октября, 2024 Опубликовано 12 октября, 2024 5 часов назад, кило115 сказал: сколько нормальная цена в Воронеже Завтра спрошу актуальные цены, по которым мы закупаем.
Рекомендуемые сообщения
Для публикации сообщений создайте учётную запись или авторизуйтесь
Вы должны быть пользователем, чтобы оставить комментарий
Создать аккаунт
Зарегистрируйте новый аккаунт в нашем сообществе. Это очень просто!
Регистрация нового пользователяВойти
Уже есть аккаунт? Войти в систему.
Войти