AlexRW-24 Опубликовано 7 июля, 2021 Опубликовано 7 июля, 2021 Доброго времени суток уважаемые форумчане) Выражаю благодарность за столь нужный проэкт всем его создателям) а теперь к делу. Собрал плату самостоятельно по схеме от RABBITUS (там где он выложил печатную плату для атмеги8 в корпусе ДИП-28. прошил V2.62 и даже работает. но есть минус - регулятор лежит просто на столе при комнатной температуре показания прыгают на 1 градус.. т.е. 26.44 - 27.56.. читал в теме что у людей скачки в 0.06гр считаются нормой.. но у меня выходит 1гр.. что я сделать мог не так ? тему прочел только до 18-той страницы.. возможно что то не дочитал) ткните носом пожалуйста) RABBITUS отдельное спасибо за печатную плату )
ser64 Опубликовано 8 июля, 2021 Опубликовано 8 июля, 2021 @AlexRW-24 Возможно бракованный датчик, я несколько раз с алишки попадал на похожий брак- температура гуляла -+ 2,5 °С. Ставь оригинальный Автоматика для ректификации, дистилляции Сборка любой сложности "под заказчика"
AlexRW-24 Опубликовано 9 июля, 2021 Опубликовано 9 июля, 2021 (изменено) Возможно ли по маркировке судить что датчик оригинальный ? в одной из ссылок форума указаны фото оригинальных датчиков.. у меня есть 5 датчиков от одного продавца, пробовал 2 из них, показания и прыжки температуры идентичны у обоих.. Или все же икать проблему в датчиках? извините, фото делал через лупу ) Да, и как определить оригинальность датчика если не по маркировке ? цена на один датчик оригинальный сколько должна быть примерно ? Изменено 9 июля, 2021 пользователем AlexRW-24
Самоделкин56 Опубликовано 9 июля, 2021 Опубликовано 9 июля, 2021 (изменено) 38 минут назад, AlexRW-24 сказал: цена на один датчик оригинальный сколько должна быть примерно ? На екитс 130 р стоит оригинал . https://ekits.ru/catalog/diy/datchiki/temperatury_/ds18b20_to92_tsifrovoy_termometr/ Изменено 9 июля, 2021 пользователем Самоделкин56 добавил адрес
AlexRW-24 Опубликовано 9 июля, 2021 Опубликовано 9 июля, 2021 (изменено) Возможно это наценка перекупов.. мои выглядят так же как на картинке по вашей ссылке.. в общем проблема решилась так - продублировал землю и питание проводом 0.25мм, прям припаял по дорожкам, и добавил керамику 10мкФ по питанию датчика возле разьема на плате.. безумные колебания пропали.. сейчас в пределах + - 0.06гр.. т .е. 29.50 - 29.44 -29.38 думаю это норма? так что питание датчику очень важно ) следите пожалуйста) видимо у меня дорожки были тонкими, был перетрав на плате.. это сыграло роль) посмотрю в ректефикации, после отпишу ) спасибо ребятам за такое полезное устройство ) PS: датчики брал на алиэкспресс 120 р за 5 штук... Изменено 9 июля, 2021 пользователем AlexRW-24 1
baltis Опубликовано 10 июля, 2021 Опубликовано 10 июля, 2021 Я покупал датчики на Али и в Ч&Д. На Али - 25р/шт, в Ч&Д - 180р/шт. Разницы между датчиками не увидел, кроме цены, конечно. Такая же ситуация и с симисторами. Изготовление оборудования и автоматики для нашего хобби
Михаил Лемуровв Опубликовано 10 июля, 2021 Опубликовано 10 июля, 2021 (изменено) тоже с симисторами так было. у нас 290р штука. с алика выписывал два раза, первый раз за 102р второй за 105р. за 5(!) штук (всего 10!!!). ДСки то же с китая на спиртогоне стоят. только USB-удлинитель, 1.8м, в качестве кабеля для них на балдарисе выписывал тут Изменено 10 июля, 2021 пользователем Михаил Лемуровв
baltis Опубликовано 10 июля, 2021 Опубликовано 10 июля, 2021 34 минуты назад, Михаил Лемуровв сказал: балдарис Балдерис Хелмут Гунарович. Родился 31 июля 1952 года в Риге Советский хоккеист, нападающий, заслуженный мастер спорта СССР (1978). Серебряный призер Олимпийских игр - 1980 Трехкратный чемпион мира - 1978, 1979, 1983 Серебряный призер чемпионата мира - 1976 и т. д. и т. п. 1 Изготовление оборудования и автоматики для нашего хобби
Михаил Лемуровв Опубликовано 10 июля, 2021 Опубликовано 10 июля, 2021 6 часов назад, baltis сказал: Балдерис ... а может в честь его так назвали?
Z_h_e Опубликовано 10 июля, 2021 Опубликовано 10 июля, 2021 19 часов назад, AlexRW-24 сказал: как определить оригинальность датчика если не по маркировке Если датчик работает по трехпроводной схеме, отключи провод +питания, т.е. к трехпроводной автоматике подключи датчик по двухпроводной схеме. Если температура будет не 85,0 градусов, то точно не оригинал. 1 изготовлю автоматику
AlexRW-24 Опубликовано 10 июля, 2021 Опубликовано 10 июля, 2021 отключил +5В , показывает 4 нижних черточки.. это что значит ?
Z_h_e Опубликовано 10 июля, 2021 Опубликовано 10 июля, 2021 Я за данную автоматику ничего сказать не могу. Насколько я знаю, клоны DS разные. Есть которые не умеют работать по двупроводной схеме. Есть заведомо оригинальный датчик? изготовлю автоматику
baltis Опубликовано 10 июля, 2021 Опубликовано 10 июля, 2021 13 минут назад, AlexRW-24 сказал: показывает 4 нижних черточки.. это что значит ? Изучай https://ekits.ru/published/publicdata/SHOPEKITEKITS/attachments/SC/products_docs/STH0024-v3-manual.pdf Изготовление оборудования и автоматики для нашего хобби
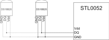
Z_h_e Опубликовано 10 июля, 2021 Опубликовано 10 июля, 2021 Я поясню за 85 градусов. DS сама постоянно ничего не измеряет, датчик это сделает получив команду и положит результаты измерения в соответствующую свою память, но при включении питания он кладет туда ровно 85 градусов. Если датчик оригинальный и ничего не делает, то потребляет он тока чуть-чуть (я просто не помню сколько) и ему хватит для обмена данными то что есть на линии DQ. Как только он получит команду измерения Т, ему срочно понадобится 1.5мА тока, а их то нет и он тупо перезагрузится и положит в ту память 85 градусов, так как для него это рестарт по питанию. А вот клоны, с коими сталкивался, 85 не хотят показывать. 3 часа назад, Z_h_e сказал: отключи провод +питания По хорошему питание надо не просто отключить, а замкнуть на GND. Но мои оригинальные датчике без проблем показывают 85 при обрыве питания со стороны автоматики. Так, картинка двухпроводной схемы из инета, для примера двухпроводной схемы. изготовлю автоматику
Самоделкин56 Опубликовано 10 июля, 2021 Опубликовано 10 июля, 2021 21 час назад, AlexRW-24 сказал: мои выглядят так же как на картинке по вашей ссылке.. Вот так выглядит оригинал
Z_h_e Опубликовано 10 июля, 2021 Опубликовано 10 июля, 2021 Еще появились официальные клоны под названием 7Q18B20. Даташит я на него находил, он из иероглифов состоит, но цифры "наши" . Пишут что полная совместимость, не изучал. изготовлю автоматику
Olegin Опубликовано 30 ноября, 2021 Опубликовано 30 ноября, 2021 Здравствуйте, ни подкажет ли кто ...какой чип атмега на CTH? хочу сам собрать и зашить
ser64 Опубликовано 30 ноября, 2021 Опубликовано 30 ноября, 2021 (изменено) ATmega8A-AU @Olegin как же ты хочешь собрать и зашить, если не удосужился посмотреть схему в 3 посте? Изменено 30 ноября, 2021 пользователем ser64 Автоматика для ректификации, дистилляции Сборка любой сложности "под заказчика"
vlsaf@mail.ru Опубликовано 8 августа, 2022 Опубликовано 8 августа, 2022 Подскажите, как работать с клапаном? Хочу сам программу замутить. Я так понимаю, что есть некий цикл: - открыть - подождать - закрыть - подождать Какие тут примерно могут быть времена, скажем для отбора голов 150 мл./час? Слишком часто дергать клапан не хорошо. Слишком редко тоже плохо. Есть золотая середина, которую нужно использовать?
baltis Опубликовано 8 августа, 2022 Опубликовано 8 августа, 2022 @vlsaf@mail.ru определи сначала рабочие параметры своей колонны, а потом уже решишь по поводу прошивки. Изготовление оборудования и автоматики для нашего хобби
vlsaf@mail.ru Опубликовано 9 августа, 2022 Опубликовано 9 августа, 2022 (изменено) Есть идея. В общем не нужно клапан заставлять без конца щелкать! Итак есть колонна 2 дюйма. Рабочая можность 1.7 кВт. На этой мощности я отбираю со скоростью 1 л. / ч. И это всегда так, т.к. идет отбор по жидкости. До начала перегона настраиваю игольчатый кран на эту скорость. Настраиваю отдельно от всего. От ардуино требуется только определить, когда темперетура в узле отбора стабилизировалась и открыть клапан. И не закрывать его до конца погона. Игольчатый кран будет выдавать желаемую скорость отбора при открытом клапане. А в конце, когда температура скакнула на 0.1 градуса на датчике температуры, клапан закрыть. ВСЕ! Просто до безобразия. Забыл сказать, что отбор голов идет в верхнем узле отбора над царгой пастеризации. Это другой узел отбора. И настройки одного узла никак не влияют на настройки другого узла отбора. Изменено 9 августа, 2022 пользователем vlsaf@mail.ru
baltis Опубликовано 9 августа, 2022 Опубликовано 9 августа, 2022 @vlsaf@mail.ru можно и так, но с клапаном удобнее. Я пользовался и зажимом, и иглами, и игольчатым краном, - полный геморрой. А когда перешёл на отбор клапаном, испытал удовлетворение от работы колонны. Тебе жалко клапан? Не знаю, какой у него ресурс, но у меня он работает безотказно шесть лет. Сгорит? Заменить катушку - 300р. Подумай, стОит ли возвращаться в прошлое. 2 Изготовление оборудования и автоматики для нашего хобби
YesORnO Опубликовано 23 августа, 2022 Опубликовано 23 августа, 2022 (изменено) Добрый день, стал глючит sth. Сейчас готовы отбираю, периодически на табло появляются 4 нижние чёрточки(с разным период между появлениями) и если они появляются во время открытия клапана, то он закрывается до следующего периода открытия. При этом отсчёт времяни продолжается. Клапан 220В Прошивка 2.62 Блок питания 12В 1А Если дело в помехах, то ёмкость кондера в снаб.цепи надо увеличить? Изменено 23 августа, 2022 пользователем YesORnO
hardvik Опубликовано 23 августа, 2022 Опубликовано 23 августа, 2022 Проверяй цепь датчика . Черточки появляются когда с него не поступают данные. Или сам датчик или провод.
Рекомендуемые сообщения
Для публикации сообщений создайте учётную запись или авторизуйтесь
Вы должны быть пользователем, чтобы оставить комментарий
Создать аккаунт
Зарегистрируйте новый аккаунт в нашем сообществе. Это очень просто!
Регистрация нового пользователяВойти
Уже есть аккаунт? Войти в систему.
Войти