gdv2002 Опубликовано 16 апреля, 2016 Опубликовано 16 апреля, 2016 (изменено) [member=ser64], просто у меня есть чипы, есть текстолит и умение паять, такую простую схему просто грех не собрать, если умеешь и можешь! Изменено 16 апреля, 2016 пользователем gdv2002
Mihalich Опубликовано 16 апреля, 2016 Опубликовано 16 апреля, 2016 (изменено) Так вы это, решили сделать аналог СТН-ки? Или что-то еще более интересное? Что за платка? Судя по обозначениям - питание 5В, подключение датчика 3-х проводного - значитDS18B20, ну и выход на управление реле (или иным исполнительным механизмом), тоже 5В? Очень интересно плата в сборе будет дешевле модуля у тех же китайцев под заказ партии. Раз в 5 А вот это еще интереснее! По цене 1 STH получаем 5? Да это же то, что мне надо ! И есть "под рукой" человек, который спаять-прошить всё это дело сможет! И тогда я еще больше труб в многотрубнике сделать смогу Изменено 16 апреля, 2016 пользователем Mihalich Помогу с оборудованием для наших дел Гонщик формулы С2Н5ОН
gdv2002 Опубликовано 16 апреля, 2016 Опубликовано 16 апреля, 2016 Так вы это, решили сделать аналог СТН-ки? Или что-то еще более интересное? Что за платка? Что такое СТН? Это тупо плата с распаяным микроконтроллером, дисплейчиком, стабилизатором на 5В и релюхой! По сути его функционал определяет прошивка, и не более. Мне не нужен стабилизатор +5В и релюха. У меня есть чипы и материал для плат. Получается лучше сделать "шилду" без лишних, не нужных приблуд! В данном случае ВСЕ решает прошивка микроконтроллера, а как и на чем все будет спаяно, уже вторично, и более на "красоту" влияет! 1
capsolo Опубликовано 16 апреля, 2016 Автор Опубликовано 16 апреля, 2016 Следующий - честный РМ. Если детальки будут долго идти переделаю прошивку стх под ардуино, но с двумя градусниками на колонне. Для компенсации изменения атм. давления. Надеюсь, что получится не сильно дороже.
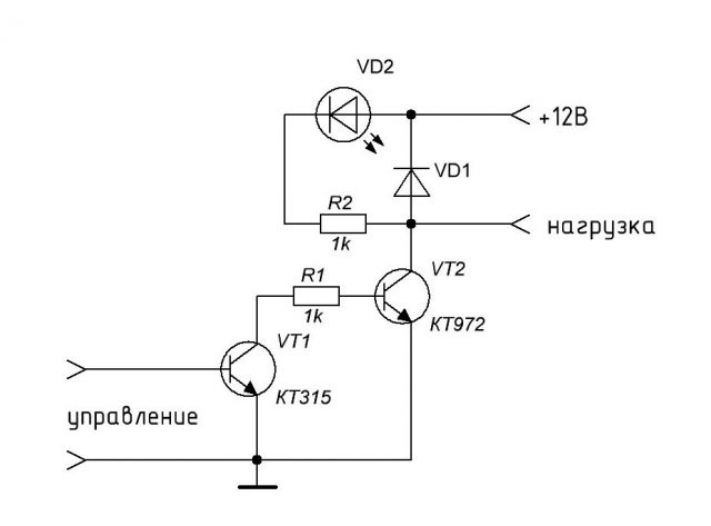
hardvik Опубликовано 17 апреля, 2016 Опубликовано 17 апреля, 2016 Мне не нужен стабилизатор +5В и релюха. Дмитрий, я бы еще оптрон с симистором поставил. Со снабберной цепью.
gdv2002 Опубликовано 18 апреля, 2016 Опубликовано 18 апреля, 2016 Дмитрий, я бы еще оптрон с симистором поставил. Со снабберной цепью. Для управления клапаном по 220в это обязательно нужно сделать, а можно готовый модуль от Ардуино взять. В моем случае силовая часть довольно проста:
avr1020 Опубликовано 18 апреля, 2016 Опубликовано 18 апреля, 2016 Устанавливаю версию прошивки 1.3.1, а высвечивается "u 1.3" так и должно быть? До этого ставил 1.2, потом 1.3 Разобрался, так и должно быть! Прошился сейчас на 1.2.1 и высветилось u 1.2
capsolo Опубликовано 18 апреля, 2016 Автор Опубликовано 18 апреля, 2016 ну я заморачиваться не стал, хотя мог бы. Оставил первые две цифры. 1
вагон-самогон Опубликовано 22 апреля, 2016 Опубликовано 22 апреля, 2016 Следующий - честный РМ. Если детальки будут долго идти переделаю прошивку стх под ардуино, но с двумя градусниками на колонне. Для компенсации изменения атм. давления. Надеюсь, что получится не сильно дороже. Антон, а что РМ-2 не так?
capsolo Опубликовано 22 апреля, 2016 Автор Опубликовано 22 апреля, 2016 [member=вагон-самогон], все с ним хорошо, только производители тэнов, бывает, врут за мощность, ну и пересчитать вольты в ватты не каждому дано, а на форумах все в ваттах общаются. Этот реальные ватты будет показывать.
COURIER Опубликовано 22 апреля, 2016 Опубликовано 22 апреля, 2016 производители тэнов, бывает, врут за мощностьЧто можешь сказать про аристон? Говорят, что они не врут, я и не проверял так и считаю по указанной. Этот реальные ватты будет показывать.Я бы в очередь встал)))
capsolo Опубликовано 22 апреля, 2016 Автор Опубликовано 22 апреля, 2016 Я бы в очередь встал))) Пока рано. Сначала обкатка кода и железа, опытная эксплуатация, подготовка конструкторской документации минимальной, эксплуатационной. Поиск умельца на серийную сборку и только потом уже продажи.
COURIER Опубликовано 22 апреля, 2016 Опубликовано 22 апреля, 2016 Пока рано.Да эт понятно, я как бэ больше тебя подбодрить))) 2
alenka Опубликовано 2 мая, 2016 Опубликовано 2 мая, 2016 эту штучку можно перепрошить с обычного компьютера программой CodeVisionAVR? бесплатная версия программы не подойдет похоже из-за ограничений на размер кода и количество библиотек? а что-то еще нужно дополнительно к этому комплекту, чтобы работал?
capsolo Опубликовано 2 мая, 2016 Автор Опубликовано 2 мая, 2016 (изменено) [member=alenka], конкретно к этому модулю нужно питание и клапан электрический нержовый или фторопластовый. Реле ставится в разрыв цепи питания клапана. Кодвиженом получится прошить. На модуле 8 атмега стоит. SPI разведен на разьем. Изменено 2 мая, 2016 пользователем capsolo
alenka Опубликовано 2 мая, 2016 Опубликовано 2 мая, 2016 а где их искать, можно привести какой-нибудь пример? лучше "клапан электрический нержовый"
capsolo Опубликовано 2 мая, 2016 Автор Опубликовано 2 мая, 2016 [member=alenka], хлопчики такими часто пользуютсяhttp://bizorg.su/elektromagnitnye-klapany-dlya-vody-gaza-r/p2764053-solenoidnyy-klapan-hx3-klapan-elektromagnitnyy 1
alenka Опубликовано 2 мая, 2016 Опубликовано 2 мая, 2016 На модуле 8 атмега стоит. SPI разведен на разьем. это к чему-то обязывает или пока можно не заморачиваться? (я слов таких не знаю а клапан и блок питания можно будет заказать вместе с автоматикой, чтобы ничего не перепутать?
capsolo Опубликовано 2 мая, 2016 Автор Опубликовано 2 мая, 2016 [member=alenka], можно в сборе из Тулы заказать. Вова Jollier организовывает изготовление изделий. 1
COURIER Опубликовано 2 мая, 2016 Опубликовано 2 мая, 2016 Провел наднях ректификацию с помощью этой автоматики, очень удобная вещь. Большое спасибо разработчикам и программисту ))), отлично помогает при ректе...
alenka Опубликовано 2 мая, 2016 Опубликовано 2 мая, 2016 можно еще спросить - а зачем в теме продаж предлагается "Дополнительный датчик температуры DS18B20 ", а разъем у автоматики для датчика только один
alexeyT Опубликовано 2 мая, 2016 Опубликовано 2 мая, 2016 [member=alenka], автоматика одна а царг может быть много... 2
barmaleyi73 Опубликовано 3 мая, 2016 Опубликовано 3 мая, 2016 Парни подскажите что не так делаю, пытаюсь скачать прошивку с шапки темы, пишет что "Невозможно найти, какое приложение пытались посмотреть". Где копать?
bigson Опубликовано 3 мая, 2016 Опубликовано 3 мая, 2016 (изменено) Трудности скорее всего временные, подождать нужно... Скачанная есть, но на работе, сегодня не помогу ничем... Изменено 3 мая, 2016 пользователем bigson
barmaleyi73 Опубликовано 3 мая, 2016 Опубликовано 3 мая, 2016 Видимо придется старую прошивку юзать( да ладно че там...
Рекомендуемые сообщения
Для публикации сообщений создайте учётную запись или авторизуйтесь
Вы должны быть пользователем, чтобы оставить комментарий
Создать аккаунт
Зарегистрируйте новый аккаунт в нашем сообществе. Это очень просто!
Регистрация нового пользователяВойти
Уже есть аккаунт? Войти в систему.
Войти