capsolo Опубликовано 2 декабря, 2016 Опубликовано 2 декабря, 2016 (изменено) В связи с тем, что коллега Волька, автор регулятора мощности РМВ-К, впилил в свое устройство управление по протоколу RS-232, я считаю нужным выпустить версию Спиртогона, который поддерживал бы управление данным регулятором мощности. Я вижу функциональность интеграции со стороны Спиртогона следующим образом: 1) когда на любом из градусников достигается установленная в отдельном новом параметре Спиртогона температура, он подает команду включить РМВ-К в первую предустановку мощности (рабочий режим). Стоит ли вводить параметр - это есть вопрос, потому как т в царге после закипания растет очен бысто, так что если выставить 65 или 70 разницы особой не будет. Могу еще погудеть динамиком Спиртогона. 2) Когда Спиртогон решает, что процесс окончен, он не только щелкает своим финишным реле, но и дает РМВ-К команду прекратить подачу мощности в куб. Чтобы не усложнять интерфейс для интеграции будет выпущена отдельная прошивка устройства. Чем можно помочь: 1) Вносить дополнительные предложения по интеграции с одним условием: эти предложения не должны усложнять пользовательский интерфейс. Все должно быть зашито в коде, и зашитые настройки должны большинство пользователей устраивать. 2) Быть тестировщиком. Обладать РМВ-К с серийным интерфейсом и Спиртогоном, уметь заливать код в ардуину и думать головой почему все плохо. 3) Дать мне погонять "РМВ-К" с серийным интерфейсом для отладки. Так результат будет быстрее. Протокол обмена с устройством от автора: Communication Parameters: 8 Data, 1 Stop, No Parity USART Mode: Asynchronous USART Baud Rate: 9600 Команды: (могу чуть обмануть) Все команды начинаются с "АТ+" команды составлены в соответствии с установившимися правилами этих самых команд АТ. Команда должна заканчиваться символом перевода строки. <CR> 1. "АТ+VI?" - возвращает напряжение входящее или сети Volt In 2. "АТ+VO?" - возвращает напряжение на выходе РМВ-К 3. "АТ+VS?" - возвращает значение которое установлено на выходе , т.е. команда 2. это реальное, а 3. то что установлено 4. "АТ+VS=xxx" - устанавливает напряжение на выходе если успешно, то возвращает посланное значение иначе возвращает "error". Напряжение вводится ххх - т.е. обязательно с незначащими нулями, например - АТ+VS=087 5. "АТ+ON?" - возвращает ON если разрешено напряжение на выходе и OFF если выход отключен. 6. "АТ+ON={1 or 0} - команда выключает напряжение на выходе =0 выкл , =1 вкл 7. Возможно будет команда не только выключающая, но и блокирующая, аналогичная срабатыванию аварийного выхода. С надписью на дисплее OFF, которая от 6. будет отличатся тем, что после выкл и вкл РМВ-К она останется заблокированной. Выбор предустановленной настройки регулятора. 8. "AT+SM=х" , где х от 0 до 9 (select from memory). Ответ "ок". По подключению выводов: Вывод 9 Vcc +5 V Вывод 10 TX Вывод 11 RX Вывод 12 GND Сигналы TTL Оптоизоляция на PC817 Изменено 11 января, 2017 пользователем capsolo 5
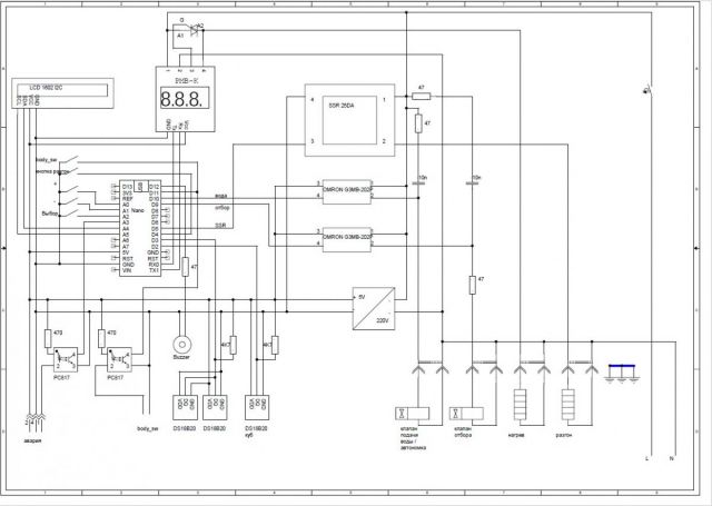
capsolo Опубликовано 2 декабря, 2016 Автор Опубликовано 2 декабря, 2016 (изменено) Здесь буду выкладывать плоды трудов: Версия 0.1 Пилотная версия. При старте контроллера пытается связаться с РМВ-К и получить напряжение сети. При удаче выводит его на экран и пишет, что РМВ есть, иначе пишет, что РМВ нет. Запускает процесс оператор вручную, выставляя разгонный режим на РМВ (можно его запомнить в любую ячейку памяти, кроме первой). В первую ячейку памяти РМВ оператор записывает рабочий режим колонны. При обнаружении на любом из градусников температуры WARMUP_TEMP, которая сейчас равна 60, на РМВ-К подается команда "AT+SM=0", которая включает напряжение, записанное в первой ячейке памяти регулятора мощности, включая рабочий режим колонны. Когда процесс подходит к концу (декремент меньше или равен 0, или дельта не возвращается в старое значение) на контроллер РМВ-К подается команда "АТ+ON=0", которая вырубает регулятор мощности. tau_kita_arduino_RMV_v0.1.zip Актуальные на 19.06.2017 схема и прошивка tau_kita_arduino_RMV_1906.zip Версия бета (30.10.2017): СПИРТОГОН_РМВ_К_22.pdf - Схема tau_kita_arduino_RMV_1608.zip - Прошивка Контроллер рассчитан на две фазы: одна заведена через РМВ, а вторая разгонная через твердотелку. По т в кубе включается вода, отключается разгонный тэн, РМВ автоматом переводится в мощность, заданную в 1 пресете. контроллер верещит и начинает отсчет, заданный в параметре работы на себя. Потом начинается отбор голов с заданными в контроллере изменяемыми параметрами, стабилизация не происходит. Когда отобран заданный отбор голов в мл в полуавтомате контроллер верещит и просит заменить тару. В автомате подает сигнал в Айронман (заземляет ему контакт на 500мс), Айронман либо подает питание на следующее реле либо переводит сервомотор к следующей банке, в зависимости от настроек. Далее отбирается заданный объем подголовников и происходит полуавтоматический или автоматический переход к телу. Переход на предхвосты происходит по температуре куба, задаваемой в контроллере. Переход на хвосты происходит по первому залету температуры. Из меню контроллера можно задавать время работы на себя в минутах (отсчитывается от момента перехода на рабочий режим), количество голов, подголовников и температуру куба, при которой надо перейти на предхвосты. В ручном режиме (без Айронмана) после голов, подголовников, а так же при переходе на предхвосты выведет сообщение о замене банки и будет ждать нажатие кнопки (притягивание к земле) CHANGEFRAC_PIN, который по умолчанию 6. По той же кнопке при работе можно перейти в следующее состояние: от работы на себя к головам,потом к подголовникам и т.д. В авторежиме Спиртогон дает сигнал Айронману на переход к следующей фракции (земли обоих контроллеров следует соединить между собой). В поле ОСТ контроллер при работе на себя выводит минуты до отбора голов, в режиме отбора голов и подголовников - кол-во мл, оставшихся до перехода в следующую фракцию. Замечание от коллеги eson по аварийным датчикам: Решил добавить информацию о датчиках безопасности. Самый простой вариант заказать здесь https://samogon-i-vodka.ru/catalog/597/48612/ и https://samogon-i-vodka.ru/catalog/597/48615/ , распиновка указана на схеме в начале темы. Для тех, кому религия или финансы не позволяют использовать готовый вариант, описываю вариант самостоятельного изготовления. Для датчика разлива жидкости потребуется датчик с али типа такого : https://ru.aliexpress.com/item/Raindrops-Detection-sensor-modue-rain-module-weather-module-Humidity-For-Arduino/2038545274.html?spm=2114.10010208.1000014.7.L1eirF&traffic_analysisId=recommend_3035_null_null_null&scm=1007.13338.84300.000000000000000&pvid=1ab88c39-8046-4b97-b452-36b113a27143&tpp=1 . Платы таких датчиков попадались двух видов см. фото. На этих платах обвёл интересующие нас резисторы. Если установлен резистор 510кОм(обозначение 514) датчик будет срабатывать и на воду и на спирт, если 10кОм(обозначение 103) только на воду. Выпаиваем гребенки с платы, к плате припаиваем кабель VCC – «+», GND – «-», D0 – выход, выпрямляем гребенку датчика и напаиваем на неё плату. Висячий конец платы и кабель фиксируем термосоплями дяди Ляо см.фото. Подстроечным резистором устанавливаем уровень срабатывания. Для красоты засовываем в корпус. Для аварийного проходного датчика для ТСА потребуется термостат DS1821. Как сделать программатор для него описано здесь: http://kazus.ru/shemes/showpage/0/859/1.html для срабатывания при 63*С устанавливаем значения как на картинке. Термостат фиксируем на кусочке нержавеющей трубки термоусадкой. Датчики подключаются на вход «авария» параллельно. Библиотеки: PinChangeInterrupt.zip Изменено 18 сентября, 2018 пользователем capsolo 2
kirka Опубликовано 2 декабря, 2016 Опубликовано 2 декабря, 2016 [member=capsolo], Антон в этом РМ нет гальваноразвязки с 220в, чревато это последствиями. Если алгоритм выбрать чуть другой: при превышении 55'с включить воду и убрать разгон, при достижении 80'с вырубить все, считаю будет правильнее с любым имеющимся РМ.С релейными модулями от ардуино, забыл писануть
capsolo Опубликовано 2 декабря, 2016 Автор Опубликовано 2 декабря, 2016 [b][member=kirka][/b], ну воду Спиртогон не включает, а почему на 80 все вырубить надо? У нас спиртоварка, а у нее четко определены условия завершения процесса. Автор пишет что 232 опторазвязанный у него, так что к нам ничего не должно прилететь.
kirka Опубликовано 2 декабря, 2016 Опубликовано 2 декабря, 2016 [member=capsolo], ну а чему такой проект тогда, иль я чего не понял? Хотели изначально вроде к безопасности это все отнести, а тут шаг взад, да еще с привязкой к некому РМ. Не поддерживаю линию, моя баба яга против такого (шутка).
VOLK EV Опубликовано 2 декабря, 2016 Опубликовано 2 декабря, 2016 Антон ,привет. Из меня помощник конечно плохой, но могу поучаствовать в тестировании, надеюсь Саша с прошивкой поможет. Одна небольшая проблема - еще до сих пор не пришла аурдина , а так почти все готово; 1
capsolo Опубликовано 2 декабря, 2016 Автор Опубликовано 2 декабря, 2016 (изменено) [member=kirka], Там делов три строчки, это не разработка, так - фигня, побочный проект, пока Саню жду по основному, а людям может быть приятно. Многим кроме РМ и управления клапаном вообще ничего не надо больше. Вот вообще. Как мне, например. Во-вторых это личное. Я начал вообще заниматься автоматикой, потому что усатая из вредности разработчика по температуре из разгонного в рабочий режим не переключалась, только на старших моделях. Изменено 2 декабря, 2016 пользователем capsolo
kirka Опубликовано 2 декабря, 2016 Опубликовано 2 декабря, 2016 [member=capsolo], я только историю напомнил, но баба яга моя все равно не согласна. Привязка вредна, имхо.
serafh Опубликовано 2 декабря, 2016 Опубликовано 2 декабря, 2016 [member=capsolo],Антон, какие изменения или дополнения (в схему, на лицевую панель) при интеграции Спиртогона с РМВ-К стоит предусмотреть заранее? Сообщение отражает мнение автора (imho)
capsolo Опубликовано 2 декабря, 2016 Автор Опубликовано 2 декабря, 2016 (изменено) два пина к раз ему рмв подключить, запитать 232 и все Изменено 26 апреля, 2017 пользователем capsolo
serafh Опубликовано 2 декабря, 2016 Опубликовано 2 декабря, 2016 [member=capsolo], А разьем на корпус Спиртогона? Сообщение отражает мнение автора (imho)
VOLK EV Опубликовано 2 декабря, 2016 Опубликовано 2 декабря, 2016 Антон ,ты для нас бестолковых лучше нарисуй схемку. 2
kirka Опубликовано 2 декабря, 2016 Опубликовано 2 декабря, 2016 (изменено) [member=capsolo], "Там делов три строчки, это не разработка, так - фигня, побочный проект", а много ли юзеру надо, а особливо еще с руками? Твкл воды (разгона) и Твыкл всего, Аля контроль ТСА? Сам так щас сижу и все устраивает по функционалу, сделано правда на дискретных железяках. Желание уйти от этого есть, но ...есть но. Изменено 2 декабря, 2016 пользователем kirka
capsolo Опубликовано 2 декабря, 2016 Автор Опубликовано 2 декабря, 2016 (изменено) [member=VOLK EV], ща на телефоне рисовать неудобно. Два проводка от пинов 4 и 5 к примеру от спиртогона на рмв-к. Запитать 232-й регулятора проводками 5в и gnd. Все Изменено 26 апреля, 2017 пользователем capsolo
kirka Опубликовано 2 декабря, 2016 Опубликовано 2 декабря, 2016 [member=capsolo], Антон, у меня не будет РМВ-К, я тоды сливаюсь из темы, звиняй, я другой.
capsolo Опубликовано 2 декабря, 2016 Автор Опубликовано 2 декабря, 2016 (изменено) [member=kirka], у меня тоже не будет своего;) ну и что? Я последние разы спирт без РМ вообще делаю. В моем доме напруга колом стоит с утра до вечера. Тэн на полтора в куб воткнул и гоню. Это отдельная ветка. Спиртогон канонический останется в исходном виде. Изменено 2 декабря, 2016 пользователем capsolo
serafh Опубликовано 2 декабря, 2016 Опубликовано 2 декабря, 2016 В моем доме напруга колом стоит с утра до вечера. У меня тоже стояла, пока стройку спорткомплекса возле дома не затеяли сцуки, глазом видно, лампы накаливания яркость меняют, а вчера отключение на пару минут было. А хотелось бы до НГ прогончик сотворить. Сообщение отражает мнение автора (imho)
capsolo Опубликовано 3 декабря, 2016 Автор Опубликовано 3 декабря, 2016 [member=xOther], ну я то самоделкин. Я себе сам рм сделаю. А рекламой будет интеграция, в результате которой получается полноценная спиртоварка.
gws1 Опубликовано 3 декабря, 2016 Опубликовано 3 декабря, 2016 Коллеги, в силу возраста и трёх инсультов не могу сообразить вот такое. Есть колонна РБК-2(http://distillate.rx22.ru/viewtopic.php?f=25&t=7) и куб наТЭНах. Что требуется от автомата? 1. Разгон - ТЭН на полную мощность Р1, вода на охлаждение закрыта. По достижении температуры в кубе Т1 раздаётся сигнал, включается вода на охлаждение и снижается мощность ТЭН до Р2. 2. Отбор голов - мощность Р2 до достижения в ТСА Т2, либо наполнения ёмкости V1(датчик уровня(поплавок и микрик, к примеру), либо влажности). Звучит сигнал, мощность переходит на уровень Р3, идёт отбор тела, возможно, клапан переключает ёмкости. 3. Отбор тела - мощность Р3, до достижения в ТСА Т3, далее - сигнал, клапан переключает ёмкости, идёт отжим хвостов до Т4 в кубе после чего звучит сигнал, отключается ТЭН и вода на охлаждение. Возможно ли такое от этой связки? Либо аналоги Ардуино, а то и старый ноут? Теперь ноуты и нетбуки без аккумуляторов дёшевы, может и Ардуино дадут по цене фору. Сразу и дисплей и среда программирования...
capsolo Опубликовано 3 декабря, 2016 Автор Опубликовано 3 декабря, 2016 Геннадий связка будет уметь переключить с разгонной мощности на рабочую и остановить процесс когда не осталось спирта. Ну и то, что спиртогон раньше умел. 1
Mihalych. Опубликовано 31 декабря, 2016 Опубликовано 31 декабря, 2016 Антон, мне интересен этот проект. Скоро получу свой РМВ-К, могу переслать его Вам для ускорения процесса. 1
xOther Опубликовано 31 декабря, 2016 Опубликовано 31 декабря, 2016 [b][member=Mihalych.][/b], Виктор, он у меня один подъедет заберёт. Для него один уже прилетел в Москву. На сортировке чёто задержался. Третий день посылку сортируют)) Медные дистилляторы/дефлегматоры/царги,автоматика и др.Медь, фитинги с доставкой.Наборы для самостоятельной сборки.
capsolo Опубликовано 31 декабря, 2016 Автор Опубликовано 31 декабря, 2016 [b][member=xOther][/b], посмотрим, мож до 3-его успеют. У меня по плану 3-его быть трезвым и за рулем.
xOther Опубликовано 31 декабря, 2016 Опубликовано 31 декабря, 2016 посмотрим,Почта только с 3-го работать начнёт. Две посылки у меня на московской сортировке висят с 28-го. Медные дистилляторы/дефлегматоры/царги,автоматика и др.Медь, фитинги с доставкой.Наборы для самостоятельной сборки.
capsolo Опубликовано 31 декабря, 2016 Автор Опубликовано 31 декабря, 2016 [b][member=xOther][/b], 3-го в ГАИ трамвай ставлю на учет. А на необмытый трамвай гарантия не распространяется. Правда 4-го уже хочу на нем в снега рвануть, так что особенно не разгуляешься. Ну как придет - так придет. Все равно раньше рождества не успею заняться.
Рекомендуемые сообщения