Alexgo Опубликовано 22 января, 2016 Опубликовано 22 января, 2016 (изменено) Всем привет! в этой теме я хочу рассказать как из не дорогих компонентов собрать автоматику для контроля и управления процессом затирания и варки как вы думаете чего? правильно пива по немногу буду выкладывать фотографии и ссылки где чего можно приобрести и как чего подсоединить,загрузить,эксплуатировать данную автоматику если я чего-то или кого-то продублирую,сильно не пинайте т.к. разработка не моя и я хочу всего лишь поделится информацией для тех кто еще не в курсе что есть такое устройство сразу скажу что я все радио компоненты заказывал из Китая и ссылки на детали будут именно от туда но это в принципе не важно откуда железки,важен конечный результат собственно сердцем контроллера является плата arduino,в моём случае ардуино нано именно она будет управлять всем процессом, так-же необходим дисплей для отображения стадий процесса затирания и варки так-же реле управления нагрузкой такой как тэн и насос(мешалка) термо датчик для контроля температуры в заторно-варочной части кнопки для управления блоком и небольшой набор радиодеталей и проводочков дя сборки после сборки у вас должно получиться типо такого блока Изменено 22 января, 2016 пользователем Alexgo 1
alexeyT Опубликовано 22 января, 2016 Опубликовано 22 января, 2016 [b][member=Alexgo][/b], если ты будешь по строчке в день писАть.... то вряд ли начни с перечня поддерживаемых режимов
Alexgo Опубликовано 22 января, 2016 Автор Опубликовано 22 января, 2016 не по строчке я не смогу, по режимам ,поддержание заданных температурных пауз (количество пауз,температура и время каждой паузы)контроллер сам без вмешательства оператора переходит по заданным паузам варка с оповещением о вносе хмеля (задаётся температура и время варки,количество раз оповещений о вносе хмеля в определенное время) почти автоматический процесс я просто про детальки хотел начать,что где купить,начал всё расписывать,комп глюганул или я не туда нажал и вся писанина слетела
Glog Опубликовано 22 января, 2016 Опубликовано 22 января, 2016 (изменено) Так 4-х строчный дисплей уже не модно. Последний тренд - графический экран с TFT. Пацан сам все за полгода написал, коллеги на форуме ему подсказывали алгоритм работы. Молодцы. Схема практически состоит из 5 основных деталей. Кит набор из 3-х деталей с правильным тачем. http://ru.aliexpress.com/item/Free-shipping-1pair-3pcs-3-2-TFT-LCD-Touch-TFT-3-2-inch-Shield-Mega-2560/32263803371.html Ну вот как бы все. Вся автоматика. Изменено 22 января, 2016 пользователем Glog 2 Ох уж эти сказочки! Ох уж эти сказочники!
Alexgo Опубликовано 24 января, 2016 Автор Опубликовано 24 января, 2016 (изменено) всё это модное интересное после пролива на эту автоматику (с тачскрином) горячего сусла приходит в негодность, с алгоритмом этого товарища я не знаком так как этот товарищ держит свой код в секрете,мол чтоб не барыжили его наработками,поправить этот код под свои потребности нет возможности (код единоличник) по этому я эту разработку комментировать не буду для сборки понадобится ардуино http://www.ebay.com/itm/MINI-USB-Nano-V3-0-ATmega328P-CH340G-5V-16M-Micro-controller-board-Arduino-T1-/181846906547?hash=item2a56eb96b3:g:Ir8AAOSwBahVL6BH кнопки http://www.ebay.com/itm/1x4-Matrix-Array-4-Key-Membrane-Switch-Keypad-Keyboard-1-4-Keys-for-Arduino-/131250506063?hash=item1e8f23c94f:g:brYAAOSwqYBWocnu реле http://www.ebay.com/itm/1x4-Matrix-Array-4-Key-Membrane-Switch-Keypad-Keyboard-1-4-Keys-for-Arduino-/131250506063?hash=item1e8f23c94f:g:brYAAOSwqYBWocnu термодатчик http://www.ebay.com/itm/Waterproof-Digital-Thermal-Probe-or-Sensor-DS18B20-Length-1M-/170821333658?hash=item27c5beb29a:g:rn4AAOxy2YtRyGFz блок питания http://www.ebay.com/itm/AC-DC-Power-Supply-Buck-Converter-Adapter-Step-Down-Module-3-3V-5V-9V-12V-/191669608074?var=&hash=item2ca0661e8a:m:mzfBIy8YJx5nWS3F6vWrwzA текстолит для изготовления платы http://www.ebay.com/itm/10PCS-70-x-100-Copper-Clad-Plate-Laminate-PCB-Circuit-Board-FR4-/262218278421?var=&hash=item3d0d6d6615 Изменено 24 января, 2016 пользователем Alexgo 3 1
Владимир 1970 Опубликовано 24 января, 2016 Опубликовано 24 января, 2016 [member=Alexgo], Саша, прости, случайно жалобу тебе кинул, с одного нажатия ушла, без подтверждения.
Alexgo Опубликовано 24 января, 2016 Автор Опубликовано 24 января, 2016 (изменено) по радиодеталям которые понадобятся для изготовления платы контроллера резисторы 4,7Ком 1шт http://www.ebay.com/itm/100pcs-1-4w-Watt-4-7K-ohm-4-7Kohm-Metal-Film-Resistor-0-25W-4700R-1-/171907645642?hash=item28067e80ca 2,2Ком 3шт http://www.ebay.com/itm/100pcs-1-1-4w-Metal-Film-Resistor-Resistance-470ohm-2-2k-ohm-33ohm-1000ohm-/121393411090?var=&hash=item1c439c7412 470Ом 2шт http://www.ebay.com/itm/100pcs-1-1-4w-Metal-Film-Resistor-Resistance-470ohm-2-2k-ohm-33ohm-1000ohm-/121393411090?var=&hash=item1c439c7412 подстроечный резистор на 10Ком 1шт http://www.ebay.com/itm/10-pcs-New-3296W-102-1K-Ohm-3296W-Trimpot-Trimmer-Potentiometer-/221918256405?hash=item33ab5bdd15 транзисторы 2n2222a 3шт http://www.ebay.com/itm/100Pcs-NPN-Transistor-TO-92-2N2222A-2N2222-/171907488918?hash=item28067c1c96 диоды 1n4007 2шт http://www.ebay.com/itm/100PCS-1A-1000V-Diode-1N4007-IN4007-DO-41-Rectifie-Diodes-/310684682779?hash=item4856400a1b активная пищалка 1шт http://www.ebay.com/itm/10PCS-5V-Active-Buzzer-Magnetic-Long-Continous-Beep-Tone-Alarm-Ringer-12MM-LJN-/161859395582?hash=item25af925ffe светодиоды 2шт(я не использовал) штырьковая планка и ответная часть к ней http://www.ebay.com/itm/10PCS-40-Pin-1x40-Female-adn-Male-2-54-breakable-pin-header-connector-/371412047887?var=&hash=item5679e2180f Изменено 24 января, 2016 пользователем Alexgo
Vovhu Опубликовано 24 января, 2016 Опубликовано 24 января, 2016 [member=Владимир 1970],Восстановил баланс :) Так будет не всегда ...
Alexgo Опубликовано 24 января, 2016 Автор Опубликовано 24 января, 2016 [member=Alexgo], Саша, прости, случайно жалобу тебе кинул, с одного нажатия ушла, без подтверждения. ничего страшного,я не обижаюсь, пол дня сообщение писал с сылками на радио детали,свет моргнул и все слетело
БайбаК Опубликовано 24 января, 2016 Опубликовано 24 января, 2016 Саша, прости, случайно жалобу тебе кинул, с одного нажатия ушла, без подтверждения жалоба и красная стрелочка это разные вещи , жалоба в низу а стрелочка это минус к статусу 1
Alexgo Опубликовано 24 января, 2016 Автор Опубликовано 24 января, 2016 дисплей для автоматики можно поставить на 2 строки или на 4 строки (более информативный) на 2 http://www.ebay.com/itm/1602-16x2-HD44780-Character-LCD-Display-Module-LCM-Yellow-backlight-NEW-/171907642472?hash=item28067e7468:g:o0EAAOSw0e9UsH49 на 4 http://www.ebay.com/itm/1PCS-2004-204-20x4-Character-LCD-Display-Module-HD44780-Blue-Blacklight-/221925990213?hash=item33abd1df45:g:P~EAAOSwhcJWMXbM
Whitehorse77 Опубликовано 10 февраля, 2016 Опубликовано 10 февраля, 2016 Ребята, поясните - это я тупой и еще не понял как сделать автоматику, или автор еще не все написал что хотел? Мне кажется или непонятно что куда паять, как например сделать оповещение о достижении определенной температуры, желательно по GSM. Тема архиважная, кто уже делал - отпишитесь, пожалуйста.
Glog Опубликовано 10 февраля, 2016 Опубликовано 10 февраля, 2016 (изменено) после пролива на эту автоматику (с тачскрином) горячего сусла приходит в негодность, Поэтому она плохая? Это не довод. с алгоритмом этого товарища я не знаком так как этот товарищ держит свой код в секрете,мол чтоб не барыжили его наработками,поправить этот код под свои потребности нет возможности (код единоличник) по этому я эту разработку комментировать не буду Да, да. Пастернака не читал, но уверен, что подлец. Ты перепутал этого человека с какими то другими хлопчиками. Скетч у человека находится в абсолютно открытом виде. Все правится под любые свои задачи. Кусочке начала скетча для аргумента: #include <OneWire.h> #include <DallasTemperature.h> #include <UTFT.h> #include <UTouch.h> #include <Wire.h> #include <Time.h> #include <DS1307RTC.h> extern uint8_t SmallFont[]; extern uint8_t BigFont[]; extern uint8_t SevenSegNumFont[]; UTFT myGLCD(ITDB32S, 38,39,40,41); UTouch myTouch(6,5,4,3,2); #define ONE_WIRE_BUS 12 OneWire oneWire(ONE_WIRE_BUS); DallasTemperature sensors(&oneWire); DeviceAddress insideThermometer; int pumpPin = 10; int buzzerPin = 8; int buzzerPwPin = 9; int heatPin = 11; Ссылка на видео для заинтересовавшихся. Коллегой в мое городе уже повторено 2 таких автоматики. Успешно варят пиво. Сохраняют рецепты на флэшку. На фото автоматика с тачем во время варки затора. Вынесена на проводе. Подсоединяется через разъем к исполнительным устройствам под кастрюлей. Можно положить рядом, можно повесить на ручку бака или на стену. Больше не буду раздражать. Ухожу из темы. Продолжай, коллегам интересно. Изменено 13 февраля, 2016 пользователем Glog Ох уж эти сказочки! Ох уж эти сказочники!
Alexgo Опубликовано 16 февраля, 2016 Автор Опубликовано 16 февраля, 2016 Поэтому она плохая? Это не довод. Да, да. Пастернака не читал, но уверен, что подлец. Ты перепутал этого человека с какими то другими хлопчиками. Скетч у человека находится в абсолютно открытом виде. Все правится под любые свои задачи. Кусочке начала скетча для аргумента: #include <OneWire.h> #include <DallasTemperature.h> #include <UTFT.h> #include <UTouch.h> #include <Wire.h> #include <Time.h> #include <DS1307RTC.h> extern uint8_t SmallFont[]; extern uint8_t BigFont[]; extern uint8_t SevenSegNumFont[]; UTFT myGLCD(ITDB32S, 38,39,40,41); UTouch myTouch(6,5,4,3,2); #define ONE_WIRE_BUS 12 OneWire oneWire(ONE_WIRE_BUS); DallasTemperature sensors(&oneWire); DeviceAddress insideThermometer; int pumpPin = 10; int buzzerPin = 8; int buzzerPwPin = 9; int heatPin = 11; Ссылка на видео для заинтересовавшихся. Коллегой в мое городе уже повторено 2 таких автоматики. Успешно варят пиво. Сохраняют рецепты на флэшку. На фото автоматика с тачем во время варки затора. Вынесена на проводе. Подсоединяется через разъем к исполнительным устройствам под кастрюлей. Можно положить рядом, можно повесить на ручку бака или на стену. Больше не буду раздражать. Ухожу из темы. Продолжай, коллегам интересно. я никого не гоню из темы,если чего знаешь по той автоматике и тебе не жалко выложить на общий суд я только за
Alexgo Опубликовано 16 февраля, 2016 Автор Опубликовано 16 февраля, 2016 (изменено) . Изменено 19 февраля, 2016 пользователем Alexgo
61003 Опубликовано 16 февраля, 2016 Опубликовано 16 февраля, 2016 а нафига плата, если ардуино? не проще модули просто купить и соединить меду собой проводками?
Glog Опубликовано 2 апреля, 2016 Опубликовано 2 апреля, 2016 кому интересно я продолжу как сделать автоматику, или автор еще не все написал что хотел? Мне кажется или непонятно что куда паять, как например сделать оповещение о достижении определенной температуры, желательно по GSM. Тема архиважная, кто уже делал - отпишитесь, пожалуйста. по строчке я не смогу, От автора темы коллеги так и не дождались рабочего проекта. То ли уснул. То ли на войну забрали. То ли в тюрьму посадили за самогоноварение. В наличии имеются только ссылки на железки. Нет ни сборной схемы, ни самого главного - скетча для заливки в Ардуину. Без этого все эти железки бесполезный хлам. Поскольку за это время я себе сваял Ардуину с тачем, начну ка я новую тему. Ох уж эти сказочки! Ох уж эти сказочники!
capsolo Опубликовано 2 апреля, 2016 Опубликовано 2 апреля, 2016 Ну это....давай уже, а то я тут влосипед решил изобрести. Да и в соседней теме про стх уже кое-что на пивную тему реализовал. 2
Glog Опубликовано 2 апреля, 2016 Опубликовано 2 апреля, 2016 в соседней теме про стх уже кое-что на пивную тему реализовал. Антох, не смеши мои подковы. Чего можно реализовать на "слепом" и "глухом" термометре с 3-х значным индикатором. Баловство это. Жениться тебе надо, барин. Надо делать Ардуину с вайфаем с индикацией на экране компа и управлением процессом с компьютерной клвиатуры. Прогу управления вообще на Бейсике можно на писать. Ну для приличия на Паскале. Ну и небольшой скетч в ардуину, чтобы знала чего включать, выключать при нужных показаниях термометров. Ох уж эти сказочки! Ох уж эти сказочники!
capsolo Опубликовано 2 апреля, 2016 Опубликовано 2 апреля, 2016 (изменено) Управление на большом компе - грех с такими микропроцессорами. Максимум - мониторинг и глобальные комады типа "я больше не хочу пива" или "хорош затирать уже, давай охлаждай, у меня солод огонь". Так-то пиво, сваренное на том контроллере уже успешно выжрато, а для пива ничего больше и не надо. Да и для браги по теплой схеме и для ее выгона. Градусник, релюха на SSD и экран на 4 семисегментника. Леха Глум подтвердит. Это он придумал программы затирки одной кнопкой как на караоке выбирать. Забыл заметить: бейсик-хуейсик Изменено 2 апреля, 2016 пользователем capsolo
61003 Опубликовано 3 апреля, 2016 Опубликовано 3 апреля, 2016 Надо делать Ардуину с вайфаем с индикацией на экране компа и управлением процессом с компьютерной клвиатуры. может еще сервер сделаешь с доступом из интернет? и собственно чем ты там собрался управлять? засыпкой солода чтоли? Чего можно реализовать на "слепом" и "глухом" термометре с 3-х значным индикатором. много чего можно сделать, если знать как. на меге 8й столько всего реализовано, что даже страшно становится иногда. кстати 1
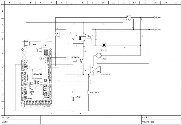
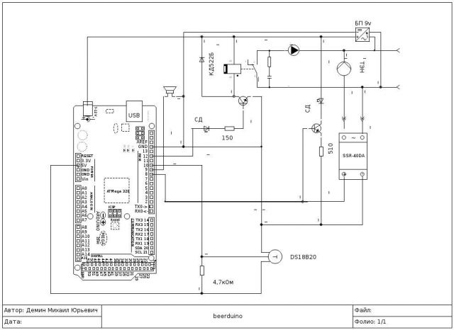
Alexgo Опубликовано 22 мая, 2017 Автор Опубликовано 22 мая, 2017 Извиняюсь за задержку,постоянно не хватает времени,ресурс с прошивками перестал работать на том адресе выложу прошивку тут , нарисовал 2 платы под дисплеи 16/2 и 20/4 небольшой набросок схемы как можно собрать на проводках ещё пару фоток и платы.rar ArdBir_2_6_70b10 (1).rar новый c исправлениями 2.6.7b10.rar Руководство ArdBir RUS 2.6.62.pdf
capsolo Опубликовано 24 мая, 2017 Опубликовано 24 мая, 2017 (изменено) Я блин сдуру из Глоговской темы устройство собрал, а у него макс т кипения на варке 93 градуса, но и их я не достиг. Так на 83 и сварил. Пиво водянистое получилось. Прошивка закрытая - поправить не получится....В этой все в порядке. Думаю Мож Ее под мегу перепилить и тачскрин... Изменено 24 мая, 2017 пользователем capsolo
Рекомендуемые сообщения
Для публикации сообщений создайте учётную запись или авторизуйтесь
Вы должны быть пользователем, чтобы оставить комментарий
Создать аккаунт
Зарегистрируйте новый аккаунт в нашем сообществе. Это очень просто!
Регистрация нового пользователяВойти
Уже есть аккаунт? Войти в систему.
Войти