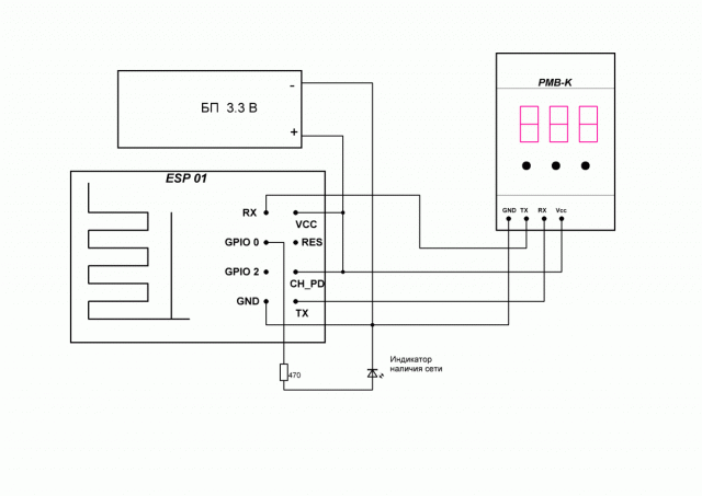
alexhrip Опубликовано 3 февраля, 2020 Опубликовано 3 февраля, 2020 (изменено) Приставка для дистанционного управления регулятором РМВ-К (версия с UART) по WiFi. Изделие построено на базе ESP8266 (ESP 01) и подключается к регулятору через UART (RX, TX). Для желающих повторить выкладываю скетч и схему. Скетч грузим через Arduino IDE, также потребуется плагин ESP8266 Sketch Data Upload для загрузки файловой системы. При первом включении ESP запускается в режиме точка доступа (т.е., при котором к ESP8266 смогут подключаться станции) с именем сети "PMB_AP". Подключаемся к данной сети и по айпишнику 192.168.4.1 попадаем в WiFiManager. Находим или прописываем свою сеть, пароль, маску и IP адрес нашего устройства по которому будем заходить из своей сети. Сохраняем, перегружаем и ESP подключается к домашней сети. PMBWiFi_V1_0.rar Изменено 10 февраля, 2020 пользователем alexhrip 1 9
_Alex_ Опубликовано 6 февраля, 2020 Опубликовано 6 февраля, 2020 Есть некоторые вопросы. Может немного нубские) 1. Как я понял, то 5 в отправят модуль ESP к праотцам? Почему именно 5 в, потому как ардуинка питается этим напряжением. И не хотелось бы колхозить отдельно питание на модуль. 2. Допустим, что рмв-к уже получает команды от Ардуинки на переключение напряжения для перехода из режима разгона в рабочий режим. Не будет ли конфликта в командах от двух устройств? 3. Индикатор наличия сети, это обычный светодиод?
alexhrip Опубликовано 6 февраля, 2020 Автор Опубликовано 6 февраля, 2020 1. Да, только стаб на 3.3 вольта. 2. Конфликт будет. 3. Да.
Gnez1974 Опубликовано 9 февраля, 2020 Опубликовано 9 февраля, 2020 Добрый день. Архив не открывается.
Gnez1974 Опубликовано 10 февраля, 2020 Опубликовано 10 февраля, 2020 Добрый день. Алексей, не мог бы показать или рассказать заливку прошивки на еспшку, для не программистов. 1 вылезает ошибка в графе http, строка json("rssi")=, удалил строку прошивку залил. 2 как есп с телефоном соединяется, как сервер-я его не вижу в сетях.
alexhrip Опубликовано 10 февраля, 2020 Автор Опубликовано 10 февраля, 2020 3 часа назад, Gnez1974 сказал: 1 вылезает ошибка в графе http, строка json("rssi")=, удалил строку прошивку залил. Надо больше информации 3 часа назад, Gnez1974 сказал: 2 как есп с телефоном соединяется, как сервер-я его не вижу в сетях. добавил в шапку
Zlodey Опубликовано 16 февраля, 2020 Опубликовано 16 февраля, 2020 (изменено) Поразбирался немного. Вот плата https://aliexpress.ru/item/32968583371.html?spm=a2g0s.9042311.0.0.162833edrfO5Dh Вот программатор https://aliexpress.ru/item/32799975353.html?spm=a2g0s.9042311.0.0.162833edrfO5Dh Вот инструкция по прошивке Там тонкости есть Изменено 16 февраля, 2020 пользователем Zlodey 1
alexhrip Опубликовано 16 февраля, 2020 Автор Опубликовано 16 февраля, 2020 Можно ещё NODEMCU или WEMOS. Там просто, подцепил юсби шнурок и вперед. 1
Zlodey Опубликовано 16 февраля, 2020 Опубликовано 16 февраля, 2020 (изменено) alexhrip. Я вообще первый раз с ардуино дело имею. Замучился разбираться. Не компилировался код. Пока разобрался перематерился. То библиотек нету, то версию ArduinoJson нужно определенную. ArduinoJson ставить 5.13.4. Не новее! Иначе ошибку выдает. Заказал комплектующие. Изменено 16 февраля, 2020 пользователем Zlodey
alexhrip Опубликовано 16 февраля, 2020 Автор Опубликовано 16 февраля, 2020 Ну это понятно, первый раз всегда трудно, благо в сети инфы по ESP8266 полно.
Zlodey Опубликовано 16 февраля, 2020 Опубликовано 16 февраля, 2020 (изменено) Я так полагаю можно и с компьютера зайти? Изменено 16 февраля, 2020 пользователем Zlodey
alexhrip Опубликовано 16 февраля, 2020 Автор Опубликовано 16 февраля, 2020 Не совсем понял, что будет делать эта функция.
Zlodey Опубликовано 17 февраля, 2020 Опубликовано 17 февраля, 2020 9 часов назад, alexhrip сказал: Не совсем понял Прошу прощения, я отредактировал сообщение, не заметив, что ты ответил. Повторюсь тогда и конкретизирую. Возможно ли управлять всеми функциями устройства через смартфон? Например доступ к ячейкам памяти и т.д.
alexhrip Опубликовано 17 февраля, 2020 Автор Опубликовано 17 февраля, 2020 Можно. А есть необходимость?
Zlodey Опубликовано 17 февраля, 2020 Опубликовано 17 февраля, 2020 (изменено) Думаю есть. Если веб интерфейс будет полностью управлять устройством, то это будет просто замечательно. Повысится удобство управления. Изменено 17 февраля, 2020 пользователем Zlodey
Qaz222 Опубликовано 21 февраля, 2020 Опубликовано 21 февраля, 2020 (изменено) 16.02.2020 в 22:15, alexhrip сказал: Можно ещё NODEMCU или WEMOS. Там просто, подцепил юсби шнурок и вперед. А какой NODEMCU, есть с CH-340 и CP2102. Изменено 21 февраля, 2020 пользователем Qaz222
alexhrip Опубликовано 21 февраля, 2020 Автор Опубликовано 21 февраля, 2020 Это вопрос? У любого NODEMCU есть USB-UART.
Qaz222 Опубликовано 21 февраля, 2020 Опубликовано 21 февраля, 2020 alexhrip, да вопрос ,т.е без разницы на каком чипе?
Qaz222 Опубликовано 21 февраля, 2020 Опубликовано 21 февраля, 2020 alexhrip,когда будет полностью управление на смартфоне,планируется ли развивать проект?
Qaz222 Опубликовано 21 февраля, 2020 Опубликовано 21 февраля, 2020 alexhrip, ну я не знаю,например подключение к плате датчиков температуры чтобы можно было видеть их показания на телефоне.
Zlodey Опубликовано 21 февраля, 2020 Опубликовано 21 февраля, 2020 (изменено) Поддерживаю вопрос. Ячейки памяти, с возможностью переименования. Например разгон, работа на себя, головы, ну и т. д. Изменено 21 февраля, 2020 пользователем Zlodey
alexhrip Опубликовано 21 февраля, 2020 Автор Опубликовано 21 февраля, 2020 2 минуты назад, Qaz222 сказал: ну я не знаю Вот и я не знаю)), для датчиков температуры полно других проектов, можно и сюда вкрячить, вопрос, для чего. 5 минут назад, Zlodey сказал: Ячейки памяти. уже есть версия, выложу в ближайшее время. 6 минут назад, Zlodey сказал: с возможностью переименования интересное предложение, надо обдумать. 1
Рекомендуемые сообщения
Для публикации сообщений создайте учётную запись или авторизуйтесь
Вы должны быть пользователем, чтобы оставить комментарий
Создать аккаунт
Зарегистрируйте новый аккаунт в нашем сообществе. Это очень просто!
Регистрация нового пользователяВойти
Уже есть аккаунт? Войти в систему.
Войти